logo elektroda
logo elektroda
X
logo elektroda
REKLAMA
REKLAMA
Adblock/uBlockOrigin/AdGuard mogą powodować znikanie niektórych postów z powodu nowej reguły.

[Rozwiązano] Honda Legend Coupe 1992- wymiana radia - Po wymianie radia auto nie chce odpalić

artgreg3 04 Cze 2019 22:29 2373 20
REKLAMA
  • #1 17996549
    artgreg3
    Poziom 6  
    Posty: 11
    Postanowiłem wymienić radio fabryczne na nowocześniejsze z navi itp.
    Kupiłem przejściówkę, radyjko dopasowałem, podłączyłem.
    Wszystko pięknie zagrało dopóki nie chciałem odpalić samochodu...
    Ku mojemu zdziwieniu autko nie odpaliło.
    Podłączyłem z powrotem radyjko fabryczne i autko ładnie odpaliło.
    To chyba przez te dwa kabelki w kostce - security in/ security out
    Pomierzyłem napięcie między nimi i gdy radyjko jest odłączone jest 10 V a gdy radyjko wpięte jest 0
    Nie jestem "szpecem" od elektryki więc może ktoś może mi coś doradzić jak to to obejść.
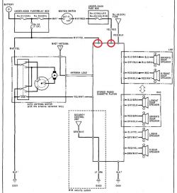
    Załączniki:
    • Wejścia.pdf (30.83 KB) Musisz być zalogowany, aby pobrać ten załącznik.
    • Schemat radia.pdf (27.47 KB) Musisz być zalogowany, aby pobrać ten załącznik.
  • REKLAMA
  • #3 17998261
    artgreg3
    Poziom 6  
    Posty: 11
    Połączyłem te dwa przewody, ale nić się nie zmieniło.
    Dalej auto nie odpala.
    Pomierzyłem napięcie pomiędzy A12 i A13 przy wypiętym radiu - 10V; przy wpiętym radiu 0V
    Pomiędzy A12 a A14 przy wypiętym radiu 10V; przy wpiętym 0V
    Pomiedzy A13/A14 - zero
    znalazłem jeszcze inne schematy:
    Załączniki:
    • LC9192150000A.pdf (40.8 KB) Musisz być zalogowany, aby pobrać ten załącznik.
    • LC9192133001A.pdf (30.74 KB) Musisz być zalogowany, aby pobrać ten załącznik.
  • #5 18001276
    artgreg3
    Poziom 6  
    Posty: 11
    Tak zrobiłem , ale to nic nie dało.
    Pomogła zamiana kabelków pomiędzy zasilaniem 12v a podtrzymaniem pamięci na nowym radiu.
    Auto odpaliło. Nawet bez zmostkiwania tych dwoch przewdów security.
    Natomiast pojawił się kolejny problem bo teraz radio nie ma podtrzymania pamięci.
    Trochę tego nie rozumię. Czyżby byla to wina nowego radia?
    Wcześniej jak było podłączone prawidłowo zgodnie ze schematem to auto nie odpalało.
  • REKLAMA
  • #7 18001522
    artgreg3
    Poziom 6  
    Posty: 11
    Jest to Vordon ac-7201 oregon
  • REKLAMA
  • #8 18001626
    DriverMSG
    VIP Zasłużony dla elektroda
    Posty: 44094
    Pomógł: 3984
    Ocena: 4850
    W sumie do zasilania radia wystarczą 3 przewody.
    Honda Legend Coupe 1992- wymiana radia - Po wymianie radia auto nie chce odpalić

    Sprawdź, czy masz dokładnie tak podłączone, lamką kontrolną upewnij się co do napięć we wtyczce.
  • #9 18002426
    artgreg3
    Poziom 6  
    Posty: 11
    Dokładnie tak jest podpięte.
    Wtedy auto nie chce odpalić. Objaw jest taki że przygasa radio i jeszcze zegarek.
    Natomiast przy fabrycznym przygasa tylko radio.
    Teraz to mi strzelił nawet bezpiecznik z podtrzymania baterii i zegarka ( są na jednym bezpieczniku ).
  • #11 18004392
    artgreg3
    Poziom 6  
    Posty: 11
    Wszystko pasuje jak na załączonym przez Ciebie pliku.
    Sprawdzałem kabelek po kabelku na przejsciówce i wtyku z samochodu i wszystko się zgadza.
    Układ security był mostkowany a i tak auto nie odpaliło.
  • #12 18004660
    DriverMSG
    VIP Zasłużony dla elektroda
    Posty: 44094
    Pomógł: 3984
    Ocena: 4850
    artgreg3 napisał:
    Pomogła zamiana kabelków pomiędzy zasilaniem 12v a podtrzymaniem pamięci na nowym radiu.
    Auto odpaliło. Nawet bez zmostkiwania tych dwoch przewdów security.
    Skoro tak się uruchamia, to security nie ma nic wspólnego.
    Sama zamiana przewodów jak na fotce niżej, nie ma, nie powinna mieć wpływu na działanie samochodu.
    Honda Legend Coupe 1992- wymiana radia - Po wymianie radia auto nie chce odpalić

    Zrób zdjęcia tych wtyczek co masz teraz, tak by było widać połączenia między starą a nową.

    Na schemacie SCU widać, że moduł może jedynie rozłączać przekaźnik rozrusznika. Nie ingeruje w pozostałe podzespoły instalacji silnika.
    Każdy z czujników (styczników) połączony jest z masą pojazdu, to samo tyczy się radia - to prosty mechanizm.

    Honda Legend Coupe 1992- wymiana radia - Po wymianie radia auto nie chce odpalić
  • #14 18006110
    DriverMSG
    VIP Zasłużony dla elektroda
    Posty: 44094
    Pomógł: 3984
    Ocena: 4850
    Wygląda na prawidłowe połączenie.
    Czy w tym stanie wtyczek auto nie uruchamia się?
    Jeśli nie, to co dokładnie się dzieje? Nie kręci rozrusznik, czy kręci, ale silnik nie daje oznak "życia"?
  • #15 18006172
    artgreg3
    Poziom 6  
    Posty: 11
    Po przekręceniu kluczyka w pozycję start auto nie reaguje tzn. rozrusznik nie kręci. Przygasa tylko radio i sterowanie klimatyzacją.
    Mierzyłem też napięcie przy przekreęcaniu kluczyka pomiedzy masą a zasilaniem radia ACC. Spadło do 7V.
    W tym wypadku obwód security był zmostkowany.
  • #17 18007007
    artgreg3
    Poziom 6  
    Posty: 11
    Zrobiłem tak.
    Nic się nie zmieniło.
  • #18 18007022
    DriverMSG
    VIP Zasłużony dla elektroda
    Posty: 44094
    Pomógł: 3984
    Ocena: 4850
    Nie mam pojęcia co tam się dzieje. Brak mi pomysłów, a na odległość ciężko pomóc nie widząc problemu.
    Możliwe, że dysponujemy złymi schematami.

    Jedyne co mi do głowy przychodzi, to zmostkować przekaźnik rozrusznika, rezygnując z tego zabezpieczenia pojazdu.
  • REKLAMA
  • #19 18007265
    kwok
    Poziom 40  
    Posty: 6229
    Pomógł: 493
    Ocena: 1334
    artgreg3 napisał:
    Mierzyłem też napięcie przy przekreęcaniu kluczyka pomiedzy masą a zasilaniem radia ACC. Spadło do 7V.

    Od tego trzeba zacząć. Jakiś mały spadek może być ale nie do 7V. Jeśli schemat poprawny to trzeba lecieć po kolei: złącza, stacyjka, skrzynka bezpieczników.....
  • #20 18007920
    artgreg3
    Poziom 6  
    Posty: 11
    Najdziwniejsze jest to , że na noc wypiłem radio i rano odpaliłem z wypiętym radiem. Byłem bardzo zdziwiony.
    Jak chciałem powtórzyć to raz jeszcze to juz nie odpaliło.
  • #21 18043069
    artgreg3
    Poziom 6  
    Posty: 11
    Temat rozwiązany.
    Radyjko nie dawało odpowiedniego obciążenia i autko nie chciało odpalić.
    Pomogło dołożenie rezystora i wszystko śmiga.
    Dziękuję za poświecenie czasu i pomoc.
    Pozdrawiam.

Podsumowanie tematu

✨ Użytkownik wymienił fabryczne radio w Hondzie Legend Coupe 1992 na nowocześniejsze z nawigacją, jednak po podłączeniu nowego radia samochód nie odpalał. Problemy związane były z przewodami security, które miały wpływ na zasilanie. Po kilku próbach, w tym łączeniu przewodów i pomiarach napięcia, okazało się, że radio nie dawało odpowiedniego obciążenia, co uniemożliwiało uruchomienie silnika. Ostatecznie rozwiązaniem było dodanie rezystora, co pozwoliło na prawidłowe działanie zarówno radia, jak i uruchomienie samochodu.
Wygenerowane przez model językowy.
REKLAMA