logo elektroda
logo elektroda
X
logo elektroda
REKLAMA
REKLAMA
Adblock/uBlockOrigin/AdGuard mogą powodować znikanie niektórych postów z powodu nowej reguły.

Daewoo Leganza - Nie odpala na benzynie, na gazie pracuje. Gdzie znajdę bezpiecz

SolonYG 13 Lut 2022 10:26 432 14
REKLAMA
  • #1 19881330
    SolonYG
    Poziom 5  
    Na wstępie
    Daewoo Leganza 1998r
    2.0 DOHC 98kW 133 konie
    Vin: KLAVF69ZEWB103652
    Benzyna + LPG a raczej samo LPG
    Wydaje mi się że to był krajowy montaż

    Problem jest następujący: jeżeli samochód jest ustawiony na benzynkę świeci się check engine nie pracuje pompa paliwa, po podłączeniu na krótko pompuje i jest obieg ale mimo to na benzynie nie opala, iskra jest i najpewniej ECU blokuje wtryskiwacze, na gazie normalnie odpala i pracuje, ma moc a check engine znika. Obstawiam że problemem jest bezpiecznik/czujnik wstrząsowy/uderzeniowy bo to dość częsta usterka tego samochodu ale niestety nie wiem gdzie mogę go znaleźć, można prosić o zdjęcie lub/i bardzo dokładny opis gdzie go znaleźć i jak on powinien wyglądać? Będę wdzięczny za każdą pomoc
  • REKLAMA
  • #2 19881458
    bubu1769
    Poziom 42  
    A nie lepiej najpierw odczytać błędy silnika a nie szukać na ślepo?
    Jaka instalacja gazowa?
    Jeśli oprócz zasilania wtryskiwaczy benzynowych steruje też odcięciem pompy paliwa to ona może powodować problemy.
  • #3 19881464
    fructon
    Poziom 33  
    po prawej stronie fotela pasazera w podłodze
  • REKLAMA
  • #4 19881697
    SolonYG
    Poziom 5  
    bubu1769 napisał:

    Jeśli oprócz zasilania wtryskiwaczy benzynowych steruje też odcięciem pompy paliwa to ona może powodować problemy.


    Tyle że gaz pompy nie odcina, a to są typowe objawy tego czujnika zwłaszcza że ten samochód ma skłonności do wybijania tego czujnika a problem jest powszechnie znany.


    fructon napisał:
    po prawej stronie fotela pasazera w podłodze


    Czyli gdzieś pod fotelem? W internecie to piszą cuda nie widy odnośnie lokalizacji tego.

    Dodano po 37 [minuty]:

    Nic nie ma pod fotelem w podłodze, źle szukam? Oczywiście sprawdzałem pod tą wykładziną

    Daewoo Leganza - Nie odpala na benzynie, na gazie pracuje. Gdzie znajdę bezpiecz
  • #5 19881858
    bubu1769
    Poziom 42  
    SolonYG napisał:

    Tyle że gaz pompy nie odcina,

    To już kwestia podłączenia instalacji w samochodzie.

    Co do czujnika:
    https://www.drive2.ru/l/4973081/

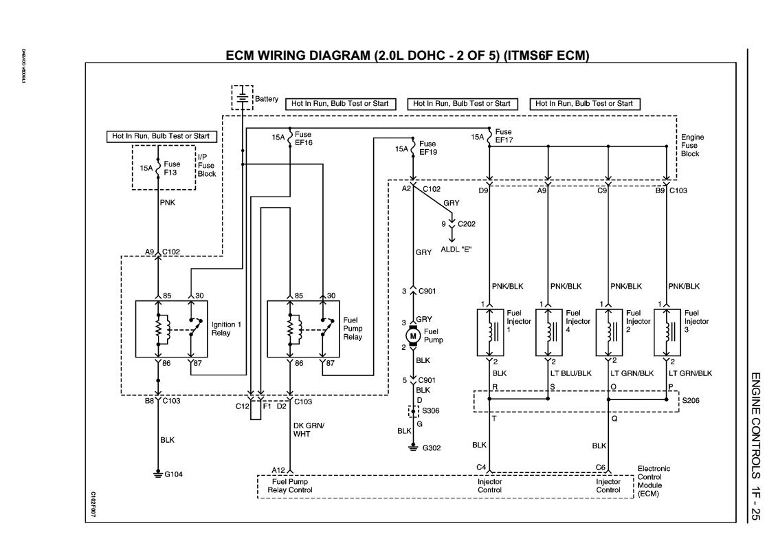
    Niestety na schematach nie mogę znaleźć gdzie jest on wpięty w sterownik silnika, jedynie mam lokalizacje jego wtyczki tak jak jest to pokazane na drive2.
  • REKLAMA
  • #6 19881892
    SolonYG
    Poziom 5  
    Dodałem wyżej zdjęcie i nie ma tu czujnika, po odchylaniu wykładziny nie ma nic co wskazuje na druciarstwo
    Może w polskim montażu będzie gdzieś indziej (bo o ile się nie mylę to jest polski montaż właśnie)
  • #7 19881911
    enhanced
    Poziom 43  
    Skoro nie ma nigdzie (pod hamulcem ręcznym gdzieś ktoś napisał) to może jak w poście Post #9 już go się ktoś pozbył.

    LPG to masz 1/2 generacji skoro ci działa bez PB?

    To może odczytaj błąd jaki podaje komputer skoro już na krótko podłączałeś pompę paliwa i próbowałeś odpalić?
  • #8 19881913
    bubu1769
    Poziom 42  
    Poszperałem jeszcze trochę i się okazało że wcześniej patrzyłem na serwisówkę od rocznikowego modelu 2000.
    Według serwisówki do wcześniejszych roczników czujnik odcięcia paliwa odcina tylko samą pompę ale nie powinien wpływać na wtryski.
    Daewoo Leganza - Nie odpala na benzynie, na gazie pracuje. Gdzie znajdę bezpiecz
    Przejże jeszcze tą serwisówke może gdzieś będzie opisane czy w modelach sprzed 2000r. ten czujnik był gdzieś indziej.
    Rozumiem że masz instalacje maksymalnie 2 generacji, z mieszalnikiem, i działa ona niezależnie od wtryskiwaczy benzynowych.

    Dodano po 6 [minuty]:

    Niestety ta serwisówka co mam jest kiepsko skopiowana i brakuje połowy zawartości, w tym położenia wiązek w samochodzie.
  • #9 19881941
    SolonYG
    Poziom 5  
    enhanced napisał:
    Skoro nie ma nigdzie (pod hamulcem ręcznym gdzieś ktoś napisał)


    Patrzyłem w okolicach ręcznego, ale ręki to sobie odciąć nie dam że tam go nie ma, niby sobie telefonik włożyłem gdzie się nie dało dostać i zobaczyłem że nic nie ma, będę musiał rozebrać

    enhanced napisał:
    LPG to masz 1/2 generacji skoro ci działa bez PB?


    Tak, mam gaz starej generacji z mieszalnikiem ale czy to 1 czy 2 to ci nie powiem (w ramach ciekawostki założony w 2020)

    enhanced napisał:
    To może odczytaj błąd jaki podaje komputer skoro już na krótko podłączałeś pompę paliwa i próbowałeś odpalić?



    Będę musiał to zrobić tylko znaleźć kogoś kto ma komputer w okolicy i mnie obsłuży jak najszybciej
  • #12 19881976
    SolonYG
    Poziom 5  
    enhanced napisał:
    Może odczytaj kody
    http://daewooforum.pl/temat2480.html

    Najlepiej nagrać telefonem :)

    A sterownik LPG jaki bo może on coś psuje i nie załącza choćby wtrysków PB bo jakoś je musi odłączać?


    Postaram się to zaraz zrobić bo troszkę jest rzeczy do zrobienia przy niedzieli

    Gaz jest BRC ale jaki sterownik to poszukam za jakieś 20 minut



    bubu1769 napisał:
    Co za rzeźnik założył drugą generacje w 2020r?
    też chciałbym wiedzieć szczerze mówiąc, aż zrobiłem duże oczy przy oglądaniu samochodu wtedy
  • REKLAMA
  • #15 19882199
    g107r
    Poziom 41  
    Może być problem z immobiliserem, odcina wtryskiwacze i pompę paliwa, ale gdzieś powinna mrugać, świecić ikona kluczyka, lub czerwona dioda.
    Przy wybiciu czujnika, zwykle wraz z włączeniem zapłonu zamykały, otwierały :?: się zamki drzwi. Nie pamiętam już... no i ostatnio został znaleziony jednak przy fotelu https://www.elektroda.pl/rtvforum/topic3217616.html#15757446 http://daewooforum.pl/temat72822.html , choć dalej mogę podtrzymać, że go może nie być w ogóle.
    Daewoo Leganza - Nie odpala na benzynie, na gazie pracuje. Gdzie znajdę bezpiecz
    Ale poszukaj, schemat jedno, życie drugie, na tym akurat nie zaznaczyli.
    http://autoczesci-jbt.pl/czujniki-uderzenia/1...oo-chrysler-czujnik-uderzeniowy-96229200.html tak mniej więcej wygląda.

    Błędy można samemu wyświetlić, jeśli mamy podciśnieniowy EGR (bo to chyba najłatwiej rozpoznać).

    Dodano po 1 [godziny] 11 [minuty]:

    Daewoo Leganza - Nie odpala na benzynie, na gazie pracuje. Gdzie znajdę bezpiecz

Podsumowanie tematu

Użytkownik zgłasza problem z Daewoo Leganza z 1998 roku, który nie odpala na benzynie, ale działa na gazie. Po podłączeniu pompy paliwa na krótko, nie uruchamia się, co sugeruje, że ECU może blokować wtryskiwacze. Użytkownik podejrzewa uszkodzenie czujnika wstrząsowego, który jest typową usterką tego modelu. W dyskusji poruszane są lokalizacje czujnika, z sugestiami, że może znajdować się w okolicach fotela pasażera lub przy nogach pasażera. Użytkownicy sugerują również odczytanie błędów silnika oraz sprawdzenie instalacji LPG, która może wpływać na działanie wtryskiwaczy benzynowych. Wskazówki dotyczące lokalizacji czujnika oraz schematy serwisowe są również omawiane.
Podsumowanie wygenerowane przez model językowy.
REKLAMA