logo elektroda
logo elektroda
X
logo elektroda
REKLAMA
REKLAMA
Adblock/uBlockOrigin/AdGuard mogą powodować znikanie niektórych postów z powodu nowej reguły.

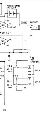
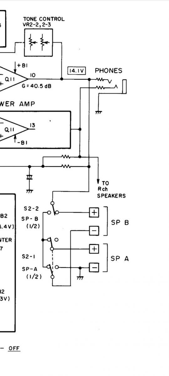
[Rozwiązano] Amplituner Pioneer SX-202R - jaka oporność kolumn?

winotu2 18 Mar 2023 14:27 378 18
REKLAMA

Podsumowanie tematu

Użytkownik pyta o oporność kolumn podłączonych do amplitunera Pioneer SX-202R. Zastanawia się, czy podłączając cztery kolumny 8Ω, uzyska 4Ω czy 16Ω. Odpowiedzi wskazują, że podłączenie czterech kolumn 8Ω do wyjść A i B może prowadzić do łączenia ich szeregowo, co skutkuje 16Ω i cichszym dźwiękiem. Użytkownik odkrywa, że amplituner łączy kolumny szeregowo, co jest sprzeczne z informacjami na tylnej ściance, gdzie podano minimalną oporność 8Ω. W końcu, po przeanalizowaniu schematu, potwierdzono, że kolumny są łączone szeregowo, co wyjaśnia problem z głośnością.
Podsumowanie wygenerowane przez model językowy.
REKLAMA