logo elektroda
logo elektroda
X
logo elektroda
Adblock/uBlockOrigin/AdGuard mogą powodować znikanie niektórych postów z powodu nowej reguły.

Citroen DS3 2013 1.6 HDI - Brak ESP, błędy U1321 i U1121, szukam schematu elektrycznego

bartulinek2004 21 Kwi 2023 10:03 4071 18
  • #1 20549471
    bartulinek2004
    Poziom 7  
    Posty: 18
    Posiadam citroena ds3, 1.6 hdi z 2013, przekładka z anglika w którym nie działa esp. Auto wyrzuca w sterowniku esp dwa błędy : U1321 defekt działania układu kierowniczego ze wspomaganiem elektrycznym, U1121 Błąd braku komunikacji z kalkulatorem elektrycznego wspomagania kierownicy. W module wspomagania kierownicy interfejs w zakładce kąta skrętu podaje komunikat "wartości nieprawidłowe".
    Dlatego potrzebuję schematu elektrycznego, żeby sprawdzić przejścia od pompy abs/esp do do przełącznika zespolonego w kierownicy. Moje podejrzenie pada na czujnik kąta skrętu kierownicy. Ale w aucie mogą być różne herezje porobione, bo np. była wstawiona zwykła pompka sprzęgła, zamiast takiej z halotronem i przez to nie działał tempomat t wywalało błędy kalkulatora sterownika silnika.
    Wszelka pomoc mile widziana, najlepiej schemat, ale za inne podpowiedzi co dalej z moim problemem zrobić będę wdzięczny.
  • #2 20551145
    artur.heise
    Poziom 33  
    Posty: 1577
    Pomógł: 220
    Ocena: 579
    bartulinek2004 napisał:
    Wszelka pomoc mile widziana, najlepiej schemat


    VIN by się przydał. ;)

    U1321:
    Citroen DS3 2013 1.6 HDI - Brak ESP, błędy U1321 i U1121, szukam schematu elektrycznego


    U1121:
    Citroen DS3 2013 1.6 HDI - Brak ESP, błędy U1321 i U1121, szukam schematu elektrycznego
    Pomogłem? Kup mi kawę.
  • #4 20551867
    bartulinek2004
    Poziom 7  
    Posty: 18
    Dzięki za pomoc
    artur.heise napisał:
    VIN by się przydał.

    vf7sa9hpkdw609302
    sterownik silnika BOSCH, EDC17C10 BR2 9HP
    Kod silnika:
    1.6 HDi 92 (DV6DTED)
    Skrzynia biegów:
    BVM 5 (Z funkcją stop & start)
    ESP MK100
    Podaję te dane bo jak szukałem schematów w KTS to te dane były potrzebne.

    Dodano po 17 [minuty]:

    melas napisał:
    Kodowanie w wspomaganiu zmień takie jak miałeś w angielskiej wersji.

    Diagboxem to ogarnę?
    Druga kwestia, to jest taka, że nie wiem jakie były wartości w wersji angielskiej.
    Auto mam od dwóch miesięcy i miałem jedynie czas na diagnostykę w weekendy, a teraz będę miał auto na dłużej i mogę podążyć temat.
  • Pomocny post
    #5 20552422
    artur.heise
    Poziom 33  
    Posty: 1577
    Pomógł: 220
    Ocena: 579
    bartulinek2004 napisał:
    Druga kwestia, to jest taka, że nie wiem jakie były wartości w wersji angielskiej.
    Auto mam od dwóch miesięcy i miałem jedynie czas na diagnostykę w weekendy, a teraz będę miał auto na dłużej i mogę podążyć temat.


    Po VIN wychodzi:
    UKŁAD KIEROWNICZY (DZIAŁANIE): KIEROWNICA ELEKTRYCZNA WSPOMAGANA

    7020 : kalkulator systemu ABS
    (CAN to 9000 + 9001):
    Citroen DS3 2013 1.6 HDI - Brak ESP, błędy U1321 i U1121, szukam schematu elektrycznego

    7126 : kalkulator elektrycznego wspomagania kierownicy
    Citroen DS3 2013 1.6 HDI - Brak ESP, błędy U1321 i U1121, szukam schematu elektrycznego

    7800 : kalkulator kontroli stabilności
    Citroen DS3 2013 1.6 HDI - Brak ESP, błędy U1321 i U1121, szukam schematu elektrycznego
    Pomogłem? Kup mi kawę.
  • #6 20552828
    bartulinek2004
    Poziom 7  
    Posty: 18
    artur.heise napisał:
    7800 : kalkulator kontroli stabilności

    Mam kilka pytań do tego schematu: widzę ESP, BSI, czujniki kół, a czy CDS to sterownik wspomagania? Złącza i poszczególne piny to jest oczywiste.
    Nie do końca wiem co jest co na tych schematach. Na schematach z BOSCH czy DELPHI opisy są trochę inne. Co oznacza PSF1, 7020, 1320, 7126
  • Pomocny post
    #7 20553132
    artur.heise
    Poziom 33  
    Posty: 1577
    Pomógł: 220
    Ocena: 579
    bartulinek2004 napisał:
    artur.heise napisał:
    7800 : kalkulator kontroli stabilności

    Mam kilka pytań do tego schematu: widzę ESP, BSI, czujniki kół, a czy CDS to sterownik wspomagania? Złącza i poszczególne piny to jest oczywiste.
    Nie do końca wiem co jest co na tych schematach. Na schematach z BOSCH czy DELPHI opisy są trochę inne. Co oznacza PSF1, 7020, 1320, 7126


    To są oficjalne schematy i oficjale oznaczenia- i część już opisałem wcześniej. :)

    CDS = Contrôle Dynamique de Stabilité = ESP
    PSF1 = BSM
    7020 = kalkulator systemu ABS
    1320 = kalkulator silnika
    7126 = kalkulator elektrycznego wspomagania kierownicy
    7804 = żyroskop-przyśpieszeniomierz kontroli stabilności
    Pomogłem? Kup mi kawę.
  • #8 20562843
    bartulinek2004
    Poziom 7  
    Posty: 18
    Jeszcze może ktoś odpowie mi na pytanie: jakie wartości w stopniach powinna pokazywać w skrajnych położeniach kierownica, bo mi w testach Diagboxem od minus 33 do 33 stopni. Zawsze myślałem, że ponad 360 stopni w każdą stronę. Natomiast przy położeniu na wprost moment skrętu pokazuje "wartość nieprawidłowa" a przy ruszaniu wartości się zmieniają, tylko nie wiem czy wartości są prawidłowe.
    melas napisał:
    Kodowanie w wspomaganiu zmień takie jak miałeś w angielskiej wersji.

    We wspomaganiu nie znalazłem możliwości kodowania, tylko zalogowanie po naprawie-wymianie. Może jest jakaś zakładka w BSI?
  • #9 20765100
    barmi123
    Poziom 9  
    Posty: 10
    Ocena: 1
    Może komuś się przyda informacja, że problem został rozwiązany. Trochę pracy przy tym było, bo szukanie schematów i sprawdzanie przewodów w wiązkach. Dopiero sczytanie Diagboxem modułów klona auta fabrycznie w wersji europejskiej dało rezultat, Wszystkie błędy BSI i ABS były związane z tym, że w aucie była maglownica z telekodowaniem przedliftowym tj. 2009 r., natomiast dla sprawnego działania potrzebne było telekodowanie z 2013. Po wymianie maglownicy wszystkie błędy ustąpiły.
    Dziękuję forumowiczom za pomoc.
    Przy okazji zapytam fachowców jeszcze o ostatni błąd jaki mi został w aucie, bo nie chcę otwierać nowego tematu.
    F52A- "Jedno lub więcej wyjść zostało zablokowanych (patrz pomiar parametrów stanu wyjść mocy). Brak charakterystyki."
    Błąd ten jest związany z brakiem zasilania w lampkach od podświetlenia nóg. W BSI w telekodowaniu w zakładce "wyjścia mocy" podświetlenie nóg występuje. Pomiary przy włączonym zapłonie pokazuję napięcie 1,5v, po wyłączeniu zapłonu utrzymuje się na tym samym poziomie, a później spada do 1,4v i gdy samochód w przechodzi w stan uśpienia napięcie spada do zera. Masa na złączach lampek prawidłowa, przewody nigdzie nie zwierają się, przejścia w złączach bez zarzutów. Sprawdziłem nawet płytkę modułu BSI (szare złącze pin 12) i żadnych zastrzeżeń.
    Wiem, że podświetlenie nóg to dla niektórych osób jest pierdoła, ale ja lubię jak wszystko działa.
    Macie jakieś pomysły co z tym zrobić?
    Pozdrawiam

    Dodano po 20 [minuty]:

    Przy okazji tego tematu jeszcze zapytam o rozpiskę pinów na złączach w BSI, gdyż zamierzam dołożyć w aucie maty grzewcze foteli, a nie chcę tego robić podłączając od zasilania gniazda zapalniczki. Chcę aby BSI monitorowało to podgrzewanie.
    Z góry dziękuję za pomoc.
  • Pomocny post
    #10 20765648
    artur.heise
    Poziom 33  
    Posty: 1577
    Pomógł: 220
    Ocena: 579
    barmi123 napisał:

    Macie jakieś pomysły co z tym zrobić?


    Tabela błędu inteligentnego modułu sterującego BSI kod F52A.
    Pomogłem? Kup mi kawę.
  • #11 20766084
    bartulinek2004
    Poziom 7  
    Posty: 18
    Właśnie się obawiałem, że potrzebna będzie wymiana BSI. To mi sugerował kolega elektronik, bo jak stwierdził, gdyby uszkodzony był element elektroniki na płycie BSI to sterownik raczej nie zidentyfikowałby błędu.
    A jak jest z wymianą BSI. Mam identyczny moduł i vin z macierzystego auta, ale nie do końca jestem pewien kodu pin, bo kolega przy odczytywaniu epromu nie miał dedykowane programu.
  • #12 20772130
    barmi123
    Poziom 9  
    Posty: 10
    Ocena: 1
    artur.heise napisał:

    A mógłbyś podrzucić rozpiskę BSI lub co najmniej które wyjścia są od tylnych świateł przeciwmgielnych i światła cofania oraz od podgrzewania foteli.
  • #13 21078152
    artur.heise
    Poziom 33  
    Posty: 1577
    Pomógł: 220
    Ocena: 579
    barmi123 napisał:
    artur.heise napisał:

    A mógłbyś podrzucić rozpiskę BSI lub co najmniej które wyjścia są od tylnych świateł przeciwmgielnych i światła cofania oraz od podgrzewania foteli.


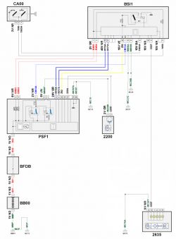
    P/mgielne są sterowane z BSM/PSF:

    Schemat połączeń elektrycznych dla systemu samochodowego z komponentami BSM, PSF1 i BFD.

    Cofania z BSI:
    Schemat elektryczny systemu sterowania reflektorami i podgrzewania w samochodzie.

    podgrzewanie:
    Schemat obwodu elektrycznego samochodu z P/mgielnymi i ogrzewaniem
    Pomogłem? Kup mi kawę.
  • #14 21608775
    igorfilipowicz0531
    Poziom 4  
    Posty: 4
    Hej, mam te same błędy co ty po wymianie maglownicy, tylko że auto z 2009, 207 CC 1.6 HDi 80 kW. Wiązki sprawdzone, ok. Mam Gutmanna do diagnostyki, może ktoś coś podpowie. Podobno maglownica była zamontowana nowa, czy tam się robi jakieś kodowanie czy adaptację? Dziękuję za pomoc, z góry pozdrawiam.
  • #15 21609893
    bartulinek2004
    Poziom 7  
    Posty: 18
    U mnie po wymianie maglownicy nic nie musiałem kodować, wszystko ruszyło, nawet nie musiałem ustawiać kąta skrętu. Musisz sprawdzić, czy nowa maglownica jest przystosowana do ESP, musi być konkretny typ maglownicy. Jeżeli masz ESP w aucie, a dałeś maglownicę bez, to właśnie będą te błędy, co na wstępie.
  • #16 21609993
    igorfilipowicz0531
    Poziom 4  
    Posty: 4
    >>21609893
    W jaki sposób mogę to sprawdzić, czy maglownica jest do ESP? Ja tego nie wymieniałem, tylko poprzedni właściciel, i po wymianie odesłali go z kwitkiem do elektronika, bo błąd jest w ABS, i zepchnęli temat, że to nie ich wina. Później samochód stał w garażu ponad rok i ja jestem nowym właścicielem.
  • #18 21610667
    bartulinek2004
    Poziom 7  
    Posty: 18
    W ogóle z koncernem PSA to jest problem z wyszukiwaniem części. Nawet szukając po numerze nadwozia, nie ma pewności, że kupisz właściwą maglownicę. Musisz szukać w opisach aukcji, może jest gdzieś odnośnik o wersji z ESP. Ja znalazłem używkę na Allegro chyba za drugim razem i sprawdzałem bez montażu, podpinając tylko wtyczkę i odczytując parametry diagboxem, i szukałem aukcji, gdzie jest darmowy zwrot części.
  • #19 21614011
    artur.heise
    Poziom 33  
    Posty: 1577
    Pomógł: 220
    Ocena: 579
    bartulinek2004 napisał:
    W ogóle z koncernem PSA to jest problem z wyszukiwaniem części. Nawet szukając po numerze nadwozia, nie ma pewności, że kupisz właściwą maglownicę. Musisz szukać w opisach aukcji, może jest gdzieś odnośnik o wersji z ESP.


    Obecność ESP nie ma znaczenia, znaczenie ma:

    - data produkcji (nr OPR)
    - silnik
    - i co ciekawe rozmiar kół


    Tabela z listą zastosowań części samochodowych według daty produkcji, silnika i rozmiaru kół
    Pomogłem? Kup mi kawę.

Podsumowanie tematu

✨ W Citroenie DS3 1.6 HDi z 2013 roku po przekładce z wersji angielskiej występował problem z brakiem działania systemu ESP oraz błędami U1321 (defekt działania układu kierowniczego ze wspomaganiem elektrycznym) i U1121 (brak komunikacji z kalkulatorem elektrycznego wspomagania kierownicy). Podejrzenia dotyczyły czujnika kąta skrętu kierownicy oraz niezgodności w instalacji, m.in. użycia niewłaściwej pompki sprzęgła. W dyskusji udostępniono schematy elektryczne i wyjaśniono oznaczenia modułów: CDS (ESP), PSF1 (BSM), 7020 (ABS), 7126 (elektryczne wspomaganie kierownicy), 1320 (sterownik silnika), 7804 (żyroskop). Zalecano zmianę kodowania wspomagania na zgodne z wersją angielską. Ostatecznie problem rozwiązała wymiana maglownicy na właściwy model z telekodowaniem z 2013 roku, gdyż w samochodzie była zamontowana maglownica przedliftowa z 2009 roku, niezgodna z systemem ESP. Po wymianie błędy ustąpiły bez konieczności dodatkowego kodowania czy ustawiania kąta skrętu. W dalszej części dyskusji poruszono temat błędu F52A związanego z podświetleniem nóg i kwestie wymiany oraz kodowania modułu BSI. Podkreślono trudności w doborze właściwej maglownicy ze względu na różnice w datach produkcji, silniku i rozmiarze kół, a także konieczność testowania części przed montażem.
Wygenerowane przez model językowy.
REKLAMA