Dzisiaj przedstawię wnętrze sterownika rolet z WiFi opartego na dość nietypowym układzie - Belon BL2028N, który jak się okazuje, jest odpowiednikiem BK7231N. Opisywany tu przedmiot można kupić w naszym kraju za około 60 zł. Opiszę tu również proces uwolnienia go od chmury, zmienimy mu firmware na OpenBeken. Nie opiszę tutaj natomiast jego finalnej konfiguracji z roletami, gdyż takich na ten moment nie posiadam. Postaram się to umieścić w przyszłości w osobnym temacie, który nie będzie już powiązany z danym urządzeniem, tylko będzie stanowić tylko i wyłącznie poradnik kalibracji rolet w OBK. Natomiast jeśli nie chcecie czekać na kolejną część o roletach ode mnie, to polecam świetny temat użytkownika @richardsg307 , poniżej umieszczam linki do wersji polskiej (tłumaczenie) i angielskiej:
https://www.elektroda.pl/rtvforum/topic3972935.html
https://www.elektroda.com/rtvforum/topic3972935.html
Zakup SL-SC-01
Ostatnio nie recenzuję już tak często produktów kupowanych bezpośrednio w Chinach. Tym razem produkt też był kupiony na naszym polskim portalu aukcyjnym. Kupił go czytelnik, a ja miałem mu tylko zmienić firmware - wgrać OpenBeken.
Wymiary produktu to: 42 x 42 x 21 mm
Normalnie współpracuje on z aplikacją Tuya, ale my zmienimy mu firmware.
Zawartość zestawu
Zobaczmy, co dostajemy po zakupie.
Tym razem ubogo. Nie ma nawet śrubek do mocowania. Pora zatem zajrzeć do środka.
Krótki test z aplikacją Tuya
Zazwyczaj ten podpunkt pomijam, ale dla sterownika rolet warto go jednak tutaj umieścić. Parowanie przebiega standardowo.
Po sparowaniu mamy kontrolę nad % otwarcia rolet, czyli wszystko jest w pełni płynnie.
Mamy też kontrolę nad diodą LED znajdującą się na pokładzie urządzenia oraz możliwość kalibracji. Wstępna kalibracja pozwala podać czas otwierania/zamykania, a dokładniejsza zdaje się pozwala rozpocząć otwieranie/zamykanie i kliknięcie stop gdy roleta w pełni się otworzy/zamknie.
Potrzeba ustawienia tych czasów wynika stąd, że rolety i silniki są różne (i wysokości są różne), a tu nie ma żadnych super-inteligentnych (mimo tego 'smart' w nazwie) end-stopów, które by aplikacji powiedziały, że już roleta jest otwarta... wszystko operuje w oparciu o czas.
Wnętrze SL-SC-01
Podważamy płaskim śrubokrętem pokrywę i zaglądamy do środka.
Standardowo, przetwornica step down na BP2525 i AMS1117-3.3V.
Z wierzchu mamy oczywiście dwa przekaźniki (ale nigdy oba nie są na raz zwarte, firmware o to dba, sprzętowo zabezpieczenia nie ma), na wejściu jest filtr z dwóch kondensatorów elektrolitycznych i dławika (zielony, osiowy na zdjęciu), a obok widać też dławik od przetwornicy oraz puste miejsce na warystor:
Najciekawszy jest jednak moduł WiFi... wylutowałem go za pomocą topnika i plecionki.
CB2S to wedle dokumentacji Tuya BK7231N, ale tutaj mamy BL2028N:
Co więcej, oznaczenia na warstwie opisowej są pomieszane.
Uwaga, jak podłączycie zasilanie wedle pomieszanych oznaczeń z warstwy opisowej to ryzykujecie jego uszkodzeniem!
Poprawne oznaczenie znajdziecie na stronie Tuya:
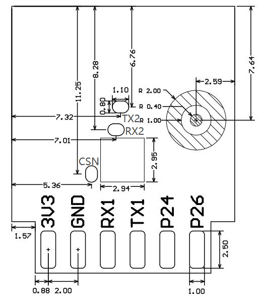
Zmiana firmware i pinologia OpenBeken
Wszystko standardowo, przy czym trzeba patrzeć na oznaczenia ze strony Tuya, a nie te nadrukowane na PCB.
Wedle instrukcji stąd:
https://github.com/openshwprojects/BK7231GUIFlashTool
Starczą cztery kabelki: 3.3V, GND, RX i TX.
To jest BL2028N, ale traktujemy go jak BK7231N. Wszystko działa jak wgramy wersję na BK7231N.
Została kwestia ról wyprowadzeń, czyli które GPIO to przekaźnik, które to przycisk, itd....
- Przycisk 1 - P10
- Przycisk 2 - P11
- Przycisk Parowanie (na obudowie) - P26
- Dioda WiFi - P24
- Przekaźnik 1 - P6
- Przekaźnik 2 - P7
To w sumie tyle. Została jeszcze kwestia sterownika/oskryptowania tego w OBK, ale o tym innym razem. Niecierpliwych odsyłam do tematu kolegi @richardsg307 :
https://www.elektroda.pl/rtvforum/topic3972935.html
https://www.elektroda.com/rtvforum/topic3972935.html
Podsumowanie
To na razie tyle. Sam temat finalnej konfiguracji rolet w OBK opiszę innym razem. Jeśli ktoś ma sterownik rolet na układach od Beken i chce mu zmienić pilnie firmware i potrzebuje tego materiału, to proszę dać znać tutaj lub na PW. W razie czego pomogę i przyśpieszę wydanie tutoriala. Czy ktoś z czytających korzysta ze sterowników rolet na WiFi? Zapraszam do dyskusji.
Fajne? Ranking DIY Pomogłem? Kup mi kawę.
