Witam!!!
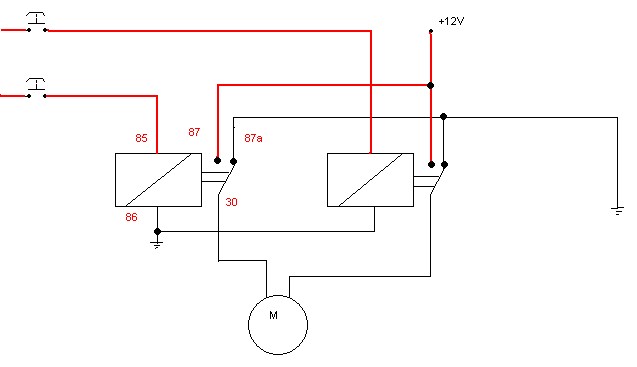
Mam Mechanizm oryginalny do szyb bmw e36, oraz przełącznik z czterwma wyjściami również oryginalny! Problem polega na tym, że nie moge zmienić polaryzacji. Silnik cały czas się kręci w jedną stronę, a w drugą niestety nie ma ochoty, )naciskając do góry i dołu kręci się caly czas w jedna stronę). Zamieszczam schemat jak to mniej więcej połączyłem!
Zamieszczam schemat przełącznika!
Dodano po 2 [godziny] 54 [minuty]:
Nikt nie potrafi pomóc?????
Mam Mechanizm oryginalny do szyb bmw e36, oraz przełącznik z czterwma wyjściami również oryginalny! Problem polega na tym, że nie moge zmienić polaryzacji. Silnik cały czas się kręci w jedną stronę, a w drugą niestety nie ma ochoty, )naciskając do góry i dołu kręci się caly czas w jedna stronę). Zamieszczam schemat jak to mniej więcej połączyłem!
Zamieszczam schemat przełącznika!
Dodano po 2 [godziny] 54 [minuty]:
Nikt nie potrafi pomóc?????
