Witam. Mam skode felicie 1.3 MPI i do lpg nie mam założonego emulatora wtrysków i dlatego chciałem sobie sam wykonac taki emulator.
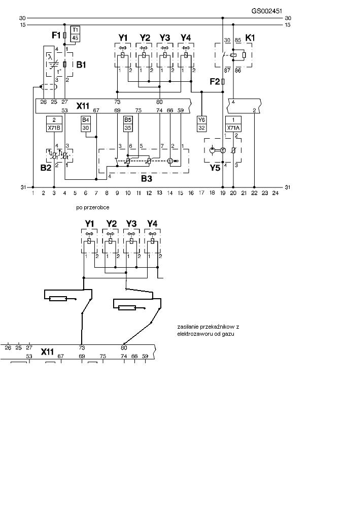
Zastanawiam sie czy zrobic 4 przekaźniki + opornik 16om 5W i do kazdego wtrysku wpiac sie szeregowo? czy 1 przekaźnik?
nie wiem własnie jak zasilane sa wtryski czy parami czy wszystkie naraz?
wymysliłem taki schemat
Zastanawiam sie czy zrobic 4 przekaźniki + opornik 16om 5W i do kazdego wtrysku wpiac sie szeregowo? czy 1 przekaźnik?
nie wiem własnie jak zasilane sa wtryski czy parami czy wszystkie naraz?
wymysliłem taki schemat