Odłączanie i ponowne podłączanie urządzeń do portu COM lub PS2 zawsze stanowiło problem jeżeli komputer był uruchomiony. Nawet wtedy, jeżeli trzeba było zamienić myszy lub klawiatury. Zawsze groziło tym, że podłączone urządzenie nie będzie komunikować się z komputerem i trzeba będzie ponownie uruchomić komputer. W skrajnym przypadku uszkodzeniu mógł ulec komputer, lub urządzenie.
Przed odłączeniem zasilania powinny zostać odłączone linie zegara i danych. I odwrotnie: linie te powinny być podłączone po podłączeniem zasilania.
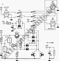
Układ pokazany na rysunku 1 wykonuje elektronicznie sekwencje przełączania. Linie zegara i danych wychodzące z komputera są podłączane do złącza K3 poprzez normalnie zwarte styki przekaźnika RE2 oraz styki przekaźnika bistabilnego RE1. Naciśnięcie przycisku S1 spowoduje uaktywnienie przekaźnika RE2, który odłączy linie zegara i danych. Również gdy przycisk S1 jest wciśnięty to otwiera się przełącznik półprzewodnikowy IC1B zezwalając na naładowanie się kondensatora C4 poprzez rezystor R4. Po około 0,2 sek. poziom napięcia na C4 będzie wystarczająco wysoki aby przełączyć IC1A, co z kolei spowoduje włączenie T1 i uaktywnienie cewki przekaźnika bistabilnego RE1, który doprowadzi linie zegara i danych do złącza K2.
Rysunek 1. Przełącznik zmontowany
Rysunek 2. Schemat przełącznika
Rysunek 3. Płytka drukowana
Rysunek 4. Rozmieszczenie elementów
Gdy S1 zostanie zwolniony to przekaźnik RE2 podłączy linie zegara i danych poprzez złącze K1 do komputera. Należy zauważyć że przycisk S1 musi być wciśnięty przez około 0,5 sekundy aby układ zadziałał poprawnie. Przełączenie powrotne na złącze K3 odbywa się podobnie po przyciśnięciu S2.
Prąd potrzebny do wysterowania przekaźników jest względnie duży jak na możliwości portu szeregowego, więc energia jest zgromadzona w dwóch dużych kondensatorach C2 i C3.
Niedogodnością jest, że układ nie może być używany częściej niż co 30 sekund z powodu konieczności naładowania się kondensatorów.
Oryginalny opis wraz z niezbędnymi danymi znajduje się na http://www.extremecircuits.net/2010/10/keyboardmouse-switch-unit.html
Przed odłączeniem zasilania powinny zostać odłączone linie zegara i danych. I odwrotnie: linie te powinny być podłączone po podłączeniem zasilania.
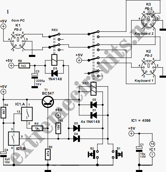
Układ pokazany na rysunku 1 wykonuje elektronicznie sekwencje przełączania. Linie zegara i danych wychodzące z komputera są podłączane do złącza K3 poprzez normalnie zwarte styki przekaźnika RE2 oraz styki przekaźnika bistabilnego RE1. Naciśnięcie przycisku S1 spowoduje uaktywnienie przekaźnika RE2, który odłączy linie zegara i danych. Również gdy przycisk S1 jest wciśnięty to otwiera się przełącznik półprzewodnikowy IC1B zezwalając na naładowanie się kondensatora C4 poprzez rezystor R4. Po około 0,2 sek. poziom napięcia na C4 będzie wystarczająco wysoki aby przełączyć IC1A, co z kolei spowoduje włączenie T1 i uaktywnienie cewki przekaźnika bistabilnego RE1, który doprowadzi linie zegara i danych do złącza K2.
Rysunek 1. Przełącznik zmontowany
Rysunek 2. Schemat przełącznika
Rysunek 3. Płytka drukowana
Rysunek 4. Rozmieszczenie elementów
Gdy S1 zostanie zwolniony to przekaźnik RE2 podłączy linie zegara i danych poprzez złącze K1 do komputera. Należy zauważyć że przycisk S1 musi być wciśnięty przez około 0,5 sekundy aby układ zadziałał poprawnie. Przełączenie powrotne na złącze K3 odbywa się podobnie po przyciśnięciu S2.
Prąd potrzebny do wysterowania przekaźników jest względnie duży jak na możliwości portu szeregowego, więc energia jest zgromadzona w dwóch dużych kondensatorach C2 i C3.
Niedogodnością jest, że układ nie może być używany częściej niż co 30 sekund z powodu konieczności naładowania się kondensatorów.
Oryginalny opis wraz z niezbędnymi danymi znajduje się na http://www.extremecircuits.net/2010/10/keyboardmouse-switch-unit.html
Fajne? Ranking DIY
