Witam.
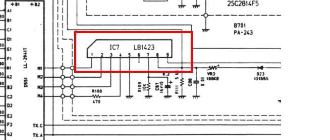
Zacząłem operację polegającą na oddzieleniu panelu radia od całej reszty, oprócz tego chciałem przenieść w inne miejsce gniazdo podłączenia gruszki. Operacja udała się tylko w połowie tzn. radio działa odbieram wszystkich tak jak przedtem, problem pojawia się podczas nadawania bo niestety nie jestem słyszany. Mam podejrzenie, że podczas lutowania przewodów przegrzałem "element elektroniczny" zaznaczony na zdjęciach. Bardzo proszę o pomoc w ustaleniu co to jest, jak sprawdzić i ewentualnie co zastosować w zamian?
Zgodnie z regulaminem naszego forum należy dbać o szacunek dla języka polskiego w swoich wypowiedziach. Przypominam również o punkcie 3.3 regulaminu. /Olek II/
Zacząłem operację polegającą na oddzieleniu panelu radia od całej reszty, oprócz tego chciałem przenieść w inne miejsce gniazdo podłączenia gruszki. Operacja udała się tylko w połowie tzn. radio działa odbieram wszystkich tak jak przedtem, problem pojawia się podczas nadawania bo niestety nie jestem słyszany. Mam podejrzenie, że podczas lutowania przewodów przegrzałem "element elektroniczny" zaznaczony na zdjęciach. Bardzo proszę o pomoc w ustaleniu co to jest, jak sprawdzić i ewentualnie co zastosować w zamian?
Zgodnie z regulaminem naszego forum należy dbać o szacunek dla języka polskiego w swoich wypowiedziach. Przypominam również o punkcie 3.3 regulaminu. /Olek II/
