logo elektroda
logo elektroda
X
logo elektroda
REKLAMA
REKLAMA
Adblock/uBlockOrigin/AdGuard mogą powodować znikanie niektórych postów z powodu nowej reguły.

Problem z Eberspacher B5W SC

koza0007 10 Sty 2005 20:22 20208 37
REKLAMA
  • #1 1126909
    koza0007
    Poziom 12  
    Witam
    Moj problem z tym ogrzewaniem polega na tym, że gdy załącze ogrzewanie przez ok 2 sek załącza się pompa wodna i powietrzna po czym gaśnie mimo, że na wyswietlaczu sterownika cały czas widać ze piecyk pracuje. Co to może być. Czy może to spalona świeca. A może jakis czujnik temp. płynu.
  • REKLAMA
  • #2 1127527
    sedzia
    Poziom 15  
    Witam,

    a patrzyles czy pompka paliwa podaje paliwo ??
  • REKLAMA
  • #3 1127847
    koza0007
    Poziom 12  
    Nie bedzie podawac bo tak jak napisalem po 2 sekundach wszystko staje. A w normalnej pracy pompka powinna podawać paliwo dopiero po ok 60sek rozruchu, wiec to nie pompka.
  • REKLAMA
  • #4 1128216
    Stefanek1
    Poziom 26  
    Jak to po 60 sek dopiero podaje pomka, a minutę wcześniej na czym chodzi na 'gazie' ?
    Z tego co piszesz to może być własnike pompka - brak paliwa, nie podaje.
    Świeca to raczej nie, bo ona się rozgrzewa dłuzej niż 2 sek, zanim webasto zaskoczy.
    Myśle o sterowaniu, czy aby nie masz tam namieszane.
    A jak było wcześniej, zapalało bez problemu ?
    Jakie to autko ?
    Pozdr.
  • #5 1129693
    koza0007
    Poziom 12  
    No moze nie po 60 ale po ok 30 sek.
    Zawsze było tak ze je wlaczylem - zaczeła chodzic pompka wodna, po chwili pompa powietrza, po ok 30sek zaczynalo podawać paliwo i nastepowal zaplon. To była normalna praca wedlug schematu z ksiązki
  • #6 1130678
    sedzia
    Poziom 15  
    Tu masz racje urzadzienie to tak dziala tzn po okolo 30 do 60 sek pompka paliwa powinna zaczac podawac paliwo. Te 30 sek jest po to by przedmuchac piec i wydmuchac spaliny z komory spalania.

    Jak stare jest to urzdzenie ???
  • #7 1133416
    koza0007
    Poziom 12  
    ok 4 lata
  • #8 1133505
    Konto nie istnieje
    Konto nie istnieje  
  • #9 1147027
    koza0007
    Poziom 12  
    Tez właśnie o tym myslałem tylko nie byłem pewny
  • REKLAMA
  • #10 1168508
    skylark
    Poziom 25  
    Właściwie uszkodzone może być wszystko... Obojętnie jaka usterka elektryczna wystąpi na samym urządzeniu lub jego osprzęcie, to i tak wyłączy się po takim samym czasie.
    Jeśli zastosowany jest duży zegar to po wyłączeniu usterkowym powinien wyświetlić się kod błędu F...
    Jeśli jest minizegar to niestety dalej nic nie wiemy.
    Z doświadczenia mogę tylko powiedzieć, że najczęstszą usterką elektryczną jest uszkodzenie sztyftu żarowego (jak kto woli świecy) i dmuchawy powietrza spalania.
  • #11 1181914
    koza0007
    Poziom 12  
    U mnie jest duzy zegar i nic się nie wyswietliło. Okazało się, że to świeca
  • #12 4272056
    Brutal123
    Poziom 13  
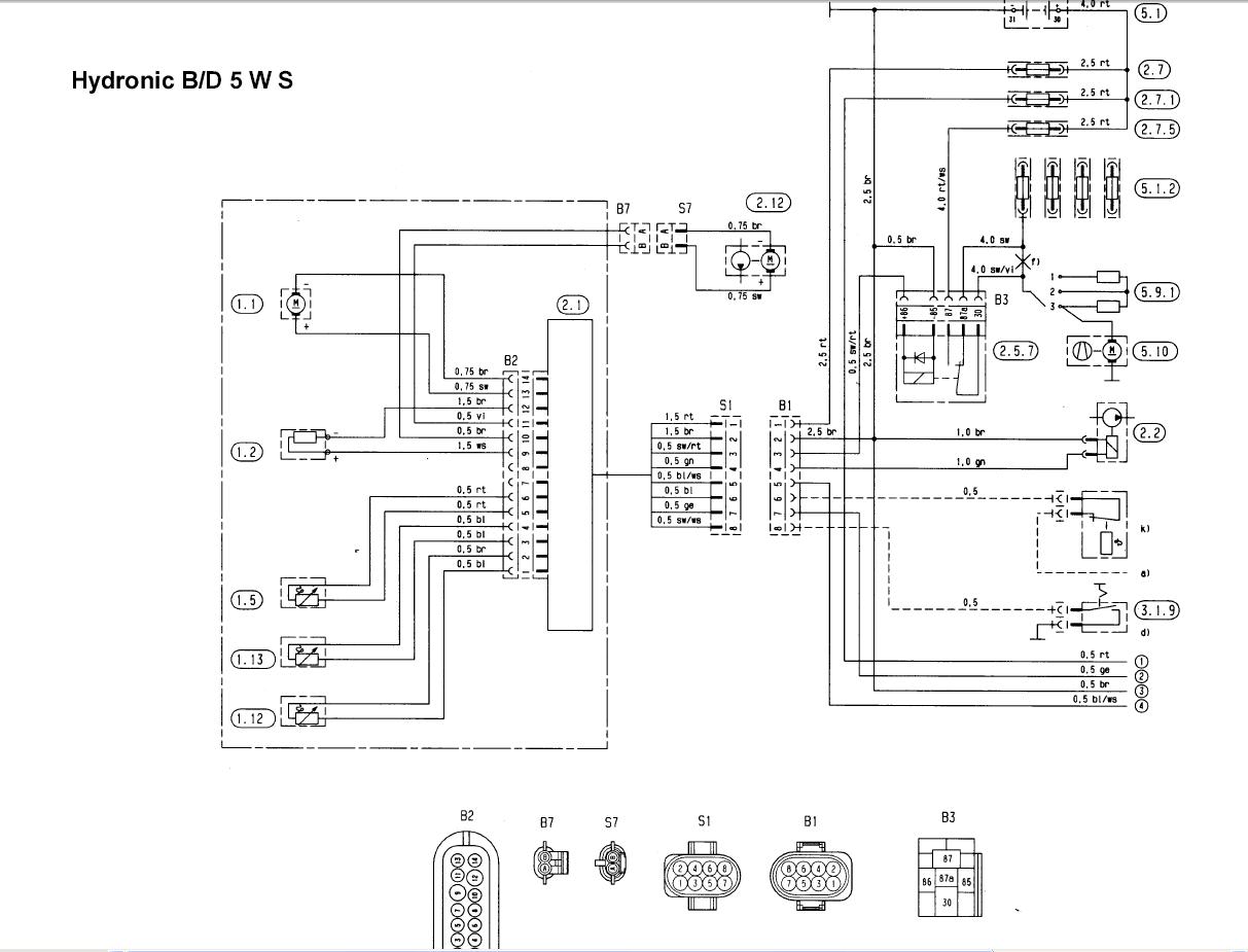
    Może ktoś ma jakąkolwiek dokumentacje do tego ogrzewania najbardziej by mi chodziło o schemat połączeń bo niedawno kupiłem i nie wiem jak to mam podłączyć a nie chce niczego spalić .
  • #13 4273195
    SP7SEC
    Poziom 28  
    to chwilowe włączenie to jest test elementów wykonawczych ,i tak samo robi ze świecą i czujnikiem płomienia, jeśli któryś z tych elementów nie potwierdzi poprawnwgo działania to nie wystartuje ,podaj numer ze sterownika lub z urządzenia to wyśle ci schemat i algorytm działania
  • #14 4309027
    krzysiek-blaz
    Poziom 11  
    witam zakupilem takie webasto za marne pieniadze ale nie mam kabelka tego co laczy zegar ze sterownikiem i nie mam pojecia jak to podlaczyc. wszystko dzial ale jak recznie wlaczylem dmuchawe i swiece na przekazniku i podalem paliwo. komputer po podlaczeniu do pradu nie daje zadnego impulsu poprostu nic sie nie dzieje.nr z zegara to:25 1482 73 00 00 a numery z webasta to : eberspacher b5w 20167701 sp200ab15. wszystko wyciagniete z golfa mk2 z roku 89. pozdrawiam
  • #15 4331807
    Walde_mik
    Poziom 2  
    Witam, mialem to samo ze swoim B5W, po wymianie plynu chlodzacego zapowietrzyl sie uklad, nie odpowietrzylem wlasciwie i przy uruchomieniu doszlo do przegrzania. Objawy byly identyczne, dmuchawa i pompa wody startowaly na chwile, po czym sie wylaczaly a na wyswietlaczu dalej byla sygnalizowana praca. Okazalo sie ze przyczyna braku pracy byl bezpiecznik termiczny umieszczony pod czarna pokrywa na gorze pieca. W zaleznosci od wersji byl stosowany bezpiecznik (nie wiem dokladnie jaki) lub, jak u mnie mikrostycznik, ktory w przypadku przegrzania ukladu sie rozlaczal i powodowal problemy o ktorych wspomniales. Wystarczylo go wcisnac i po klopocie.
  • #16 4350379
    Brutal123
    Poziom 13  
    Pytanie raczej z podstaw do tej pory myślałem że to ogrzewanie ma wbudowaną pompkę paliwa ostatnio wniknąłem do środka urządzenia i raczej nic tam pompki nie przypomina.. Jaką należałoby pompkę zastosować i ile ona może kosztować ??? Dane ze sterownika B5W SC 20 1753 28470AF S288 S 053684 25 1917 55 00 02 12V 5HB 007 705-20 ( więcej numerów nie znalazłem ) jak by ktoś miał jakąś dokumentację, instrukcje obsługi czy osobiste sugestie jak to podłączyć to bylbym wdzięczny brutal123(_at_)vp.pl[/img]
  • #19 4423231
    Brutal123
    Poziom 13  
    Podłączyłem działa !! tylko gaśnie na stopniu POWER (F53) nie jestem pewien podłączenia pompki paliwa ale skoro odpala to chyba ok ?? Może to dlatego że nie założyłem jeszcze tłumika... Wie ktoś gdzie można kupić za rozsądną cenę aluminiową elastyczną rurkę doprowadzającą powietrze do komory spalania ?? ( na allegro patrzyłem i nie znalazłem) No i jeszcze jedno pytanie mam do tego ogrzewania pilota jak wciskam on to zapala się na nim na kilka sekund czerwona dioda ale na zegarze modułowym nic się nie pojawia i nie startuje może trzeba go jakoś uzbroić jak pilot od niektórych zamków centralnych ??
  • #20 4429209
    skylark
    Poziom 25  
    Może zastosowałeś nie taką pompkę paliwa. Jaki ma numer?
  • #21 4429383
    Brutal123
    Poziom 13  
    Pompka raczej ok umieściłem ją za wysoko i ciężko miała pod górkę obniżyłem ją na wysokość ogrzewania i już nie przygasa. Jak wejść w tryb strojenia pilota ??
  • #23 5081428
    slawekzz
    Poziom 12  
    Czy zegarem 25 1482 73 00 00 można diagnozowac EBERSPACHER D3W
  • #24 5443454
    enjoy83
    Poziom 10  
    Podłączam pdf. z pełnymi informacjami do Hydrotonica 4 i 5; mam nadzieje, że się przyda, są tam pełne schematy, dane, schematy montażowe, i elektryczne, pełna instrukcja w dodatku po angielsku, a nie niemiecku.
    Pozdrawiam.
    Załączniki:
  • #25 5751084
    medykps
    Poziom 11  
    koza0007 napisał:
    U mnie jest duzy zegar i nic się nie wyswietliło. Okazało się, że to świeca
    Mam podobny problem z tym że mi pompa wodna miesza jakieś 5-7 sekund potem 2 cyknięcia i cisza.Czy też tak miałeś?
  • #26 7242035
    Brutal123
    Poziom 13  
    Zima tuż tuż a mój eber (B5W SC) zaniemógł kompletnie . Po włączeniu wygląda to mniej więcej tak :rusza pompa wodna później dmuchawa osiąga dosyć wysokie obroty przystaje na sekundę i znów lekko przyspiesza i wszystko zamiera . Wyświetla się błąd F30 . Rozebrałem tą nieszczęsną dmuchawę ale nie wygląda żeby była wyzuta raczej wszystko ok . Ten błąd już mi się wcześniej wyświetlał ale po ponownym uruchomieniu ogrzewanie odpalało . Co radzicie ?
  • #27 7248715
    Stefanek1
    Poziom 26  
    Brutal123 napisał:
    Zima tuż tuż a mój eber (B5W SC) zaniemógł kompletnie ............. Co radzicie ?

    Skasować błąd, Pozdr.
  • #29 7473026
    Counterox
    Poziom 11  
    Dziękuje ślicznie za schemat 4 i 5 :)

    Jeśli uda mi się naprawić, to napiszę
  • #30 8738054
    Pajero 89
    Poziom 1  
    witam mam problem z webasto 25 1482 73 00 00 mam je zamontowene w pajero z 89 roku TDI mam pytanie czy ono jest na rope czy tez moze byc na prąd z akumulatora wogóle to mam takiego pilota do sterowania ze kosmos boje sie co kolwiek nacisnąc zeby nim swiatła w olsztynie nie zgasic w miescie prosze o pomoc lub podpowiedz pozdrawiam
REKLAMA