logo elektroda
logo elektroda
X
logo elektroda
REKLAMA
REKLAMA
Adblock/uBlockOrigin/AdGuard mogą powodować znikanie niektórych postów z powodu nowej reguły.

Poprawne zasilanie diod Luxeon Star

zasoby 24 Maj 2005 18:05 16375 21
REKLAMA
  • Diody Luxeon Stary to najpotężniejsze źródła światła używane przeważnie w latarkach z wyższej półki, nie ma porównania do zwykłych białych LED. Ich koszt jest dosyć duży bo wynosi prawie 40PLN za sztukę. W zasilaniu tych diod bardzo ważną rolę odgrywa prąd i powinien wynosić od 350mA do 700mA a nawet 1000mA (w zależności od serii).

    Przykład układu umożliwiającego stabilizowanie prądu. Zasilanie z 3 akumulatorków, typowo 3.6V.
    Załączniki:
    • Poprawne zasilanie diod Luxeon Star luxeon star.jpg (18.16 KB) Musisz być zalogowany, aby pobrać ten załącznik.
    • Poprawne zasilanie diod Luxeon Star luxeon star.gif (2.98 KB) Musisz być zalogowany, aby pobrać ten załącznik.

    Fajne? Ranking DIY
    O autorze
    zasoby
    Poziom 23  
    Offline 
    zasoby napisał 784 postów o ocenie 445, pomógł 4 razy. Jest z nami od 2002 roku.
  • REKLAMA
  • #2 1521560
    wamp.ir
    Poziom 10  
    Posty: 54
    Ocena: 3
    Można podłączyć bezpośrednio do zasilania ?
  • #3 1522017
    UBL21
    Poziom 20  
    Posty: 322
    Pomógł: 34
    Ocena: 51
    Nie widzę tu żadnego stabilizatora prądu.
  • #4 1522214
    cikol
    Poziom 27  
    Posty: 983
    Pomógł: 61
    Ocena: 38
    UBL21 napisał:
    Nie widzę tu żadnego stabilizatora prądu.


    T1 z R1 tworzy źródło prądowe.
  • REKLAMA
  • #5 1522326
    UBL21
    Poziom 20  
    Posty: 322
    Pomógł: 34
    Ocena: 51
    cikol, dla mnie jest to dalej tylko wzmacniacz prądu stałego i nie widzę układu który wymusza przepływ prądu o stałym natężeniu przez obciążenie. Może mnie oświecisz jak działa ta stabilizacja prądowa.
  • #6 1522683
    coolombo
    Poziom 29  
    Posty: 1456
    Pomógł: 72
    Ocena: 59
    Lepszy byłby układ impulsowej przetwornicy umożliwiający zasilanie z większej ilości ogniw.
  • REKLAMA
  • #7 1522834
    TABSIOR
    Poziom 24  
    Posty: 564
    Pomógł: 59
    Ocena: 55
    UBL21: Do bazy "wpływa" prąd ok 5mA - z prawa Ohma - 3,6V/680Ω. Między kolektorem a emiterem przepływa prąd β (hFE) razy większy. W przypadku tranzystora BC639 wynosi od 63 do 250 - dlatego należy dobrać rezystor, a najlepiej wstawić zamiast niego potencjometr i ustawić prąd na odpowiedni.
  • #8 1522985
    zipp
    Poziom 15  
    Posty: 77
    Pomógł: 6
    Ocena: 13
    TABSIOR, jak dobierzesz juz odpowiedni tranzystor, to zrob mu jeszcze stabilizacje temperatury, bo inaczej nie bedzie "trzymal" wzmocnienia.
    Jednym slowem uklad do bani.
    Jezeli te diody rzeczywiscie wymagaja takiej stabilizacji pradu, to bez zrodla pradowego na niskonapieciowym wzmacniaczu operacyjnym sie nie obejdzie. Przy wyzszym napieciu zasilajacym, tak jak pisal coolombo, to najlepsza przetwornica impulsowa.
  • #9 1522997
    Press
    Poziom 24  
    Posty: 566
    Pomógł: 69
    Ocena: 40
    Po pierwsze z prawa ohma to nie 3,6V/680Ω tylko (3,6 - 0,6)V/680Ω - kolega tabsior zapomniał o spadku napiecia na złaczu BE tranzystora.

    Po drugie rezystor trzebaby dobierac indywidualnie do konkretnego tranzystora, bo te nawet w zakresie jednej partii produkcyjnej mają spore rozrzuty β

    Po trzecie podobnie jak kolega UBL21 ni widze tu zadnego źródła prądowego (ktoś tu chyba nie zna definicji tego wynalazku) żródło pradowe utrzymuje prad o stałej wartości. Golson, przemyśl działanie tego układu nie tylko przy napieciu nominalnym, ale i przy spadku napiecia spowodowanym rozładowaniem akumulatorków.

    tak na koniec to jeszcze zgodze sie z UBL21 ze jest to wzmacniacz prądu. A jak chcecie proste źrudło pradowe, to polecam chocby przeglądniecie data sheeta do stabilizatorów serii 78XX.
  • #10 1523331
    SP5IT
    VIP Zasłużony dla elektroda
    Posty: 11569
    Pomógł: 1295
    Ocena: 1669
  • #11 1523482
    timi1
    Poziom 12  
    Posty: 115
    Pomógł: 1
    Ocena: 10
    być może diody luceon maja wbudowane układy regulacji napiecia, w takim wypadku układ może faktycznie tochę stabilizować, jeśli nie to układ zabezpiecza jedynie przed zbyt niskim napieciem zasilania.
  • REKLAMA
  • #13 1524130
    SP5IT
    VIP Zasłużony dla elektroda
    Posty: 11569
    Pomógł: 1295
    Ocena: 1669
    Mr. CEWKA napisał:
    Tu jest gotowa dioda do latarek, prawdopodobnie ze stabilizacją.

    http://www.luxeonstar.com/item.php?id=953&link_str=178&partno=TLE6

    Gdzie można ją (lub inne) kupić w Polsce?
    /Wa-wa lub wysyłkowo/


    Nie polecam.
    Zajrzyj na www.candlepowerforums.com
    Są lepsze rozwiązania i nie takie drogie :)
    Michał
  • #14 1752560
    zasoby
    Poziom 23  
    Posty: 784
    Pomógł: 4
    Ocena: 445
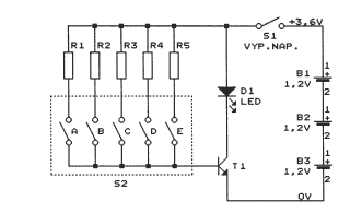
    Podobne rozwiązanie z możliwością regulacji jasności świecenia. Na 3 akumulatorkach AA wytrzymuje od 2000h dla 1mA do 6h dla 350mA. Rezystory R1-R5 najlepiej dobrać doświadczalnie w zakresie od 100k-10M tak aby prąd przepływający przez diodę luxeon przy załączeniu S2A wynosił 1mA, S2B - 7mA, S2C- 40mA, S2D - 120mA, S2E - 350mA.
    Załączniki:
    • Poprawne zasilanie diod Luxeon Star luxeon regulacja.gif (8.28 KB) Musisz być zalogowany, aby pobrać ten załącznik.
  • #15 1768316
    TABSIOR
    Poziom 24  
    Posty: 564
    Pomógł: 59
    Ocena: 55
    2 000h ? Tylko teoretycznie, akumulatorki mają prąd samorozładowania rzędu 1-1,5%C/dzień.
  • #16 1783259
    zasoby
    Poziom 23  
    Posty: 784
    Pomógł: 4
    Ocena: 445
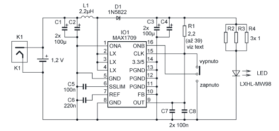
    Jeszcze jedno rozwiązanie poprawnego zasilania diod Luxeon Star, tym razem na układzie scalonym Maxima MAX1709. Zasilanie tylko na jednym akumulatorku AA 1,2V - czas pracy od 1-2h

    R2-R4 to rezystory SMD 1Ω. Większość elementów w postaci SMD
    Załączniki:
    • Poprawne zasilanie diod Luxeon Star luxeonmax_pcb.gif (87.9 KB) Musisz być zalogowany, aby pobrać ten załącznik.
    • Poprawne zasilanie diod Luxeon Star luxeonmax.gif (17.01 KB) Musisz być zalogowany, aby pobrać ten załącznik.
  • #17 3063765
    mlody_elektronik
    Poziom 27  
    Posty: 1183
    Pomógł: 28
    Ocena: 17
    Witam !!

    A słyszeliscie o zasilaniu tej diody prode wyzszym niz nominalnym ?? Oczywiscie nie ciagle tylko odpowednim wypelnieniem.

    Interesuje mnie zasilanie diody 3W luxeona z zasilania 3,0-3,6V wlasnie tak. Aby uzyskac zamiast ok 90Lm upragnione ok 120L. Wszystko by zmiecnic na plytce o srednicy 15mm. Mysle ze to do wykonania tylko potrzeba schematu i wszystko wykonac w SMD. Bo z podniesieniem napiecia z 3,6 na ok 7 nie powinno byc problemu. Nastawic wypelnienie na 30% i powinno sie udac...
  • #18 3436355
    kedzil
    Poziom 2  
    Posty: 2
    SP5IT napisał:
    Proponuję taki zasilanie:
    http://home.mchsi.com/~lambda_lights/miniprokit.htm

    Robiłem, działa wyśmienicie :)
    Michał


    Witam,

    wykonałem układ wg schematu z powyższej strony na elemencie MAX1797. Zastosowałem pojemności i indukcyjność takie jak opisuje producent w specyfikacji:http://pdfserv.maxim-ic.com/en/ds/MAX1795-MAX1797.pdf
    tj. Cin=Cout=47uF; L=22uH.

    podłączyłem układ do diody 3W (noname) i zasiliłem z 3 baterii AAA (szereg). Wszystko OK, świeci jasno, nawet gdy przy zasilaniu bezpośrednim świeciło bardzo słabo, jednak trwa to tylko kilkadziesiąt sekund. Później dioda przygasa prawie do zera (czy to możliwe, że wydajność prądowa baterii jest za słaba, nawet przy zastosowaniu wspomnianego ukłau ?).
    Prosiłbym o jakieś opinie (szczególnie nt. elementów C,L oraz ewentualnej modyfikacji układu i powodów opisanego stanu rzeczy).

    pozdrawiam
  • #19 3683624
    Calineczka*
    Poziom 31  
    Posty: 2114
    Pomógł: 76
    Ocena: 59
    Kedzil, znalazłeś problem? Sprawdzałeś spadek napięcia na bateriach? Może układ się grzeje i zabezp.termiczne działa?
  • #20 3849120
    c++
    Poziom 22  
    Posty: 698
    Pomógł: 29
    Ocena: 9
    Witam,
    a ja zasilam trzema aku. 1,2V 3600mAh, działa wysmienicie od ponad miesiaca. latarka swieci jakies 4 godziny. Dodam, ze nie stosuje zadnej przetwornicy.
    ZPDR
  • #21 5536739
    ivan drago
    Poziom 10  
    Posty: 8
    ~kedzil

    Ja tam się bardzo nie znam, ale w zacytowanej przez Ciebie nocie katalogowej jest napisane
    Cytat:
    The input voltage range is +0.7V to VOUT, where VOUT
    can be set from +2V to +5.5V. [...] The MAX1795/MAX1796/MAX1797 have a
    preset, pin-selectable 5V or 3.3V output.

    Dla mnie to oznacza, że na wejście układu nie możesz podać napięcia wyższego niż chcesz mieć na wyjściu (to jest przetwornica step up!). Zasilasz z trzech baterii, czyli na wejściu podajesz ±4.5 czyli więcej niż na wyjściu na diodę (układ daje 3,3V). No i może coś się tam pali bo zmuszasz MAXa do pracy, do której nie jest przystosowany.

    Jestem początkujący i mogę nie mieć racji :|
  • #22 5552017
    Ronin64
    Poziom 35  
    Posty: 2873
    Pomógł: 248
    Ocena: 347
    Co do MAX1709 to bardzo dobry scalak i można robić na nim bardzo dobre przetwornice.

Podsumowanie tematu

✨ Dyskusja dotyczy poprawnego zasilania diod Luxeon Star, które wymagają stabilizacji prądu w zakresie od 350mA do 1000mA w zależności od serii. Proponowany układ z tranzystorem T1 i rezystorem R1 jest krytykowany jako jedynie wzmacniacz prądu, a nie prawdziwe źródło prądowe, które utrzymuje stały prąd niezależnie od zmian napięcia zasilania czy temperatury. Zalecane są bardziej zaawansowane rozwiązania, takie jak impulsowe przetwornice DC-DC lub układy z niskonapięciowymi wzmacniaczami operacyjnymi. Wskazano na konieczność stabilizacji temperaturowej tranzystora oraz indywidualnego doboru rezystorów ze względu na rozrzuty parametrów tranzystorów. Podano przykłady gotowych rozwiązań i schematów, m.in. z wykorzystaniem układów scalonych MAX1709 i MAX1797, które umożliwiają zasilanie diod z pojedynczego akumulatorka AA lub z trzech ogniw. W praktyce pojawiają się problemy z wydajnością prądową baterii i spadkiem jasności diody po krótkim czasie pracy. Dyskutowano także o możliwości zasilania diody Luxeon 3W napięciem wyższym niż nominalne z modulacją wypełnienia, co pozwala na zwiększenie jasności przy zachowaniu bezpieczeństwa termicznego. Wskazano, że układy stabilizujące prąd powinny być dobrane z uwzględnieniem spadków napięć na złączach tranzystorów oraz zmienności parametrów elementów. Polecano konsultację dokumentacji technicznej i forów specjalistycznych dla optymalizacji układów zasilania diod Luxeon Star.
Wygenerowane przez model językowy.
REKLAMA