logo elektroda
logo elektroda
X
logo elektroda
Adblock/uBlockOrigin/AdGuard mogą powodować znikanie niektórych postów z powodu nowej reguły.

spawarka trójfazowa - schematy sterowników do regulacji prądu

ANTEQ 27 Mar 2003 18:17 20494 27
  • #1 151259
    ANTEQ
    Poziom 14  
    potrzebuje informacji na temat sterowania moca w spawarkach z transformatorami trojfazowymi najlepiej jakies schematy sterownikow.moze ktos ma schematy takiego sterownika albo czegos podobnego?? skladam sobie spawarke ichcialbym ja zrobic sam a nie kupic caly sterownik u kogos bo to zadna atrakcja. http://www.kki.net.pl/~design77/Design/3faz.html schematy tych dodatkow do niego tez by sie przydaly.
  • #2 152948
    ankuch
    Spoczywaj w Pokoju
    Heh, a po co Ci płynna regulacja prądu spawania ?? Wystarczy 5-6 skokowo ustawianych zakresów. Precyzja spawania drobnych elementów elektrodą w otulinie jest wątpliwa. Jeśli chcesz się bawić w precyzyjne spawanie to polecam metodę MIG-MAG, nie zostawia tzw. "szlaki" a wielkość i grubość elementów spawanych może być naprawdę niewielka, poza tym możesz, przy zastosowaniu jako gaz osłonowy - argonu, spawać metale kolorowe. Bardziej wyrafinowaną metodą jest TIG.
    I w tych metodach prąd spawania w większości przypadków jest ustawiany skokowo i jest to zupełnie wystarczające.
    Niestety, wykonanie takiego urządzenia przez amatora jest znacznie trudniejsze niż tradycyjnej spawarki, choć wszystko zależy od chęci i zacięcia konstruktora.
    Niestety, moim zdaniem stosowanie płynnej regulacji prądu spawania w tradycyjnych spawarkach, nawet tych na prąd stały, jest wielką przesadą. Przy wprawnej ręce, prąd ten możesz sobie regulować długością łuku elektrycznego, jeśli o spawaniu masz mierne pojęcie to żadne cuda Ci nie pomogą.
    P.S. MIG-MAG-iem spawam już 15 lat i uważam tę metodę za najłatwiejszą ze wszystkich, wystarczy 4-5 godzin nauki.
  • #3 153278
    ANTEQ
    Poziom 14  
    uprawnien spawacza niemam ale zdarzylo mi sie juz spawac kilka skomplikowanych i precyzyjnych konstrukcji spawara transformatorowa i elektrodami otulonymi.troche mnie to czasu i czasami wzroku kosztowalo ale wszystko sie trzyma i chodzi.moim zdaniem niewazne czym sie spawa tylko jak sie spawa wiadomo ze niektorymi technikami jest latwiej lub trudniej ale jest do zrobienia.niemowie o spawaniu transformatorem zeliwa,aluminium lub metali kolorowych.wiem ze najlatwiej jest kupic spawarke lub migomat ale zrobienie czegos takiego samemu to juz inna bajka.mogla by to byc regulacja skokowa jezli mialbym jakies materialy jak ja wykonac.czy dysponuje ktos jakimis konkretnymi schematami sterownikow. do regulacji plynnej lub skokowej.
  • #4 153472
    bolek
    Poziom 35  
    że tak tylko wspomnę, chcecie kupić elektrody bambusowe?
    :D
  • #5 167540
    ANTEQ
    Poziom 14  
    czy nikt mi nie pomoze w tym temacie?? na sterowanie jako taki pomysl juz mam ale niewiem jak rozwiazac problem wygaszania tyrystorow. prad z kolejnej fazy podtrzymuje przewodzenie tyrystora i po regulacju!!:((( a dodatku jest to temat mojej dyplomowki i juz ja powinienem dawno oddac.a wciaz niemam wszystkich materialow i pomyslu jak to zrobic zeby dobrze dzialalalo
  • #6 167620
    POL02
    Specjalista AGD
    Witam.
    Układ będzie pracował poprawnie przy obciążeniu indukcyjnym wtedy gdy będzie miał synchronizację napięciową i prądową i będzie sterowany z kości np.U209B a elementem wykonawczym będzie triak.
  • #7 169180
    ANTEQ
    Poziom 14  
    a w jaki sposob najlepiej ztealizowac synchronizacje pradu i napiecia?? nie mam za wiele czasu zeby wszystko samemu dopracowac.dzieki za ewentualna pomoc!!
  • #8 169248
    POL02
    Specjalista AGD
    Witam.
    Najlepiej zastosuj ten układ i będziesz miał sprawę z głowy.
    Aplikację postaram się wysłać na forum.
  • #9 170088
    ANTEQ
    Poziom 14  
    ale skad w spawarce wziasc obciazenie indukcyjne?? bo jesli zastosuje regulacje na pierwotnym to bedzie glownie regulacja napieciowa a jak napiecie bedzie za niskie to mimo pradu łuk sie nie zapali!!??jak sadze.a w dodatku trafo bedzie pracowalo w innych warunkach jesli bede mu podawal mniejsze napiecia na pierwotne.
  • #10 176518
    POL02
    Specjalista AGD
    Witam.
    Sama spawarka jest dla sieci obcjążeniem rezystancyjno indukcyjnym.
    Do zapalenia łuku potrzeba około 70V.
    Do spawania już tylko 30V.
    Budowane są układy z taką regulacją,że łuk zapala sie przy 70V a po tym napięcie spada automatycznie do 30V przy spawaniu.
    W takich rozwiązaniach moc spawarki może być mniejsza.
    Jnnym rozwiązaniem iest zastosowanie małego transformatora dołączanego tylko na czas rozruchu (zapalenia łuku).
    Główny transformator wtedy buduje się na 30V a nie na 70V.
  • #11 180551
    owcz
    Poziom 12  
    ANTEQ napisał:
    ale skad w spawarce wziasc obciazenie indukcyjne?? bo jesli zastosuje regulacje na pierwotnym to bedzie glownie regulacja napieciowa a jak napiecie bedzie za niskie to mimo pradu łuk sie nie zapali!!??jak sadze.a w dodatku trafo bedzie pracowalo w innych warunkach jesli bede mu podawal mniejsze napiecia na pierwotne.


    Trafo stanowi to obciążenie. Dopóki nie przekroczysz kąta pi/2 nie będzie spadku napięcia (szczytowego).
    Zbudowalem ten uklad ze strony "design" coś tam. Tylko zmienilem troche niektóre elementy. Na U209B i działał całkiem dobrze przy spawaniu elektrodą do 70% całkowitej regulacji. Potem trochę łuk jest niestabilny, gaśnie.
    Później wykorzystałem ten sterownik i trafo jako źródło prądu do budowy TIGa AC/DC, ale to nie te koszty i inna bajka.
    M.O.
  • #12 180611
    ANTEQ
    Poziom 14  
    a masz jeszcze schemat tego sterownika? ułatwilo by mi robote gdybym mogl sie oprzec na czyms co dziala.
  • #13 181410
    ANTEQ
    Poziom 14  
    zastosowales jeden uklad czy po jednym na kazda faze?? bede wdzieczny za pomoc chociaz schemat zaoszczedzil by mi sporo pracy.
  • #14 182229
    owcz
    Poziom 12  
    Zeskanuje i wyśle, dokładnie ten na ktorym zbudowany jest sterownik oferowany w internecie. Postaram sie w piatek bo nie mam skanera.
    Ten schemat to żadna sensacja, uproszczony schemat aplikacyjny z pdf'a do U209B.

    Trojfazowy to 3 scalaki, 3 triaki i 1 potencjometr do regulacji.

    Na elektrodzie jest regulator po stronie wtornej ale z błędem.

    M.O.
  • #15 183364
    SIEKIERA_666
    Poziom 21  
    Witam wszystkich

    Kiedyś wpadł mi w rece schemat prostownika spawalniczego TEP 1250 produkowanego przez Bester lub Ozas (chyba).
    Taki olbrzym stacjonarny do zasilania kilku stanowisk. Prad spawania do 1250[A]. Prostownik 3X dioda + 3X tyrystor + sterowanie. Jeżeli kogoś interesuje to jutro wstawię załączniki.

    :sm19:
  • #16 183637
    bodziofun
    Poziom 12  
    Owszem, owszem powiem nawet że bardzo interesuje a szczególnie ta regulacja.
  • #17 183930
    ANTEQ
    Poziom 14  
    ja tez oczywiscie jestem zainteresowany:))
  • #18 184191
    SIEKIERA_666
    Poziom 21  
    Witam

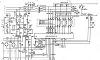
    Zgodnie z obietnicą zamieszczam schematy.
    Osobiście jestem zwolennikiem spawarek opartych na przetwornicach o mocach powyżej 2[kW]. Gdyby ktos przypadkiem był w posiadaniu takowego to z góry dzięki.
  • #19 185593
    0__0
    Poziom 30  
    ANTEQ napisał:
    moim zdaniem niewazne czym sie spawa tylko jak sie spawa wiadomo ze niektorymi technikami jest latwiej lub trudniej ale jest do zrobienia.niemowie o spawaniu transformatorem zeliwa,aluminium lub metali kolorowych..


    Nie wiem czy wiesz ale do spawania zeliwa spawarka transformatorowa
    dostepne sa specjalne elektrody. Nie sa one moze tanie ale w sytuacjach
    awaryjnych :) - ja uszkodzilem zeliwny korpus od pompy ; znajomy spawacz zaproponowal mi ze jesli kupie elektrody to pospawa mi to i rzeczywisci mimo ze minelo juz kilka lat pompa nadal dziala i jest szczelna. Wg jego slow nie mozna spawac nimi tylko zeliwa przegrzanego czyli np kolektora wydechowego od samochodu.
    A co do mnie do uzywam w domu MAGa i jest to chyba jedno z najtrafniej kupionych narzedzi - zadna transformatorowka nie dorowna mu uniwersalnoscia
  • #20 185828
    ANTEQ
    Poziom 14  
    sa tez elektrody do aluminium i bambusa:)) zeliwo nalezy do stopu niespawalnego lub w zaleznosci od skladu trudno spawalnego.to ze ci sie to trzyma to zalezy glownie od spawacza i tego ze alwementow pomp nie wykonuje sie z kruchych odmian zeliwa , ze wzgledu na udary i wibracje.pospawanie nawet najlepsza elektroda nie przynosi prawie zadnego efektu moze sluszales ze aby pospawac elementy zeliwne nalezy je przed spaawaniwm przez wiele godzin nabrzewac palnikami lub w specjalnych piecach do odpowiedniej temperatury a nastepnie tez odpowiednio wystudzic bo inaczej zaraz ci to peknie. a co do Mag`a to czy spawales kiedys "wirowka"?spawarka oparta na trafie trojfazowym z prostownikiem i dobrym sterowaniem(regulacja pradu spawania)jest porownywalna do wirowki albo nawet ma lepsze paraametry spaawania.zastosowanie odpowiednich elektrod ktorych otulina jak pewnie wiesz zastepuje oslone gazowa stosowana w magu umozliwia spawanie w wiekszym zakresie niz magiem.napisalem to troche po swojemu a dokladniejsze informacje znajdziesz w ksiazkach.
  • #21 192588
    radiomechanik
    Poziom 23  
    nie tak łatwo jest wykonać regulator pradu do spawarki . kiedyś naprawiałem spawarki z elektroniczną regulacjąmocy - odbywało się to poprzez regulację prądu stałego płynącego w dodatkowym uzwojeniu podmagnesowującym - regulującym nasycenie rdzenia trafo ....
    tak wiec życze powodzenia z nierównym tematem ,
  • #22 192733
    danko
    Poziom 12  
    Bardzo dobra rzecz, przydła by się każdemu

    danko............
    narka............ 8)
  • #23 194223
    SIEKIERA_666
    Poziom 21  
    Witam wszystkich

    :arrow: radiomechanik

    Piszesz chyba o transduktorze - tak zdarzaja sie takie rozwiązania. Jednak są dosyc stare (tak mi sie przynajmniej wydaje) i występuja dość znaczne straty mocy. Pracowałem kiedys przez 4 lata w zakładzie który remontował takie spawarki (a było ich chyba z 300). w wykonaniu amatorskim nie polecam takiego rozwiązania.Fakt , że regulator ograniczał sie do zasilacza prądu stałego ( ok 25 - 40V 8A) , ale transduktor był wielkości transformatora spawalniczego. w dodatku składał sie z 3 oddzielnych rdzeni EI ułożonych jeden nad drugim ze wspólnym wielkim uzwojeniem na środkowej kolumnie każdego rdzenia. Amatorskie spawarki wykonane w domowych warsztatach maja mniejsze rozmiary niż sam transduktor. Poza tym w wiekszości rozwiązań stosuje się już prostowniki tyrystorowe- albo stosowało. Wystarczy spojrzeć na oferte handlową Ozas Opole - Faltig 200 , 400 (te były na topie jeszcze 2 lata temu). Wszystkie te urządzenia są przetworniczami (pow. 10kHz) o mocach powyżej 6 kW. Dodatkowo Faltig 315 AC/DC posiadał oprócz układu przetwornicy dodatkowo 4 tranzystory IGBT (takie wielkości Pentium II :) ) które wytwarzały prąd zmienny do spawania aluminium.

    :sm19:
  • #24 196051
    owcz
    Poziom 12  
    Ten obiecany schemat sprzed 4 lat gdzieś mi sie zapodział.
    Może komuś się przyda rozwiązanie regulacji prądu w prostowniku Bester SPB 315.
    M.O.
  • #25 196310
    SIEKIERA_666
    Poziom 21  
    Witam ponownie

    Powyższy schemat jest właśnie układem o którym wspominałem - transduktor sterowany stałym napieciem. W miarę wzrostu napiecia w transduktorze nastepuje nasycanie rdzenia prądem stałym przez co spada jego rezystancja dla pradu zmiennego (chyba na tej zasadzie to działa).
    Bestery SPB-315 i SPB-400 były sterowane w ten sposób. Dopiero chyba SPD lub SPF-400 miały blok elektroniki i prostownik tyrystorowo diodowy.

    :sm19:
  • #26 601758
    ikacz
    Poziom 1  
    W Radioelektroniku 3/90 można znaleźć parę schematów
  • #27 659184
    Konto nie istnieje
    Konto nie istnieje  
  • #28 659632
    ankuch
    Spoczywaj w Pokoju
    Temat odgrzany po roku.
    Zamykam go.
    Zainteresowanych tematem odsyłam do archiwum Elektrody, przycisk "szukaj".
REKLAMA