logo elektroda
logo elektroda
X
logo elektroda
REKLAMA
REKLAMA
Adblock/uBlockOrigin/AdGuard mogą powodować znikanie niektórych postów z powodu nowej reguły.

Mercedes W210 usunięcie EZS - Jak usunąć EZS oraz ESL w Mercedesie W210

kacper_zet 01 Mar 2020 21:36 4290 23
REKLAMA
  • #1 18504396
    kacper_zet
    Poziom 11  
    Witam,

    Potrzebuje w Mercedesie W210 z silnikiem 3.2 CDI usunąć moduły stacyjki EZS i rygla ESL. Przekładam zespół napędowy do starszego samochodu w którym jest mechaniczna stacyjka z ryglem. Proszę o radę jak zabrać się za usuwanie modułów, tak żeby silnik dał się uruchomić "zwykła" stacyjką. Dodam, że mam zakupiony emulator rygla oraz emulator immo "Julie".

    Z góry dziękuję za odpowiedź.
  • REKLAMA
  • #2 18504679
    kamyczek
    Poziom 38  
    Posiadasz programator zeby zaprogramowac sterownik silnika stacje do lutowania i umiesz sie nimi obslugiwać ? Jeśli nie to nic z tym nie zrobisz.
  • REKLAMA
  • #3 18504804
    kacper_zet
    Poziom 11  
    Posiadam odpowiedni sprzęt lutowniczy, umiem go używać. Do programatora też mam dostęp.
  • #4 18505296
    jurek131313
    Poziom 15  
    nasz całe auto ? to sprawdź czy na postoju wkręca się na max czy do 3500 obr. nie wiem czy musi widzieć prędkości pojazdu z esp . jaki masz nr stera ?
  • REKLAMA
  • #5 18505371
    kacper_zet
    Poziom 11  
    Silnik ze skrzynią mam już włożony do samochodu, kończę mechanikę i będę brał się za elektrykę, stąd ten temat. Niestety teraz nie mam jak uruchomić silnika. Planuję przełożyć kompletne sterownik skrzyni biegów oraz ESP, sygnał prędkości będę zbierał z wałka wyjściowego skrzyni. Planuję zamontować na wałek koronkę i do tego zamontować czujnik(i) ABS. Ilość zębów koronki będzie ilością zębów koronki ABS z dawcy podzieloną przez przełożenie dyferencjału, w moim wypadku będzie to 18 zębów.

    Numery sterownika silnika: A 025 545 56 32

    Mercedes W210 usunięcie EZS - Jak usunąć EZS oraz ESL w Mercedesie W210
  • #6 18505377
    jurek131313
    Poziom 15  
    w środku 5p08
  • #7 18505387
    kacper_zet
    Poziom 11  
    Z tego co się orientuje to wsad 5p08 trzeba modyfikować w celu emulacji immo, czy ta kość odpowiada za coś jeszcze ? Mam do niej programator.
  • #8 18505413
    kamyczek
    Poziom 38  
    Skopiowac oryginal zachować , zaprogramować zgodnie z instrukcją wlutowac i powinno dzialać .
  • #9 18505521
    kacper_zet
    Poziom 11  
    W kwestii immo tak, ale jak poradzić sobie z wywaleniem EZS i ESL ?

    Dodano po 6 [godziny] 56 [minuty]:

    W załączniku zgrana zawartość 5P08 bez modyfikacji. Czy modyfikując ten wsad można usunąć elektroniczną stacyjkę, czy trzeba ingerować w główny wsad sterownika ?
  • #10 18507058
    jurek131313
    Poziom 15  
    Głowy nie dam , ale nie wiem czy nie należy zrobić tego inaczej - tzn na zawartości - menel lub sprinter ... Czyli stacyjka mech .
  • Pomocny post
    #11 18507308
    specjalistasamochody
    Poziom 21  
    w 210 zacisk 15 nie jest włączany canem ani wekeup. ezs zalacza twardą 15. nie wazne czy masz ezs czy stacyjke. jak ogarniesz immo i zasilania to wóz normalnie pojedzie.
  • #12 18507554
    kamyczek
    Poziom 38  
    Posiadasz programator zeby zaprogramowac sterownik silnika stacje do lutowania i umiesz sie nimi obslugiwać ? Jeśli nie to nic z tym nie zrobisz.
  • #13 18507705
    kacper_zet
    Poziom 11  
    specjalistasamochody napisał:
    w 210 zacisk 15 nie jest włączany canem ani wekeup. ezs zalacza twardą 15. nie wazne czy masz ezs czy stacyjke. jak ogarniesz immo i zasilania to wóz normalnie pojedzie.


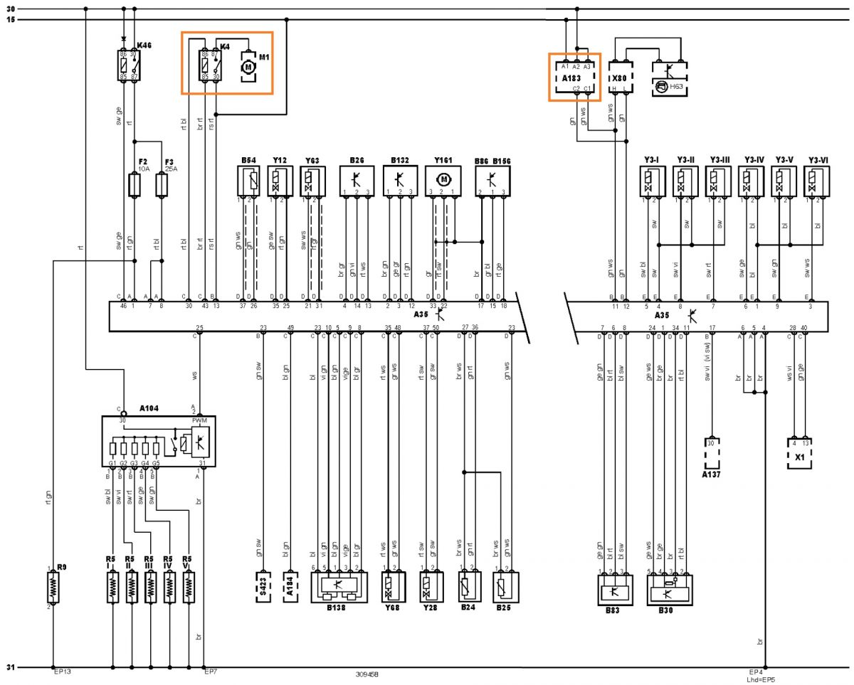
    Z poniższego schematu wynika, że rozrusznik(M1) jest sterowany z ECU przez przekaźnik(K4), a EZS(A183) jest połączone z ECU po magistrali CAN. Czy bez komunikacji CAN EZS - ECU sterownik uruchomi rozrusznik ?

    Mercedes W210 usunięcie EZS - Jak usunąć EZS oraz ESL w Mercedesie W210
  • #14 18508058
    kamyczek
    Poziom 38  
    Emulator udaje stację z kluczem żeby odblokować sterownik .
  • REKLAMA
  • #15 18510182
    kacper_zet
    Poziom 11  
    kamyczek napisał:
    Emulator udaje stację z kluczem żeby odblokować sterownik .


    To rozumiem, nie wiem natomiast jaka jest logika sterowania rozrusznika przez ECU. Czy trzeba wysłać ramkę CAN, czy może podać sygnał na jakiś pin ?
  • #17 18510821
    kacper_zet
    Poziom 11  
    Strumien swiadomosci swia napisał:
    Przekaxnik jest od rozrusznika w prawej skrzynce.


    Dzięki za podpowiedź. Pytanie, czy bez stacyjki EZS będę w stanie zmusić ECU do wysterowania tego przekaźnika ?
  • #19 18577088
    kacper_zet
    Poziom 11  
    Że stacyjki EZS wychodzi sygnał 12V na fioletowym cienkim przewodzie w pozycji rozruchu. Problem w tym, że ten sygnał nie jest podłączony do cewki przekaźnika rozrusznika. Ten przekaźnik jest połączony prosto do ECU. Czy zwierając przekaźnik rozrusznika lub podając na niego prąd na krótko silnik ma odpalić, czy ECU wysteruje wtryskiwacze itd ?
  • #20 18577384
    damdam

    Poziom 34  
    powinien, tak jakbyś go z metra palił.
  • #21 18595231
    kacper_zet
    Poziom 11  
    Niestety trzeba zmienić kodowanie sterownika przy użyciu Star Diagnosis, żeby dało się uruchomić silnik bez EZS.
  • #22 18670918
    kacper_zet
    Poziom 11  
    Po próbie rozruchu przez podanie napięcia prosto na rozrusznik silnik uruchamia się i gaśnie praktycznie od razu. Aby poprawnie uruchomić silnik należy okresowo co 20ms wysyłać ramki CAN:
    ID: 0x240
    0x11 0x12 0x1E - włączony zapłon,
    0x11 0x13 0x1E - rozruch.
  • #23 18672451
    JohnNeo
    Poziom 11  
    Chłopaki co oznacza skrót EZS? Elektroniczne co? Elektroniczne sterowanie zapłonem?
    Pozdrówka.

Podsumowanie tematu

W dyskusji poruszono temat usunięcia modułów EZS (Elektronisches Zündschloss) oraz ESL w Mercedesie W210 z silnikiem 3.2 CDI. Użytkownik planuje przełożyć zespół napędowy do starszego samochodu z mechaniczną stacyjką. Wskazano, że do uruchomienia silnika bez EZS konieczne jest odpowiednie programowanie sterownika silnika oraz zastosowanie emulatorów. Uczestnicy dyskusji podkreślają znaczenie komunikacji CAN między EZS a ECU oraz konieczność modyfikacji kodowania sterownika przy użyciu Star Diagnosis. Wskazano również, że do uruchomienia silnika wymagane jest okresowe wysyłanie ramek CAN.
Podsumowanie wygenerowane przez model językowy.
REKLAMA