logo elektroda
logo elektroda
X
logo elektroda
REKLAMA
REKLAMA
Adblock/uBlockOrigin/AdGuard mogą powodować znikanie niektórych postów z powodu nowej reguły.

Prosty ściemniacz gniazdkowy - wnętrze i naprawa - Mumbi m-SD100

p.kaczmarek2 10 Mar 2022 10:26 2070 7
REKLAMA
  • Prosty ściemniacz gniazdkowy - wnętrze i naprawa - Mumbi m-SD100
    Witajcie moi drodzy.
    Przedstawię tu wnętrze i schemat prostego ściemniacza gniazdkowego Mumbii m-SD100, którego można kupić w różnych sklepach za kilkadziesiąt złotych. Następnie dokonam jego naprawy, gdyż sam go nie kupowałem, tylko otrzymałem już od znajomego jako uszkodzony. Co jest w środku i co się popsuło? Jakim kosztem uda się go naprawić? Przekonajmy się.

    Ściemniacz Mumbi m-SD100
    Nie kupowałem tego ściemniacza osobiście, tylko dostałem już jako uszkodzony od znajomego, ale i tak mogę łatwo stwierdzić, że tego typu produkty kosztują w sieci około 30 zł:
    Prosty ściemniacz gniazdkowy - wnętrze i naprawa - Mumbi m-SD100
    Prosty ściemniacz gniazdkowy - wnętrze i naprawa - Mumbi m-SD100
    Nie jest to ściemniacz smart; nie posiada żadnego sterowania bezprzewodowego. Nie jest to również produkt polecany przeze mnie - wręcz przeciwnie, skoro się popsuł, to raczej dobrze o nim nie świadczy. Pora zajrzeć do środka:
    Prosty ściemniacz gniazdkowy - wnętrze i naprawa - Mumbi m-SD100 Prosty ściemniacz gniazdkowy - wnętrze i naprawa - Mumbi m-SD100
    Instrukcja:
    Prosty ściemniacz gniazdkowy - wnętrze i naprawa - Mumbi m-SD100 Prosty ściemniacz gniazdkowy - wnętrze i naprawa - Mumbi m-SD100
    Maksymalne obciążenie to 275W.
    Obudowę trzymają trzy śruby typu "triwing". Należy mieć specjalny śrubokręt, inaczej można łatwo stępić główki:
    Prosty ściemniacz gniazdkowy - wnętrze i naprawa - Mumbi m-SD100 Prosty ściemniacz gniazdkowy - wnętrze i naprawa - Mumbi m-SD100
    Wnętrze:
    Prosty ściemniacz gniazdkowy - wnętrze i naprawa - Mumbi m-SD100 Prosty ściemniacz gniazdkowy - wnętrze i naprawa - Mumbi m-SD100
    Prosty ściemniacz gniazdkowy - wnętrze i naprawa - Mumbi m-SD100 Prosty ściemniacz gniazdkowy - wnętrze i naprawa - Mumbi m-SD100
    Produkt nie jest kompatybilny z gniazdem typu E z bolcem (tzw. 'francuskim').
    Prosty ściemniacz gniazdkowy - wnętrze i naprawa - Mumbi m-SD100
    Układ zrealizowany jest oczywiście o triak (BT136-600E) oraz diak. W żółtym kapturku jest bezpiecznik 1.25A.
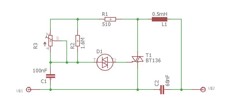
    Schemat jest mniej więcej taki:
    Prosty ściemniacz gniazdkowy - wnętrze i naprawa - Mumbi m-SD100
    Układ to najprostszy regulator mocy, przypomina mi KIT AVT2210 (w sumie chyba ten zestaw nawet jest na BT136).
    Rezystory (wraz z potencjometrem) określają tutaj jak szybko ładuje się C1, gdy C1 osiągnie odpowiednie napięcie to diak D1 zaczyna przewodzić i otwiera triak T1, który zostaje już otwarty do końca cyklu połówki sinusoidy. Im później otworzy się triak, tym mniejsza moc.
    Dławik L1 oraz kondensator C2 mają na celu redukcje zakłóceń generowanych przez układ.
    Fizycznie na płytce jest bezpiecznik 1.25A, którego na schemacie nie uwzględniłem.
    Poniżej demonstracja jak wygląda to na oscyloskopie (warto najpierw zaznaczyć, że nie należy wykonywać oscyloskopem pomiarów na urządzeniach podłączonych bezpośrednio do sieci - oscyloskop ma wspólne GND które też podłączone jest do PE z gniazda, więc badając układ możemy zrobić zwarcie - do zrobienia pomiarów zastosowałem transformator separacyjny, badany układ odseparowałem od sieci):
    Prosty ściemniacz gniazdkowy - wnętrze i naprawa - Mumbi m-SD100 Prosty ściemniacz gniazdkowy - wnętrze i naprawa - Mumbi m-SD100
    Prosty ściemniacz gniazdkowy - wnętrze i naprawa - Mumbi m-SD100 Prosty ściemniacz gniazdkowy - wnętrze i naprawa - Mumbi m-SD100
    Prosty ściemniacz gniazdkowy - wnętrze i naprawa - Mumbi m-SD100 Prosty ściemniacz gniazdkowy - wnętrze i naprawa - Mumbi m-SD100
    Prosty ściemniacz gniazdkowy - wnętrze i naprawa - Mumbi m-SD100 Prosty ściemniacz gniazdkowy - wnętrze i naprawa - Mumbi m-SD100

    Co było popsute?
    Test multimetrem pokazał przepalony bezpiecznik oraz zwarty triak:
    Prosty ściemniacz gniazdkowy - wnętrze i naprawa - Mumbi m-SD100 Prosty ściemniacz gniazdkowy - wnętrze i naprawa - Mumbi m-SD100
    Prosty ściemniacz gniazdkowy - wnętrze i naprawa - Mumbi m-SD100 Prosty ściemniacz gniazdkowy - wnętrze i naprawa - Mumbi m-SD100
    Diak nie został uszkodzony.
    Podstawiłem to co miałem - innego BT136-600 i bezpiecznik 1.25A:
    Prosty ściemniacz gniazdkowy - wnętrze i naprawa - Mumbi m-SD100
    Przy okazji dodałem mały radiator - nie miałem takiego, który mieściłby się w obudowie, więc przyciąłem taki jaki miałem:
    Prosty ściemniacz gniazdkowy - wnętrze i naprawa - Mumbi m-SD100
    Prosty ściemniacz gniazdkowy - wnętrze i naprawa - Mumbi m-SD100
    Układ działa:
    Prosty ściemniacz gniazdkowy - wnętrze i naprawa - Mumbi m-SD100 Prosty ściemniacz gniazdkowy - wnętrze i naprawa - Mumbi m-SD100 Prosty ściemniacz gniazdkowy - wnętrze i naprawa - Mumbi m-SD100

    Podsumowanie
    Prosta i przyjemna naprawa. BT136 kupić można dosłownie za złotówkę, więc jedynym czynnikiem blokującym zabawę byłby tutaj koszt przesyłki, ale mnie to nie dotyczyły bo już trochę części mam zebranych, a BT136 miałem już na stanie. Sam ściemniacz okazał się być bardzo prostym układem, chociaż nie napiszę, że został uproszczony przesadnie, bo jednak bezpiecznik jak i elementy przeciwko emisji zakłóceń do sieci w środku jakieś były, lecz tego na ile się sprawdzają to nie testowałem. Szkoda tylko, że BT136 zupełnie bez radiatora (co naprawiłem) i że wtyczka niekompatybilna z gniazdem francuskim (brak otworu na bolec), ale pewnie produkt dedykowany był na inny rynek niż nasz.
    Do rozebrania w kolejce mam już kolejny ściemniacz, ale tym razem nieco inny - Sygonix trailing edge dimmer, taki dla LEDów wspierających ściemnianie - więc być może uda się porównać jego budowę z budową tego z dzisiejszego tematu.

    Fajne? Ranking DIY
    Pomogłem? Kup mi kawę.
    O autorze
    p.kaczmarek2
    Moderator Smart Home
    Offline 
  • REKLAMA
  • #2 19924220
    arturdip
    Poziom 31  
    Witam.Raczej należało się spodziewać takiego uszkodzenia.Sam coś takiego zrobiłem podłączając szlifierkę,ale do małego poboru mocy to jest ok.
  • REKLAMA
  • REKLAMA
  • #4 19924281
    p.kaczmarek2
    Moderator Smart Home
    E8600 napisał:

    Mają rozmach, takie urządzenie powinno mieć minimum 1 kW.

    Bez radiatora?
    Pomogłem? Kup mi kawę.
  • #6 19927328
    klamot
    Poziom 19  
    Czy pasuje do gniazda z bolcem uziemiającym?
  • REKLAMA
  • #7 19928008
    minus3db
    Poziom 12  
    klamot napisał:
    Czy pasuje do gniazda z bolcem uziemiającym?

    Jak wspomniał autor wpisu, niestety - nie:
    Cytat:
    [...]wtyczka niekompatybilna z gniazdem francuskim (brak otworu na bolec), ale pewnie produkt dedykowany był na inny rynek niż nasz.
  • #8 19928761
    arturdip
    Poziom 31  
    Można wywiercić otwór ale tylko dla sztuki
REKLAMA