Witam po dłuższej przerwie. Chciałem przedstawić badania i artykuł mojego autorstwa na temat popularnego filtru składowej stałej.
Czym jest DC blocker?
DC blocker jest rodzajem filtra przeznaczonego do tłumienia składowej stałej z przebiegu przemiennego. Najczęściej budowa takiego układu bazuje na kondensatorze dużej pojemności szeregowo połączonym z obciążeniem.
Taki kondensator musi być zabezpieczony przez skutkami rezonansu oraz przed przekroczeniem napięcia znamionowego kondensatorów np. układem przeciwsobnym diod prostowniczych.
Kondensator o dużej pojemności, zatem o małej reaktancji pojemnościowej stanowi małą impedancję dla prądu przemiennego. W stanie ustalonym, w idealnych warunkach taki sam kondensator stanowi przerwę w obwodzie.
Maksymalna wartość napięcia składowej stałej filtrowanej przez układ będzie ograniczona napięciem przewodzenia diod prostowniczych, typ. 0,7 V / diodę.
Poniżej zamieszczono schemat prostego filtru składowej stałej.
Poniżej zamieszczono schemat prostego filtru składowej stałej.
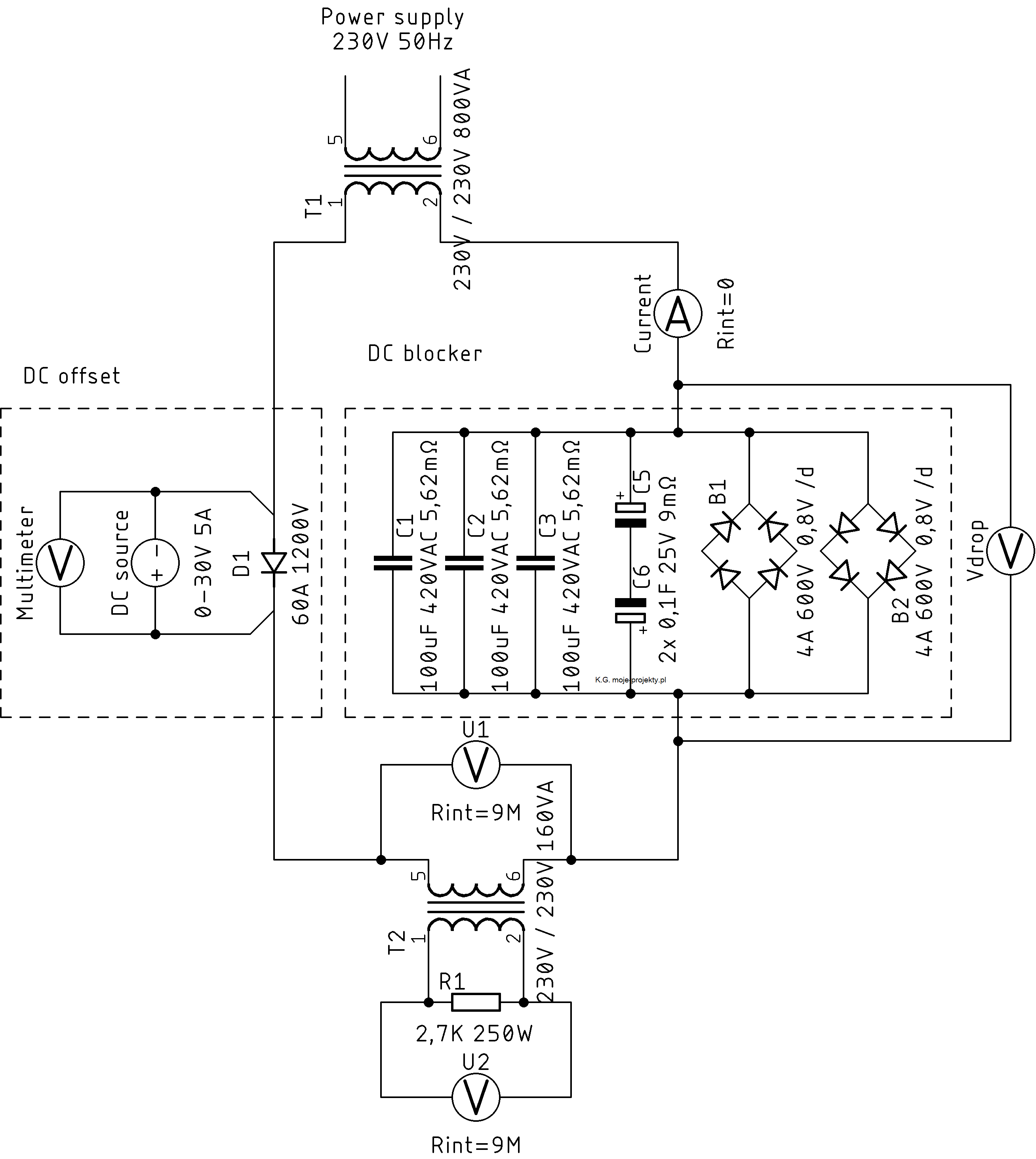
A tutaj znajduje się schemat badanego układu:
Układ pomiarowy - transformator jako obciążenie
Źródłem zasilania był transformator separacyjny 800 VA zasilony napięciem 230 V. Prąd zmierzono przy wykorzystaniu oscyloskopowej sondy prądowej 10 A / 0 - 800 kHz. Napięcie U1 na wejściu transformatora T2, U2 na wyjściu oraz napięcie Vdrop - spadku napięcia na filtrze zmierzono przy pomocy sond różnicowych.
Składową stałą wprowadzono do układu pomiarowego przy pomocy zasilacza laboratoryjnego "DC source".
Dioda D1 służy zabezpiecza zasilacz przed pojawieniem się na jego zaciskach ujemnego napięcia.
Obciążenie stanowił transformator separacyjny o mocy 160 VA obciążony rezystancją o wartości 2,7 kΩ.
Pierwsze pomiary wykonano przy braku składowej stałej.
Zastosowanie filtra spowodowało obniżenie się wartości skutecznej prądu o ponad 10 mA oraz spadek wartości międzyszczytowej prądu o 80 mA. Kształt prądu oraz napięcia bez zauważalnej różnicy.
Obciążenie strony pierwotnej transformatora:
S = 408,92 mA * 218,17 V = 89,2 VA
Obciążenie strony wtórnej:
P = S =176,21V^2 / 2,7 kΩ = 15,26 VA.
Poniżej zamieszczam oscylogramy bez wymuszenia składowej stałej.
Ostatni pomiar wykonano przy składowej stałej wynoszącej 20 V. Podczas tej próby moc pozorna transformatora badanego była przekroczona 3,5 - krotnie.
Obciążenie strony pierwotnej transformatora:
S = 2,88 A * 195,73 V = 563 VA
Obciążenie strony wtórnej:
P = S =176,21^2 / 2,7k = 11,49 VA
Oscylogramy z wymuszeniem składowej stałej 20 Vdc.
Wykonano po 9 pomiarów układzie pomiarowym z filtrem oraz bez niego. Wyniki pomiarów oscyloskopowych przedstawiono w postaci graficznej poniżej.
Napięcie pierwotne (Uwej) badanego transformatora, wynoszące około 218 V wynika z obciążenia transformatora separacyjnego odkształconym prądem badanego transformatora. Transformator separacyjny (T1) zasilony był napięciem 224 V AC.
Bez filtra:
Wzrost prądu w funkcji wartości napięcia składowej stałej był liniowy i wynosił 0,3 A / 2,5 V.
W przypadku napięcia wyjściowego (I2) spadek napięcia wynosił 2,5 - 3,9 V / 2,5 Vdc.
Z filtrem:
Wzrost prądu w funkcji wartości napięcia składowej stałej powyżej 2,5 Vdc był liniowy i wynosił 0,3 A / 2,5 V.
W przypadku napięcia wyjściowego (I2) powyżej 2,5 Vdc spadek napięcia wynosił 2,4 - 3,9 V / 2,5 Vdc.
Widoczne jest działanie filtra do wartości napięcia składowej stałej 2-2,5 V. Przy tej wartości napięcie na układzie ogranicznika diodowego wynosiła około 1,47 Vrms przy 80 mV składowej zmiennej.
Układ z filtrem bardzo dobrze separował składową stałą do wartości około 2-2,5 V składowej stałej. Powyżej tej wartości ogranicznik napięcie na ograniczniku wynosiło około 1,39 V RMS, 1,5 Vmax, przy czym składowa zmienna wynosiła 150 mV.
Wnioski
Klasyczny układ DC blocker-a posiada spore ograniczenia filtrowania składowej stałej. Jego skuteczność zależy od zastosowanych podzespołów. Zbyt mała pojemność kondensatora szeregowego wiąże się ze spadkiem napięcia przy przepływie prądu przemiennego i może wiązać się z ryzykiem rezonansu.
Pozdrawiam
Czym jest DC blocker?
DC blocker jest rodzajem filtra przeznaczonego do tłumienia składowej stałej z przebiegu przemiennego. Najczęściej budowa takiego układu bazuje na kondensatorze dużej pojemności szeregowo połączonym z obciążeniem.
Taki kondensator musi być zabezpieczony przez skutkami rezonansu oraz przed przekroczeniem napięcia znamionowego kondensatorów np. układem przeciwsobnym diod prostowniczych.
Kondensator o dużej pojemności, zatem o małej reaktancji pojemnościowej stanowi małą impedancję dla prądu przemiennego. W stanie ustalonym, w idealnych warunkach taki sam kondensator stanowi przerwę w obwodzie.
Maksymalna wartość napięcia składowej stałej filtrowanej przez układ będzie ograniczona napięciem przewodzenia diod prostowniczych, typ. 0,7 V / diodę.
Poniżej zamieszczono schemat prostego filtru składowej stałej.
Poniżej zamieszczono schemat prostego filtru składowej stałej.
A tutaj znajduje się schemat badanego układu:
Układ pomiarowy - transformator jako obciążenie
Źródłem zasilania był transformator separacyjny 800 VA zasilony napięciem 230 V. Prąd zmierzono przy wykorzystaniu oscyloskopowej sondy prądowej 10 A / 0 - 800 kHz. Napięcie U1 na wejściu transformatora T2, U2 na wyjściu oraz napięcie Vdrop - spadku napięcia na filtrze zmierzono przy pomocy sond różnicowych.
Składową stałą wprowadzono do układu pomiarowego przy pomocy zasilacza laboratoryjnego "DC source".
Dioda D1 służy zabezpiecza zasilacz przed pojawieniem się na jego zaciskach ujemnego napięcia.
Obciążenie stanowił transformator separacyjny o mocy 160 VA obciążony rezystancją o wartości 2,7 kΩ.
Pierwsze pomiary wykonano przy braku składowej stałej.
Zastosowanie filtra spowodowało obniżenie się wartości skutecznej prądu o ponad 10 mA oraz spadek wartości międzyszczytowej prądu o 80 mA. Kształt prądu oraz napięcia bez zauważalnej różnicy.
Obciążenie strony pierwotnej transformatora:
S = 408,92 mA * 218,17 V = 89,2 VA
Obciążenie strony wtórnej:
P = S =176,21V^2 / 2,7 kΩ = 15,26 VA.
Poniżej zamieszczam oscylogramy bez wymuszenia składowej stałej.
Bez filtra:
Z filtrem:
Ostatni pomiar wykonano przy składowej stałej wynoszącej 20 V. Podczas tej próby moc pozorna transformatora badanego była przekroczona 3,5 - krotnie.
Obciążenie strony pierwotnej transformatora:
S = 2,88 A * 195,73 V = 563 VA
Obciążenie strony wtórnej:
P = S =176,21^2 / 2,7k = 11,49 VA
Oscylogramy z wymuszeniem składowej stałej 20 Vdc.
Bez filtra:
Z filtrem:
Wykonano po 9 pomiarów układzie pomiarowym z filtrem oraz bez niego. Wyniki pomiarów oscyloskopowych przedstawiono w postaci graficznej poniżej.
Napięcie pierwotne (Uwej) badanego transformatora, wynoszące około 218 V wynika z obciążenia transformatora separacyjnego odkształconym prądem badanego transformatora. Transformator separacyjny (T1) zasilony był napięciem 224 V AC.
Bez filtra:
Wzrost prądu w funkcji wartości napięcia składowej stałej był liniowy i wynosił 0,3 A / 2,5 V.
W przypadku napięcia wyjściowego (I2) spadek napięcia wynosił 2,5 - 3,9 V / 2,5 Vdc.
Z filtrem:
Wzrost prądu w funkcji wartości napięcia składowej stałej powyżej 2,5 Vdc był liniowy i wynosił 0,3 A / 2,5 V.
W przypadku napięcia wyjściowego (I2) powyżej 2,5 Vdc spadek napięcia wynosił 2,4 - 3,9 V / 2,5 Vdc.
Widoczne jest działanie filtra do wartości napięcia składowej stałej 2-2,5 V. Przy tej wartości napięcie na układzie ogranicznika diodowego wynosiła około 1,47 Vrms przy 80 mV składowej zmiennej.
Układ z filtrem bardzo dobrze separował składową stałą do wartości około 2-2,5 V składowej stałej. Powyżej tej wartości ogranicznik napięcie na ograniczniku wynosiło około 1,39 V RMS, 1,5 Vmax, przy czym składowa zmienna wynosiła 150 mV.
Wnioski
Klasyczny układ DC blocker-a posiada spore ograniczenia filtrowania składowej stałej. Jego skuteczność zależy od zastosowanych podzespołów. Zbyt mała pojemność kondensatora szeregowego wiąże się ze spadkiem napięcia przy przepływie prądu przemiennego i może wiązać się z ryzykiem rezonansu.
Pozdrawiam
Fajne? Ranking DIY
