Witam
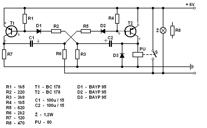
złożyłem przerywacz 6V wg nastepujacego schematu
.
Po złożeniu wszystkiego do kupy okazało się iż przerywacz nie robi "tyk tyk" tylko "bzzzzzzzzz" tzn nie przerywa z normalna czestotliwoscia tylko tak szybko, że żarówka praktycznie ciągle świeci.
P.S. zamist diód BAYP 05 zastosowałem pierwsze jakie miałem pod ręką, czy to może byc przez to??jak nie to co może być tego przyczyną??
Za wszelkie podpowiedzi dziękuje.
Pozdrawiam
złożyłem przerywacz 6V wg nastepujacego schematu
.
Po złożeniu wszystkiego do kupy okazało się iż przerywacz nie robi "tyk tyk" tylko "bzzzzzzzzz" tzn nie przerywa z normalna czestotliwoscia tylko tak szybko, że żarówka praktycznie ciągle świeci.
P.S. zamist diód BAYP 05 zastosowałem pierwsze jakie miałem pod ręką, czy to może byc przez to??jak nie to co może być tego przyczyną??
Za wszelkie podpowiedzi dziękuje.
Pozdrawiam
