Dzień dobry.
Zwracam się z prośbą o sprawdzenie mojego pierwszego projektu. Czy czegoś w nim nie brakuje, czy nie ma czegoś niepotrzebnego, itp. Części będę dopiero zamawiał. Zrobiłem sobie listę tego co będę zamawiał. Znajduje się tutaj.
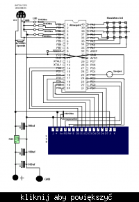
Schemat umieściłem tutaj
Co prawda rysunek robiłem w paincie , ale chyba nie wyszedł tak źle.
Liczę na waszą pomoc
Zwracam się z prośbą o sprawdzenie mojego pierwszego projektu. Czy czegoś w nim nie brakuje, czy nie ma czegoś niepotrzebnego, itp. Części będę dopiero zamawiał. Zrobiłem sobie listę tego co będę zamawiał. Znajduje się tutaj.
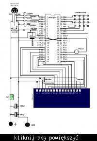
Schemat umieściłem tutaj
Co prawda rysunek robiłem w paincie , ale chyba nie wyszedł tak źle.
Liczę na waszą pomoc
