logo elektroda
logo elektroda
X
logo elektroda
REKLAMA
REKLAMA
Adblock/uBlockOrigin/AdGuard mogą powodować znikanie niektórych postów z powodu nowej reguły.

[ATmega32][C/AVRstidio] Pomiar prądu 4-20 mA przy pomocy ADC

quantor 25 Lis 2009 22:50 6280 8
REKLAMA
  • #1 7309418
    quantor
    Poziom 10  
    Witam.

    Przeglądając archiwum Elektrody natknąłem się na kilka w wątków traktujących o pomiarze prądu przy pomocy przetwornika ADC w mikrokontrolerze. Pojawiło się dużo sugestii, że jeśli nie jest potrzebna separacja, to można z powodzeniem zastosować rezystor i mierzyć na nim proporcjonalny do prądu spadek napięcie.

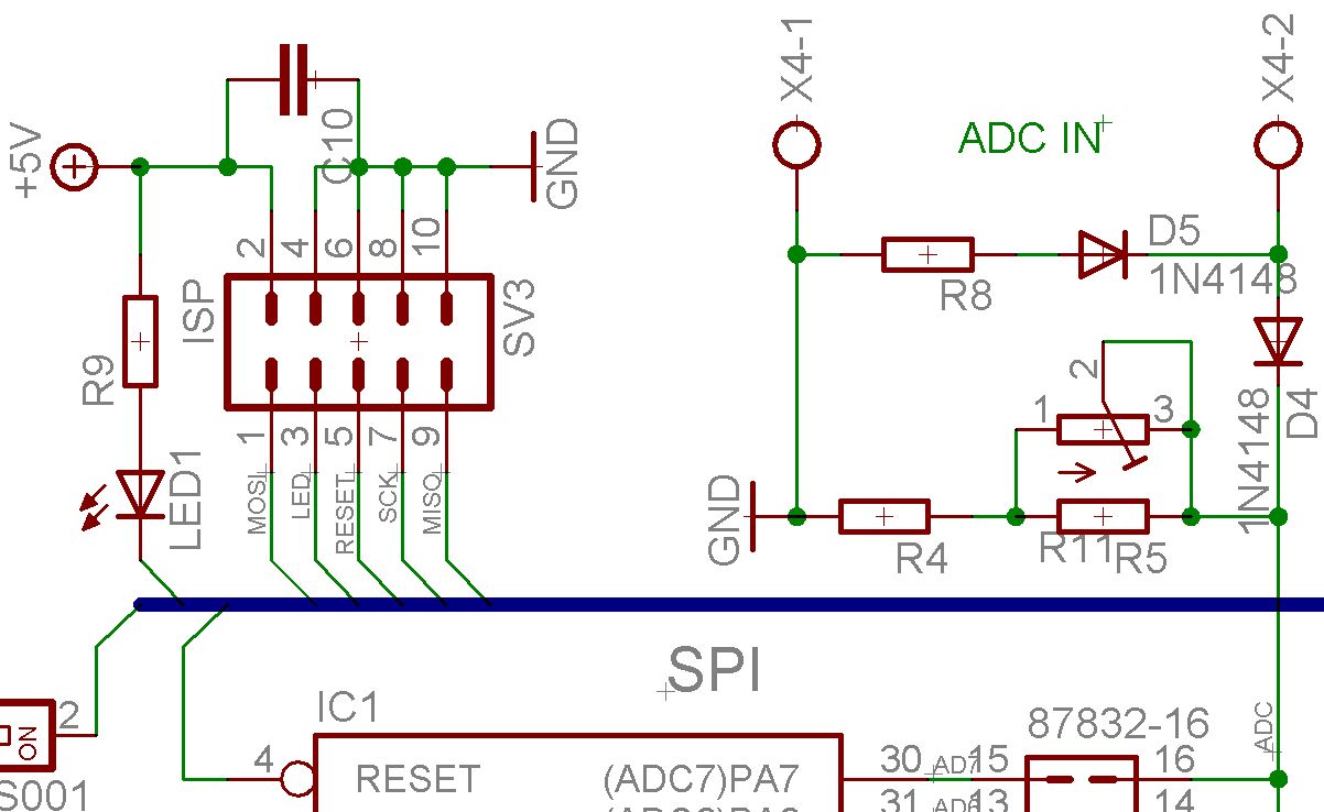
    Moim zadaniem jest zmierzyć wskazanie pewnego czujnika, którego wyjściem jest pętla prądowa 4-20mA (dosyć popularna). Nie potrzebuję bardzo dużej dokładności, więc zdecydowałem się na pomysł z rezystorem. Połączenie zacisków czujnika wygląda następująco:

    [ATmega32][C/AVRstidio] Pomiar prądu 4-20 mA przy pomocy ADC

    Rezystory R4, R5 i R11 na zaciskach czujnika są "widziane" jako rezystancja ok. 128 ohm, czyli są dobrane tak, że przy prądzie 20 mA spadek napięcia na nich wynosi ok. 2,56V (wewnętrzne Uref w ATmega32). Diody D4, D5 i rezystor R8 tworzą zabezpieczenie przed odwrotnym podpięciem czujnika.

    Teoretycznie układ powinien być OK. Ale wskazania przetwornika przy wiszących końcówkach (nie podpiętych do źródła napięcia) wariują, dopiero po podłączeniu np. napięcia z baterii przez potencjometr powoduje, że całość "normalniaje".

    W związku z tym nie bardzo potrafię sobie wyobrazić, jak zachowa się przetwornik przy takiej metodzie pomiaru. A jak Wy to widzicie? Czy ktoś ma jakieś doświadczenia z takim pomiarem prądu?...
  • REKLAMA
  • REKLAMA
  • #3 7309720
    quantor
    Poziom 10  
    korrus666 napisał:
    Nie podpięte do niczego mogą wariować i to wg mnie normalna sytuacja. Jak podłączysz wejście do masy to zapewne będzie wskazywał 0 a wiszące przewody zawsze coś z powietrza wyłapią.


    Hmmm... Chyba się trochę nie zrozumieliśmy.

    Wiem, że zrozumiałe jest, że przetwornik może głupieć, gdy nóżki wiszą. Teraz są połączone rezystancją 128 ohm z masą (patrz screenshot z poprzedniego postu) i nadal się wygłupiają. Chodzi mi o to, że boję się, że po podłączeniu czujnika, pomimo płynącego przedeń prądu 4 - 20 mA (czyli spadku napięcia 512 mV - 2,56 V) wskazania się nie uspokoją. Czy moje obawy są uzasadnione?...
  • #4 7309993
    PiotrPitucha
    Poziom 34  
    Witam
    Wiele zależy od poprowadzenie ścieżek na płytce, ogólnie uzyskanie stabilnego pomiaru jest trudne, należy dobrze przemyśleć miejsca podpięcia układu pomiarowego do masy.
    Teraz kilka uwag:
    - wywal potencjometr, w układzie pomiarowym stosuj rezystor dobrej klasy, jeśli nie wstrzelisz się z rezystancją to załatw resztę programowo, nie mierz do 20mA tylko np. do 22mA abyś mógł stwierdzić przekroczenie zakresu
    - jeśli chcesz mieć koniecznie dokładnie 20mA to sugerowałbym zewnętrzne źródło referencyjne np. na TL431, łatwiej ustalić jego napięcie tak by zakres odpowiadał Twoim potrzebom niż kombinować w układzie niskoomowym na wejściu
    - od skakanie pomiaru masz filtry programowe, w najprostszym rozwiązaniu mierzysz np. 64 razy po kolei, dodajesz wyniki a potem przesuwasz wynik w prawo bo przy ilości pomiarów będącej potęgą liczby 2 unikasz kłopotliwego dzielenia.
    Pozdrawiam
  • REKLAMA
  • #5 7310160
    Dr_DEAD
    Poziom 28  
    A filtrujesz Uref ??
  • REKLAMA
  • #6 7310233
    kemot55
    Poziom 31  
    Sprawdź to co sugeruje Dr. DEAD. Jeżeli nie zablokujesz wejścia odniesienia dobrym kondensatorem to będziesz miał "sieczkę". Kondensator tantalowy ok. 1uF załatwia sprawę ( ja zwykle tak to robię szczególnie dla zewnętrznych układów odniesienia). Tylko trzeba tą pojemność zapiąć jak najbliżej nóżek.
  • #7 7315724
    quantor
    Poziom 10  
    Witam.

    Tak jak mówicie, wejście Aref JEST spięte kondensatorem do masy. Nie pamiętam, czy akurat 1uF, ale chyba raczej ceramicznym 100uF. Niemniej to nie powinien być problem. Myślę, że jak końcówki wiszą, to normą jest, że odczyt szaleje.
    Tak jak pisałem, jeśli na wejście ADC podam napięcie z baterii poprzez potencjometr, to wskazanie jest OK. Ale ja będę mierzył spadek napięcia na R (proporcjonalny do prądu, który faktycznie mierzę). I chodzi mi o to, że boję się, że przy małych prądach całość będzie się zachowywać tak, jakby końcówki wisiały. Na chwilę obecną nie mam jak tego wypróbować... :-(
  • Pomocny post
    #8 7316085
    tmf
    VIP Zasłużony dla elektroda
    To w zadnym wypadku nie powinno ci szumiec, bo jesli wejscie ukladu wisi w powietrzu to wejscie ADC jest praktycznie zwierane do masy przez rezystor 128 om. W takiej konfiguracji mozesz lapac co najwyzej niewielki szum przetwornika, rzedu 1 bitu. Wiec cos masz nie tak - zimny lut?
  • #9 7316628
    quantor
    Poziom 10  
    Kurcze, RACJA!!!! Nigdy bym na to nie wpadł!! :P <wstyd> ;-)
    Działa, hula i po odpięciu przewodów pokazuje ładnie zero!! :)

    Bardzo dziękuję, temat zamykam.

    --
    Pozdrawiam serdecznie
REKLAMA