Witam.
W moim samochodzie występuje sterowanie siłowników centralnego zamka plusem.
W centralce alarmowej, któą zainstalowałem było sterowanie za pomocą minusa.
Złożyłem popularny układ z dwóch przekaźników, który zamienia impuls masy na impuls dodatni. Problem polega na tym, że na przekaźnikach jak wiadomo występuje iskrzenie, zużywają się i mam ju dość ciągłego odkręcania i wymieniania ich (zwłaszcza po zimie). Ludzie się ze mnie śmieją gdy w pośpiechu kopię własne auto w miejsce gdzie są te przekaźniki bo to jedyny sposób żeby je "rozruszać" i zamknąć auto z pilota.
Chętnie zastosowałbym alternatywne rozwiązanie najlepiej na układzie scalonym, który owe przekaźniki zastąpi. Jednak napięcie w samochodzie oraz duże przeciążenia na siłownikach mogą taki układ zniszczyć.
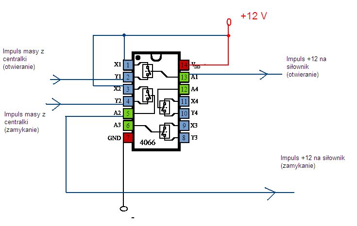
Moje pytanie: Czy można zastosować coś takiego jak na załączonym schemacie, stosując popularny układ 4066?
Dziękuję i pozdrawiam.

W moim samochodzie występuje sterowanie siłowników centralnego zamka plusem.
W centralce alarmowej, któą zainstalowałem było sterowanie za pomocą minusa.
Złożyłem popularny układ z dwóch przekaźników, który zamienia impuls masy na impuls dodatni. Problem polega na tym, że na przekaźnikach jak wiadomo występuje iskrzenie, zużywają się i mam ju dość ciągłego odkręcania i wymieniania ich (zwłaszcza po zimie). Ludzie się ze mnie śmieją gdy w pośpiechu kopię własne auto w miejsce gdzie są te przekaźniki bo to jedyny sposób żeby je "rozruszać" i zamknąć auto z pilota.
Chętnie zastosowałbym alternatywne rozwiązanie najlepiej na układzie scalonym, który owe przekaźniki zastąpi. Jednak napięcie w samochodzie oraz duże przeciążenia na siłownikach mogą taki układ zniszczyć.
Moje pytanie: Czy można zastosować coś takiego jak na załączonym schemacie, stosując popularny układ 4066?
Dziękuję i pozdrawiam.