Urządzenie pokazane na zdjęciu to nic innego jak zegarek kieszonkowy z diodami LED. Wykorzystuje on 12 diod do wskazywania godzin i każdorazowo po 60 – do wyświetlania minut i sekund. Diody ułożone są w formie trzech współśrodkowych pierścieni. Na górze obudowy znajduje się przycisk do aktywowania wyświetlania, a z tyłu – przycisk pozwalający wejść w tryb ustawień. Działanie zegarka prezentuje poniższy film.
Zastosowana w urządzeniu bateria to ogniwo litowo-jonowe, z możliwością ładowania za pomocą portu mikro USB. Długość pracy na baterii zależy od intensywności użytkowania, jeśli zegarek nie jest jednak zbyt często uruchamiany, powinien działać bez problemu przez kilka miesięcy na jednym ładowaniu; autor zaimplementował także wskazywanie niskiego poziomu baterii. Zegarek został też wyposażony w brzęczyk i silniczek wibracyjny, które są wykorzystywane do sygnalizowania budzika. Zegarek został zmontowany na pojedynczej płytce drukowanej, a obudowa została stworzona z dwóch laserowo wyciętych fragmentów przezroczystego akrylu i wydrukowanego przestrzennie korpusu.
Komplet plików, zawierających kod źródłowy procesora, schemat, wzór płytki, dane do laserowego wycinania plastiku i modele 3D zegarka, można ściągnąć z Github autora. Całość udostępniona jest na licencji open-source, pliki przygotowano też tak, aby bez poprawek i modyfikacji można było je przesłać do wytwórcy.
Inspiracja i projekt
Zegarek tego typu nie został wymyślony przez autora – chciał on po prostu stworzyć swoje własne urządzenie. Gotowe zegarki miały też pewne wady, które autor chciał w swoim projekcie wyeliminować. Między innymi, gotowe zegarki nie posiadały wszystkich 60 diod do wskazywania minut – często stosowano tylko 12. Autorowi zależało na dokładnym wskazywaniu aktualnej minuty, bez zgadywania lub przybliżania, więc zdecydował się użyć 60 diod. Podobnie rzecz miała się w związku ze wskazywaniem sekund – niektóre rozwiązania nie obsługiwały tej funkcjonalności, a autor uznał, że zamontowanie diod sekundnika wzbogaci zegarek o wrażenie ruchu i potwierdzenie, że zegarek pracuje poprawnie; ponadto podniesie walory estetyczne. Autor zrezygnował za to ze stosowania 60 diod do wskazywania godzin – o ile pełne symulowanie działania zegarka analogowego mogłoby być ciekawe, to w takim przypadku ciężko byłoby dokładnie określić aktualną godzinę. Z premedytacją także nie zostały wykorzystane diody trójkolorowe, a trzy pierścienie diod, co pozwala na sprawniejszy odczyt czasu.
Ważną kwestią była także wielkość zegarka – autor jak i większość z nas korzysta z telefonu komórkowego do sprawdzania godziny, więc zegarek także powinien mieć komfortowy do użytku rozmiar i być aktywowany jednym przyciskiem, jak telefon. Jako że zegarek w założeniu ma być przeznaczony do codziennego użytku, powinien być trwały. Dlatego wymagana jest odpowiednia obudowa, chroniąca urządzenie choćby przed pozostałą zawartością kieszeni w czasie noszenia. Obecność otworu pozwalającego na zamocowanie łańcuszka jest także pożądana. Także nikt nie lubi zbyt często wymieniać baterii, zwłaszcza, jeśli znajduje się ona zupełnie wewnątrz obudowy. Dlatego autor zastosował akumulatory i możliwość ładowania za pomocą portu USB. Brzęczyk i silnik wibracyjny są tylko ciekawymi dodatkami, ponieważ – ze względu na brak limitu kosztów i miejsce na PCB – autor mógł sobie pozwolić na ich zastosowanie. Autor także wypróbowywał różne kolory płytek przed wybraniem najbardziej pasującej do projektu.
Schemat i działanie
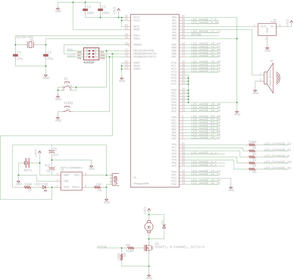
Podstawowym problemem przy projektowaniu schematu był fakt, jak sterować 132 diodami LED. Najprostszym sposobem jest wybranie do sterowania mikroprocesora, ale wyzwanie leży w liczbie 132. Jednym ze sposobów na jego rozwiązanie jest wybór procesora z odpowiednio dużą ilością wyprowadzeń – lecz takie układy są zwykle duże i psułyby wygląd zegarka. Rozsądnym wyjściem wydaje się zastosowanie multipleksowania diod – w opisywanym zegarku diody sterowane są w formie „tablicy” o 30 anodach i 5 katodach, co pozwala na sterowanie 132 diodami przy użyciu 35 wyprowadzeń procesora. Działanie multipleksowania można zobaczyć na poniższej animacji. Wykorzystano także 5 rezystorów (R1-R5) do ograniczania prądu diod. Należy pamiętać, że ich wartości nie mogą być takie same dla diod o różnym kolorze.
Potrzebne są także minimum 2 dodatkowe piny mikrokontrolera (najlepiej z wewnętrznym rezystorem podciągającym), aby sprawdzać stan przycisku. Daje to minimalną liczbę 37 wyprowadzeń – i ten warunek spełniał procesor ATmega645P (lub odpowiedniki z mniejszą pamięcią). Procesor ma 54 wyprowadzenia i produkowany jest w obudowie TQFP, co daje możliwość przylutowania go bez użycia gorącego powietrza. Działa już przy napięciach 1,8 V, co pozwala na zasilanie całości tylko z jednego ogniwa i wyposażony jest w sprzętowy zegar czasu rzeczywistego. Wersja „picoPower” zapewnia skrajnie małe zużycie prądu.
Układ ładowania jest skrajnie prosty i został zrealizowany w oparciu o układ MCP73831 i jego notę katalogową. Ponieważ w zegarku autor miał zamiar zastosować baterię o pojemności 150 mAH, prąd ładowania został ustalony na 150 mA.
Sprzętowy zegar procesora wymaga zastosowania zewnętrznego oscylatora kwarcowego 32,768 kHz wraz z dwoma kondensatorami. Sam mikroprocesor taktowany jest wewnętrznym zegarem 8 MHz; częstość ta jest dzielona dodatkowo przez 8 celem zaoszczędzenia prądu. Na szynie zasilania procesora zamontowano kondensatory filtrujące. Układ ATMega645P wewnętrzne rezystory podciągające; do jego zaprogramowania przewidziano interfejs ISP.
Wykrywanie niskiego napięcia baterii zrealizowano w oparciu o układ TC54 z progiem ustalonym na 2,7 V. Do sterowania silnikiem wibracyjnym zastosowano tranzystor MOSFET wraz z rezystorami zabezpieczającymi. Uzwojenie silnika wyposażono też w diodę zabezpieczającą.
Płytka drukowana
Projekt płytki został stworzony w Eagle’u. Na animacji można zobaczyć poszczególne kroki projektowania. Autor nadmienia, że rozmieszczenie 132 diod nie było trudnym zadaniem – najpierw został policzony kąt, pod jakim powinny znajdować się diody i ich położenia, a następnie, za pomocą napisanego skryptu, zostały rozmieszczone na płytce. Ciekawym pomysłem jest też nietypowe rozmieszczenie otworów złącza ISP – ich zygzakowaty kształt pozwala na nielutowanie rzędu goldpinów – po włożeniu wtyku ISP w płytkę kontakt z obwodem drukowanym zapewniają właśnie tak rozmieszczone otwory.
Autor zastosował też dwa elementy przewlekane na płytce – przycisk i złącze USB. Reszta elementów montowana jest powierzchniowo. Nieużywane piny mikroprocesora zostały połączone z masą.
Montaż
Autor zbędne egzemplarze płytki wykorzystywał do przetestowania i wybrania odpowiedniego koloru diod. Zdjęcia wybranych kroków można zobaczyć poniżej.
Autor sugeruje również kolejność montażu elementów: mikrokontroler, diody LED, następnie wszystkie elementy górnej warstwy (poza brzęczykiem), elementy dolnej warstwy (wyłączywszy gniazdo USB, przyciski, silnik i gniazdo baterii), pozostałe elementy. Należy przy montażu zwracać szczególną uwagę na biegunowość diod. Zlutowanie całości zajmuje ok. 6 godzin.
Również na poniższych zdjęciach można obejrzeć szczegóły montażu obudowy zegarka.
Na stronie projektu znajduje się o wiele więcej szczegółów nt. projektowania i wykonania samej obudowy, montażu i użytkowania zegarka.
Fajne? Ranking DIY
