Witam, mój problem związany jest z wycieraczkami przednimi w samochodzie Peugeot 307 SW z 2002r.
Informacje:
- Wycieraczki raz działają prawidłowo, wszystkie prędkości itd. w pełni sprawne a innym razem nie reagują na żadne polecenia z manetki
- Wycieraczki nigdy nie zawieszają się w nieustalonej pozycji, zawsze kończą bieg i zatrzymują się w pozycji prawidłowej
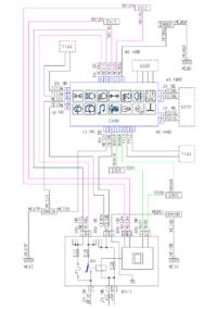
- Do wycieraczek nawet w sytuacji gdy nie działają dochodzi napięcie 12V pomiędzy pinami [1] GND i [2] połączone z PINEM [3] BSI1.
- PINY [4] i [5] służą do załączania pracy silnika wycieraczek
- Dotyczy załączonego schematu - w sytuacji gdy wycieraczki działają prawidłowo przed ich załączeniem na PINIE [5] BSI1 łączącym się z PINEM [4] BM34 jest napięcie 12V w momencie przełączenia manetki napięcie znika co zmienia stan przekaźników R7 i R8 - wycieraczki funkcjonują, słychać przełączanie przekaźników
- Dotyczy załączonego schematu - w sytuacji gdy wycieraczki nie pracują, brak reakcji z manetki na PINIE [5] BSI1 łączącym się z PINEM [4] BM34 cały czas jest napiecie 12V
Wykonane czynności:
- Rozebrany przełącznik zespolony, wyczyszczony, poprawiono połaczenia elektryczne, nie stwierdzono widocznych uszkodzeń
- Przemierzono przewody od silnika wycieraczek do modułu BSM (skrzynki bezpieczników/przekaźników w komorze silnika) nie stwierdzono nieciągłości
- Wykonano diagnostykę komputerową PP2000
- komputer odczytuje wszystkie informacje z przełącznika zespolonego przy kierownicy prawidłowo
- wycieraczki nie poruszają się ani z sygnałem zadanym przez przełącznik przy kierownicy ani z sygnałem zadanym przez PP2000
- brak błędów w BSI (komputerze samochodu)
- brak błędów w module przełączników przy kierownicy
Wnioski:
Na podstawie powyższych informacji stwierdzam, że uszkodzona może być wiązka pomiędzy BSI1 a BM34 dokładniej jeden przewód zgodnie ze schematem.
Przełącznik zespolony 100% sprawny
Załączam schematy, które są pomocne w zrozumieniu działania opisanych wycieraczek:
Opis do schematów:
5015 - Silnik wycieraczek przednich
BSI1 - BSI komputer główny znajdujący się w kabinie kierowcy
BM34 - BSM skrzynak bezpieczników oraz przekaźników w komorze silnika
CV00 - Przełącznik zespolony

Informacje:
- Wycieraczki raz działają prawidłowo, wszystkie prędkości itd. w pełni sprawne a innym razem nie reagują na żadne polecenia z manetki
- Wycieraczki nigdy nie zawieszają się w nieustalonej pozycji, zawsze kończą bieg i zatrzymują się w pozycji prawidłowej
- Do wycieraczek nawet w sytuacji gdy nie działają dochodzi napięcie 12V pomiędzy pinami [1] GND i [2] połączone z PINEM [3] BSI1.
- PINY [4] i [5] służą do załączania pracy silnika wycieraczek
- Dotyczy załączonego schematu - w sytuacji gdy wycieraczki działają prawidłowo przed ich załączeniem na PINIE [5] BSI1 łączącym się z PINEM [4] BM34 jest napięcie 12V w momencie przełączenia manetki napięcie znika co zmienia stan przekaźników R7 i R8 - wycieraczki funkcjonują, słychać przełączanie przekaźników
- Dotyczy załączonego schematu - w sytuacji gdy wycieraczki nie pracują, brak reakcji z manetki na PINIE [5] BSI1 łączącym się z PINEM [4] BM34 cały czas jest napiecie 12V
Wykonane czynności:
- Rozebrany przełącznik zespolony, wyczyszczony, poprawiono połaczenia elektryczne, nie stwierdzono widocznych uszkodzeń
- Przemierzono przewody od silnika wycieraczek do modułu BSM (skrzynki bezpieczników/przekaźników w komorze silnika) nie stwierdzono nieciągłości
- Wykonano diagnostykę komputerową PP2000
- komputer odczytuje wszystkie informacje z przełącznika zespolonego przy kierownicy prawidłowo
- wycieraczki nie poruszają się ani z sygnałem zadanym przez przełącznik przy kierownicy ani z sygnałem zadanym przez PP2000
- brak błędów w BSI (komputerze samochodu)
- brak błędów w module przełączników przy kierownicy
Wnioski:
Na podstawie powyższych informacji stwierdzam, że uszkodzona może być wiązka pomiędzy BSI1 a BM34 dokładniej jeden przewód zgodnie ze schematem.
Przełącznik zespolony 100% sprawny
Załączam schematy, które są pomocne w zrozumieniu działania opisanych wycieraczek:
Opis do schematów:
5015 - Silnik wycieraczek przednich
BSI1 - BSI komputer główny znajdujący się w kabinie kierowcy
BM34 - BSM skrzynak bezpieczników oraz przekaźników w komorze silnika
CV00 - Przełącznik zespolony