logo elektroda
logo elektroda
X
logo elektroda
REKLAMA
REKLAMA
Adblock/uBlockOrigin/AdGuard mogą powodować znikanie niektórych postów z powodu nowej reguły.

Silnik BLCD z czujnikami Hall - Silnik BLDC z czujnikami Hall po zatrzymaniu nie

Mukat 05 Mar 2021 12:16 1113 10
REKLAMA
  • #1 19298363
    Mukat
    Poziom 6  
    Witam,
    Mam Silnik bezszczotkowy BLDC do deskorolki (MOC 4600W BEZSZCZOTKOWY WYSOKA SILNIK 120KV BLDC z czujnikami Hall), który po zatrzymaniu nie zawsze się uruchamia. Aby ruszył ponownie trzeba go delikatnie obrócić. Nie ma reguły, w której pozycji się zawiesza. jaka może być tego przyczyna?
  • REKLAMA
  • #2 19298877
    slawko_k
    Poziom 35  
    Trzeba się przyglądnąć sterownikowi. W silniku to tylko sprawdzić czy halle dają prawidłowe sygnały.
  • REKLAMA
  • #3 19299109
    Mukat
    Poziom 6  
    Na co zwrócić uwagę w sterowniku?
  • #5 19300706
    Mukat
    Poziom 6  
    Ok. Teraz jestem na wyjeździe, jak wrócę to sprawdzę w przyszłym tygodniu i dam znać.
  • REKLAMA
  • #6 19331506
    Mukat
    Poziom 6  
    W końcu znalazłem trochę czasu i sprawdziłem halle.
    Podłączyłem zasilanie 5V do czujników i do każdego halla podłączyłem diodę świecącą przez opornik 330. obracając powoli silnikiem ładnie diody się zapalały jedna po drugiej, a potem gasły jedna po drugiej. Rozebrałem silnik, czujniki są równo ułożone, magnesy się trzymają i też są równo poukładane. Jak odłączę czujniki to silnik nie działa.
    Sterownik mam taki https://pl.aliexpress.com/item/1005001738213078.html?spm=a2g0s.9042311.0.0.39075c0ftDySH1
  • #7 19332052
    slawko_k
    Poziom 35  
    Miałem tek sterownik i napędzałem nim silnik 350w. Nie było problemów.

    Skoro nie wiesz czy silnik czy sterownik to wypadałoby sterownik podpiąć do innego pewnego silnika a silnik do sprawdzonego sterownika.
    Może się zdarzyć że oba będą sprawne ale z jakiegoś powodu się nie polubią. Ale to rzadkie przypadki.
  • #8 19332409
    Mukat
    Poziom 6  
    Na innym sterowniku silnik tak samo się zachowuje. Musi być coś w silniku.
  • #9 19332466
    kkknc
    Poziom 43  
    Sprawdź sterownik który działa bez czujników. Tak jak ci to już pisałem. Gdzieś możesz mieć zimny lut. I to na silniku. Nie czujnikach.
  • REKLAMA
  • #10 19384583
    Mukat
    Poziom 6  
    ok. na razie brak czasu. Nie mam sterownika bez czujników halla. Muszę coś pokombinować. Chyba raczej w pierwszej kolejności rozbiorę silnik na części pierwsze i sprawdzę wszystkie łączenia.
  • #11 21010787
    Pisklak1977
    Poziom 10  
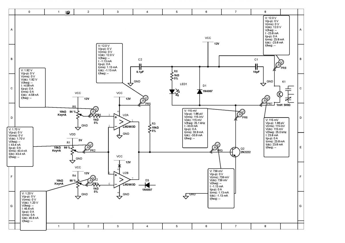
    Może będzie prościej wytłumaczyć z rysunkiem.
    Dla uproszczenia mam 5 zakresów na czujniku halla, chcialbym moc ustawic górną i dolną granicę komparatora na podstawie ustawionej wartosci na czujniku halla.
    Gdy ustawię na wartość 1 ustawiam granicę dolną komparatora poprzez potencjometr 1, i zapala się dioda 1 sygnalizująca że tę granicę "sparowałem".
    Gdy ustawię na wartość np 3 ustawiam granicę górną komparatora poprzez potencjometr 2, i zapala się dioda 2 sygnalizująca że tę granicę "sparowałem".
    Po "sparowaniu" dolnej i górnej granicy chciałbym aby moduł komparatora załączał przekaźnik w okienku pomiędzy ustawionymi wartościami.
    Na moduł wychodzi sygnal od 0-5v w zależności od ustawienia czujnika halla.
    Z góry dziękuję za pomoc. Silnik BLCD z czujnikami Hall - Silnik BLDC z czujnikami Hall po zatrzymaniu nie



    Silnik BLCD z czujnikami Hall - Silnik BLDC z czujnikami Hall po zatrzymaniu nie

    zamiast potencjometra na wejsciu to chcialbym czujnik halla. Nie wiem też czemu przy symulacji nie załącza się cewka 500ohm 40ma. Gdy zmniejszę wartości na 300ohm i 30ma to zatrzaskuje.[/quote]


    Chciałbym by przekaźnik załączał sie przy pewnym polożeniu czujnika halla powiedzmy 3v a resztę powyżej jak i poniżej ignorowal. A więc przy v1 przekaźnik wyłączony v2 załączony v3 i reszta wyłączony.Chcę również bym mógł tę wartosc która jest poniżej jak i powyżej ustawić za pomocą potencjometrów w ten sposób gdzie załączę v3 to ustawiam potencjometr dotąd aż zapali się dioda. Następnie przełączam na v1 i reguluję to samo drugim potencjometrem aż kolejna dioda się zapali. Tu uzyskam okienko w którym przekaźnik ma się załączać. Chodzi mi o to by nie ingerować w okablowanie by pomierzyć wartości na czujniku halla w danym położeniu dla okienka tylko ją ustawić organoleptycznie. Położenie v1 ustawiam potencjometrem p1 aż do zapalenia diody 1, przekręcam czujnikiem halla do pewnego ustawienia v3-ustawiam potencjometrem p2 aż do zapalenia diody 2. Wten sposób mam ustawione okienko. Ot i cały mój wielki problem którego eozgryść nie umiem.
REKLAMA