logo elektroda
logo elektroda
X
logo elektroda
REKLAMA
REKLAMA
Adblock/uBlockOrigin/AdGuard mogą powodować znikanie niektórych postów z powodu nowej reguły.

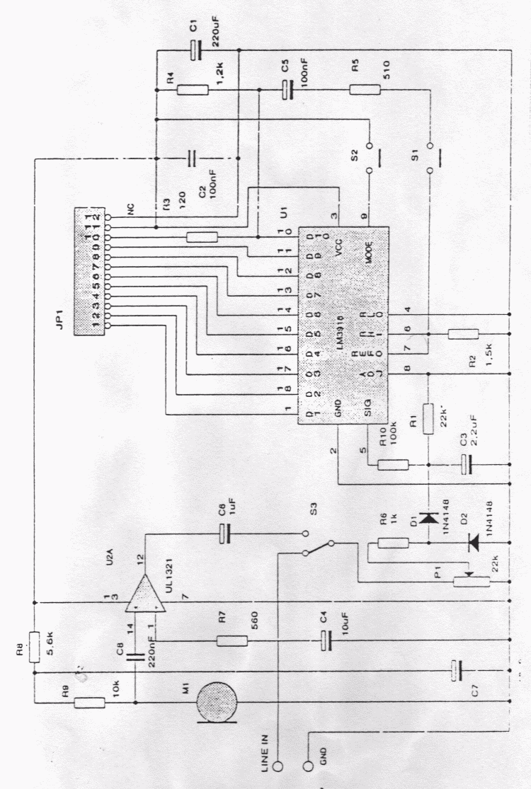
Sterownik swiatel na 10zarowek do 6kW

sokol19 28 Kwi 2003 13:26 25965 15
REKLAMA
  • O autorze
    sokol19
    Poziom 13  
    Offline 
    sokol19 napisał 115 postów o ocenie 1. Mieszka w mieście Gorzów. Jest z nami od 2003 roku.
  • REKLAMA
  • #2 534426
    nebo
    Poziom 16  
    ale pojawia się pytanie czy to zadziała czy ktoś to już zbudował ????
  • #3 570194
    sokol19
    Poziom 13  
    Sorki ze tak pozno odpowiadam...

    Tak to jest projekt zrobiony, sprawdzony i dziala..
    W mojej szkole byl robiony na prace dyplomowa..

    Pozdrowka
  • #4 570372
    nebo
    Poziom 16  
    a czy mógłbyś napisać ile mniejwięcej Cię to ksztowało ???? jestem bardzo ciekawy.....
  • REKLAMA
  • #5 570977
    Tecnover
    Poziom 2  
    a czy mógłbym dostać projekt tego sterownika?? lub chociażby link do niego?? też lubie efekty świetlne, a na razie mam zwykła 3 kanałową iluminofonie.....więc chciałbym zbudować coś większego;)
  • REKLAMA
  • #6 573323
    sokol19
    Poziom 13  
    Niestety to nie ja robilem ten sterownik... ale najdrozsze z tego byly triaki na wyskie napiecie.. jak chcesz to mozesz przerobic na mniej lampek... a pliki zalaczalem rok temu o tym sterowniku.., nie mam juz dokumentacji do niego..

    =>Tecnover Projekt tzn co? W tym poscie wyzej masz wszystkie pliki potrzebne do skonstruowania tego sterownika..
  • #8 1992721
    djpeterek
    Poziom 23  
    Witam
    Mógłby mi ktoś podać jakie mają być wymiary płytek?
    pozdrawiam
  • #9 2131116
    jmaciejaszek
    Poziom 10  
    to nie jest nic innego jak KIT AVT111:D
  • #10 2181861
    chozdek
    Poziom 1  
    witam! zaznaczam, ze jestem poczatujacy! :P mam pytanie: do czego konkretnie to sluzy? chcialbym zrobic takie uzadzenie, ktorym mozna nie tylko wlaczac wspomniane 10 zarowek, ale rowniez zmieniac ich jasnosc swiecenia; czy uklad, w ktorym mrugalyby na przemian jakos! czy to jest cos odpowiedniego dla mnie? pozdrawiam
  • REKLAMA
  • #11 2181958
    oj
    Poziom 42  
    Ten układ to wskażnik wysterowania na 10-ciu żarówkach, w działaniu takim jak wskaźnik wysterowania w magnetofonach.

    Układ reaguje ilością świecenia żarówek (w różny sposób) w zależności od poziomu dźwięku jaki dotrze do mikrofonu
  • #12 2341121
    pol102
    VIP Zasłużony dla elektroda
    calkiem fajna rzecz ale czy to bedzie bezpieczne, bez zadnych przebic itp.
    bo mi samemu troche trudno to ocenic bo jestem poczatkujacym:D
  • #13 3265195
    pypcioman
    Poziom 11  
    jak ten sterownik znosi obciązenie 6kW na kanał to spokojnie sie nada na szkolna dyskotekę , wsadzisz żąrówke 100W i bedzie,
    niejestem pewien czy tam mozna wsadzic halogena
  • #14 4645581
    Konto nie istnieje
    Konto nie istnieje  
  • #15 4652376
    skorseze
    Poziom 11  
    Halogen to wydaje mi się że jest pomyłką w takim wykonaniu, bo potrzebuje trochę czasu na rozświecenie się. Ma dużo większą bezwładność niż zwykła żarówka. No i przy starcie też stawia dużo większy opór, ale spróbować przecież nie zaszkodzi :)
  • #16 4903221
    Matis1970
    Poziom 1  
    Wolał bym coś takiego kupić.
    Czy to ktoś produkuje?
    Proszę o pomoc!
REKLAMA