logo elektroda
logo elektroda
X
logo elektroda
REKLAMA
REKLAMA
Adblock/uBlockOrigin/AdGuard mogą powodować znikanie niektórych postów z powodu nowej reguły.

Wzmacniacz - jaki potencjometr

Don Arkada 28 Sie 2007 01:26 6404 8
REKLAMA
  • #1 4223060
    Don Arkada
    Poziom 12  
    Witam. Zajmuję się trochę elektroniką ale z audio jeszcze nic nie robiłem.

    Mam przedwzmacniacz i wzmacniacz 2x22W z oferty Sklepu AVT.
    Przedwzamcniacz - kit AVT1023
    Wzmacniacz - kit AVT2104/1
    Robię to sąsiadowi do gramofonu.

    I mam pytanie jaki potencjometr jest potrzebny by móc płynnie regulować głośność.
    Użyłem 50k (bo taki mam) i głośność reguluje się w zakresie ok. 45* obrotu na 270*.

    Proszę o pomoc.
  • REKLAMA
  • #2 4223094
    dybas
    Poziom 38  
    Rozumiem, że potencjometr w układzie ma jedną nogę na masie.
    Jeżeli tak, to wartość 50 kΩ jest zbyt duża. Proponuję 22 kΩ.
  • REKLAMA
  • #3 4223095
    kw48
    Poziom 25  
    Do regulacji głośności używa się potencjometrów o charakterystyce logarytmicznej oznaczone literą B. Spróbuj użyć potencjometru 47k B (niektóre firmy, np. Alps oznaczaja go A). A w ogóle to załącz schemat. Poza tym na stronie kitu AVT2104/1 jest pdf z kitem AVT2104, bez zabezpieczenia przed stukami przy włączaniu i wyłączaniu (art. EdW 6/96). W załączniku jest poprawka do tego kitu, czyli artykuł z EdW 9/97. W artykule nie było rysunku ścieżek płytki, a tylko widok elementów. Na tej podstawie trzeba sobie zaprojektować płytkę.
  • #4 4223108
    Don Arkada
    Poziom 12  
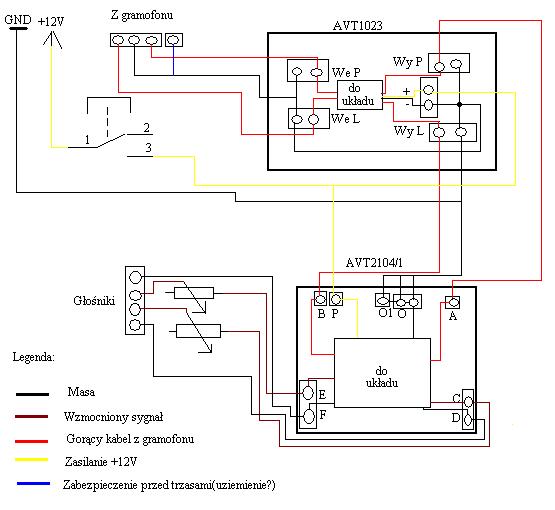
    Potek nie jest podłączony do masy. Zamieszczam uproszczony schemat. Potencjometr jest dwuliniowy.

    Wzmacniacz - jaki potencjometr

    W wyjściach gramofonu są dwa chinch i jeszcze jeden kabelek. Facet, który to sprzedawał mówił że to jakieś uziemienie przed ładunkiem elektrostatycznym(trzaskami). Dobrze to podłączyłem?

    I czym zrobić dziurki w radiatorze?
  • REKLAMA
  • #5 4223111
    karapaka
    Poziom 14  
    ja tez troche zajmuje sie elektronika na elektrodzie jestem zalogowany od niedawna ale w audio troche troche juz siedze sie na twoim miejscu to uzylbym jakiegos z zakresu 22-50km oczywiscie cha-ka B bo takie sa wlasciwosci ucha ludzkiego czyli logarytmiczna, potencjometry 10kΩ i powyzej 100kΩ to rzadko sa stosowane pisales cos o gramofonie moze potrzeban bedzie specjalna regulacja za pomoca ukaldu scalonego?? np napieciowo bo gramofon to daje "slabiutki sygnal"
  • #6 4223756
    Przemek Elektro
    Poziom 16  
    W ten sposób zmieniasz impedancje obciążenia, co ma wpływ na oddawaną moc, dlatego głośność się wogóle zmienia.
    Potencometr się umieszcza na wejściu wzmacniacza, a nie wyjściu.
    Podłancza się tak:
    http://sound.westhost.com/pots-f6.gif
    Czyli trzeba z niego zrobić regulowany dzielnik.

    link do całości:
    http://sound.westhost.com/pots.htm
  • REKLAMA
  • #7 4223830
    Don Arkada
    Poziom 12  
    karapaka napisał:
    pisales cos o gramofonie moze potrzeban bedzie specjalna regulacja za pomoca ukaldu scalonego?? np napieciowo bo gramofon to daje "slabiutki sygnal"


    Napisałem, że mam przedwzmacniacz i wzmacniacz. Gra wystarczająco głośno na 2x22W, tyle że chcę regulować głośność i do tego wystarczy mi potek.

    Dzięki Przemek Elektro za link.

    Tylko jaką wartość wybrać?
  • #8 4234615
    Don Arkada
    Poziom 12  
    Kupiłem potek tylko, że ma odczep i nie wiem do czego służy. Podłączyć go przy wejściu do przedwzmacniacza czy pomędzy wzmacniaczem, a przedwzmacniaczem?
    Podłączyłem między gramofonem, a przedwzmacniaczem i jest nie szum tylko takie "uuuuuuuuuuu" basem
  • #9 4234803
    żarówka rtęciowa
    Poziom 37  
    Ten odczep to tzw kontur, czyli regulacja fizjologiczna. Możesz go w ogóle nie podłączać.
REKLAMA