logo elektroda
logo elektroda
X
logo elektroda
REKLAMA
REKLAMA
Adblock/uBlockOrigin/AdGuard mogą powodować znikanie niektórych postów z powodu nowej reguły.

Przekrój przewodu - Jaki przekrój powinien mieć przewód do gniazda zapalniczki.

Triger 26 Wrz 2014 20:18 27921 12
REKLAMA
  • #1 13993470
    Triger
    Poziom 10  
    Witajcie
    Planuje wpiąć przełącznik w przewód do gniazda zapalniczki w bagażniku żeby móc decydować, kiedy prąd płynie cały czas a kiedy ma się wyłączać po wyjęciu kluczyka.
    Pytanie mam takie, jakiego przekroju przewód wykorzystać biorąc pod uwagę że nie korzystam z zapalniczki a najmocniejsze urządzenie podłączane do gniazda to odkurzacz 11W (http://www.agito.pl/blackdecker-odkurzacz-samochodowy-12v-pav1205-4275-526210.html)?
  • REKLAMA
  • Pomocny post
    #2 13993536
    ankowalik
    Poziom 24  
    Jeśli max. moc będzie 11W to popłynie niecały 1A. Zakładając 3A na mm kwadratowy to będzie... hmm (masz kalkulator :D ).
  • REKLAMA
  • #3 13993570
    Triger
    Poziom 10  
    ankowalik napisał:
    Jeśli max. moc będzie 11W to popłynie niecały 1A. Zakładając 3A na mm kwadratowy to będzie... hmm (masz kalkulator :D ).


    Czyli 0,3 mm starczy, tak? Dzięki.
  • Pomocny post
    #4 13993690
    oldking
    Poziom 33  
    A jak ktoś podłączy co mocniejszego, pożar samochodu gotowy.
    Przekrój przewodu dobrany jest do zabezpieczenia i nie powinien być mniejszy.
    Daj taki sam jak jest w samochodzie.
  • #5 13993759
    Triger
    Poziom 10  
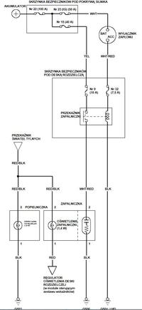
    Poniżej schemat instalacji gniazda zapalniczki w kabinie i w bagażniku. Jaki przkrój dla tych bezpieczników zastosować?
    To na drugim zrzucie w ramce z lini przerywanej nie dotyczy mojego modelu.

    Przekrój przewodu - Jaki przekrój powinien mieć przewód do gniazda zapalniczki.

    Przekrój przewodu - Jaki przekrój powinien mieć przewód do gniazda zapalniczki.
  • REKLAMA
  • #6 13994281
    ankowalik
    Poziom 24  
    oldking napisał:

    Przekrój przewodu dobrany jest do zabezpieczenia i nie powinien być mniejszy.

    A więc masz dwa wyjścia: 1. dać dla Twego 11W obciążenia bezp. 2A. I przewód: przekrój 1,5 mm.
    2. użyć 25 - 70 dkg cennej miedzi.
    Ja bym wybrał 1 :D
  • #7 13994365
    profesjonalista55
    Poziom 15  
    Francuska zasada: 1mm2 to 5A
  • REKLAMA
  • #8 13994418
    ankowalik
    Poziom 24  
    A to zależy od regionu. Znam Pana z Normandii co uznaje tylko 4,7 mm :wink:
  • Pomocny post
    #9 13994603
    Pawel wawa
    VIP Zasłużony dla elektroda
    Powinno tu polecieć kilka ostrzeżeń. Po pierwsze, przewód nie mniej niż 0,75mm2, po drugie zabezpieczenie gniazdka - 15A. Oba zabezpieczenia (fabryczne i dkładane) muszą mieć identyczną wartość. Wpięte możliwie najbliżej zasilania. Ma zabezpieczać także sam przewód. Instalacja ma być przystosowana, zarówno w jednej pozycji przełącznika jak i w drugiej, do poboru takiego samego prądu. Przekrój przewodu ma gwarantować, że właśnie bezpiecznik będzie najsłabszym ogniwem łańcucha.
    Przenoszę do początkujących.
  • #10 13994646
    vodiczka
    Poziom 43  
    Triger napisał:
    a najmocniejsze urządzenie podłączane do gniazda to odkurzacz 11W
    Koledzy! W opisie produktu stoi jak byk: Moc zasysania (W) 11 W
    Zapewne moc elektryczna i prąd pobierany przez silnik są dużo większe. Nawet odkurzacz o mocy 60W bardziej nadaje się do zbierania popiołu z papierosów niż do normalnego odkurzania. :D
  • #11 13995259
    Pawel wawa
    VIP Zasłużony dla elektroda
    Na dole w danych technicznych z linku: Moc pobierana 11 W
    Ta moc zasysania, to chwyt marketingowy.
    Nie zmienia to postaci rzeczy.
  • #12 13995266
    ToJestNick
    Poziom 31  
    Jednak mi się wydaje, że ten odkurzacz i tak weźmie więcej niż 11W :)
    Przewód ja bym dał 2x 1.5mm oraz bezpiecznik 10A.

    Moderowany przez Pawel wawa:

    Chcesz następne, ostatnie ostrzeżenie? Nie wypowiadaj się w tematach, o których nie masz pojęcia. Wyjaśnienie merytoryczne w moim poście wyżej. Tym razem upomnienie.

  • #13 14033881
    Triger
    Poziom 10  
    Dobra, dzięki Panowie, zrobiłem zgodnie ze sztuką, żadnej prowizorki bo faktycznie sprzedam komuś auto a on je sfajczy.
REKLAMA