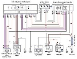
Proszę o podpowiedz - mam problem z peugeotem 1007 2005 1.5 8v benzyna alternator VALEO 70A z linią COM . Alternator dostał zwarcia na stojanie i wymagał naprawy. Poszedł do regeneracji i przy testach na stole trzymał wszystkie parametry ale po włożeniu i przejechaniu kilkudziesięciu kilometrów przestał ładować - uszkodzeniu uległ regulator napięcia i mostek prostowniczy oraz stojan. Taka sytuacja już 3 razy miała miejsce.
Z dodatkowych informacji: nowy założony dzień przez pierwszą awarią akumulator, który w wyniku tego pierwszego zwarcia rozładował się do '0' i teraz teoretycznie działa OK.
Gdzie szukać przyczyny? Czy winny może być sterownik ECU który wysterowuje alternator linią COM?

Z dodatkowych informacji: nowy założony dzień przez pierwszą awarią akumulator, który w wyniku tego pierwszego zwarcia rozładował się do '0' i teraz teoretycznie działa OK.
Gdzie szukać przyczyny? Czy winny może być sterownik ECU który wysterowuje alternator linią COM?