logo elektroda
logo elektroda
X
logo elektroda
REKLAMA
REKLAMA
Adblock/uBlockOrigin/AdGuard mogą powodować znikanie niektórych postów z powodu nowej reguły.

Prosty gong jedno-dwu-trój tonowy

zasoby 15 Maj 2006 11:18 6758 6
REKLAMA
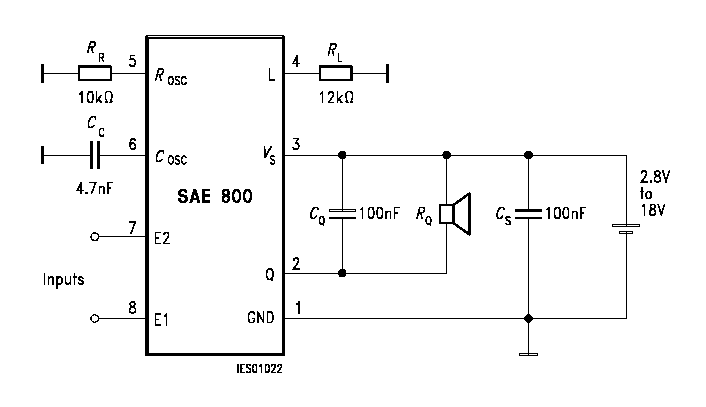
  • Bardzo proste rozwiązanie gongu uzyskano dzięki zastosowaniu układu SAE800 zintegrowanego i programowalnego gongu jedno-dwu-trój tonowego. Układ generuje trzy różne tony, wyboru dokonujemy za pomocą przycisków S1-S3. Sam SEA800 do generowania tonów wymaga tylko kilku elementów zewnętrznych. W przedstawionym schemacie na elementach D3, R4, T1, C1, C2 zbudowano prostownik jednopołówkowy plus stabilizator 5V, dzięki temu układ może być zasilany wprost z transformatora. Regulacji głośności dokonujemy za pomocą P1.

    Fajne? Ranking DIY
    O autorze
    zasoby
    Poziom 23  
    Offline 
    zasoby napisał 784 postów o ocenie 432, pomógł 4 razy. Jest z nami od 2002 roku.
  • REKLAMA
  • #2 2631296
    Adix
    Poziom 20  
    Ile kosztuje SAE800 i gdzie go zdobyć?
  • REKLAMA
  • REKLAMA
  • #4 2632859
    Adix
    Poziom 20  
    Nie:-)
    Nie:-(
  • #6 2771742
    markusek
    Poziom 15  
    W googlach wpisałem SAE800 i znalazłem jeden link z krótkim opisem i dołączonym jakimś dźwiękiem - dzwonka ( 3 pozycja po lewej od góry)

    http://www.radioklub.co.yu/radiokit/zakucu.html

    okazało się że jest to sygnał ze stacji kolejowej, a nie dzwonek, który będzie imitował dżwięk dzwonka opartego o młoteczek i blaszki.

    Ktoś już może zbudował taki dzwonek i może powiedzieć jaki wydaje dźwięk ?

    pozdrawiam

    markusek
  • REKLAMA
  • #7 3268334
    Adix
    Poziom 20  
    Zbudowałem taki gong w wolnej chwili. Dźwiek do bani (oscylator 10k i 4,7nF). Może jak zmienie elementy oscylatora to się poprawi. Dźwięk bardzo długi i słychać obwiednie.
REKLAMA