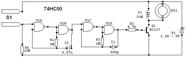
Jak nazwa wskazuje, uslyszymy przenikliwy dzwiek ostrzegawczy gdy woda dojdzie do czujnika S1 i zalaczy obwod multiwibratorow. Wtedy zwykly piszczek piezo ( moze byc taki z zegarka ) zacznie wyc informujac nas o napelnienu wanny do wymaganego poziomu. Poki styki S1 nie sa zwierane przez wode uklad pobiera ok 2 mikroAmperow pradu, a wiec w ogole nie wymaga wylacznika. W stanie aktywnym ( brzeczenie ) uklad pobiera ok 7mA. Zasilany moze byc napieciem od 2.5V do 14V. Typ tranzystora NPN moze byc dowolny, byle prady zerowe nie byly duze.
Cewka L1 pochodzi ze starego zegarka elektronicznego.
Kostke 74HC00 zasilamy dodatnim napieciem przez pin 14, a do masy laczymy pin 7.
Pozdrawiam, Y E G O
Cewka L1 pochodzi ze starego zegarka elektronicznego.
Kostke 74HC00 zasilamy dodatnim napieciem przez pin 14, a do masy laczymy pin 7.
Pozdrawiam, Y E G O
Fajne? Ranking DIY
