logo elektroda
logo elektroda
X
logo elektroda
REKLAMA
REKLAMA
Adblock/uBlockOrigin/AdGuard mogą powodować znikanie niektórych postów z powodu nowej reguły.

Seat Ibiza IIFL 1.9 TDI ASV 2000 - brak kontrolki świec, odpala po podgrzaniu ECU

kibic1910 01 Wrz 2014 22:27 6282 9
REKLAMA
  • #1 13926864
    kibic1910
    Poziom 10  
    Witam. Mam problem ze swoją Ibizą. Nie świeci się kontrolka świec żarowych. Wymieniłem przekaźnik świec żarowych, oraz przekaźnik 109. Dalej nic. Rezultat przynosi podgrzanie komputera, np. suszarką. Wtedy odpala. Jak komputer się ochłodzi, to problem znów powraca. Dodam, że jak samochód odpali, to chodzi bez najmniejszych problemów. Program diagnostyczny w laptopie łączy się z komputerem auta dopiero gdy kontrolka świec się pojawi. Miał ktoś podobny problem?
  • REKLAMA
  • #2 13927064
    damian475
    Poziom 18  
    Kolego, skoro podgrzanie komputera pomaga - to trzeba zacząć od niego. Może wilgoć na stykach lub problem z sama elektronika ECU. Warto odwiedzić warsztat, który zajmuje sie elektronika samochodową i być pewnym naprawy.
  • #3 13927457
    grala1
    Specjalista grupy V.A.G.
    Sprawdź masy i zasilania na EDC. Jeżeli są ok to EDC do wymiany lub naprawy.
  • REKLAMA
  • #4 13927460
    kibic1910
    Poziom 10  
    Rozumiem. Wolałem spytać, bo może ktoś miał podobny przypadek. Do mechaników to nie jestem do końca przekonany, ale chyba będę musiał się do nich udać. Dzięki za szybką odpowiedź kolego ;)

    Dodano po 4 [minuty]:

    Tzn. chodzi Ci, żeby posprawdzać napięcia na kostkach które idą do sterownika? Jeśli tak to czy jakiś schemat powinien się znaleźć?
  • REKLAMA
  • #5 13927480
    grala1
    Specjalista grupy V.A.G.
    Tak, trzeba sprawdzić wedle schematu.
    Trzeba sprawdzić pod obciążeniem za pomocą żarówki a nie miernikiem.
  • REKLAMA
  • #6 13927500
    kibic1910
    Poziom 10  
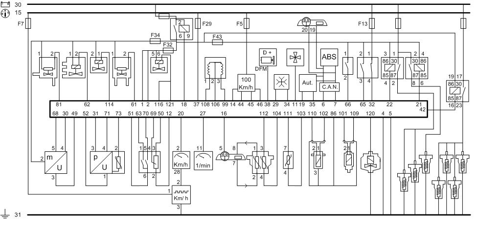
    Znalazłem kilka schematów, ale dotyczących ogólnej instalacji elektrycznej samochodu. Dostępne są w ogóle takie dokładne schematy, gdzie jest napisane który piun za co odpowiada ?
  • #8 13945910
    kibic1910
    Poziom 10  
    Dzięki grala1 za udostępnienie schematu. Przepraszam, że teraz się odzywam, ale nie miałem wcześniej czasu, bo całymi dniami pracuję. Z tego co się dowiedziałem to prawdopodobnie komp do wymiany. Znalazłem coś na allegro, ale wszystkie numery na moim komputerze nie są widoczne, a nie które się dokładnie nie zgadzają. Czy czymś takim można zastąpić mój komputer? (ten pościerany to mój, a ten drugi z aukcji) Seat Ibiza IIFL 1.9 TDI ASV 2000 - brak kontrolki świec, odpala po podgrzaniu ECU Seat Ibiza IIFL 1.9 TDI ASV 2000 - brak kontrolki świec, odpala po podgrzaniu ECU

    Dodano po 2 [minuty]:

    Ewentualnie kto mógł by polecić jakiegoś speca z Łodzi, żeby mógł zerknąć na ten mój sterownik?
  • #9 13945977
    Pawel wawa
    VIP Zasłużony dla elektroda
    Nie lepiej naprawić sterownik? Albo odczytać dane za pomocą diagnostyki? A tak będziemy strzelać. W końcu się trafi... Nie mam pewności, czy ten będzie pasował. W Twoim masz końcówkę chyba 618 a ten 018. Może być problem. A naprawa Twojego sterownika, będzie tańsza niż wymiana i dopisanie nowego.
  • #10 13989223
    kibic1910
    Poziom 10  
    Problem rozwiązany. Rozebrałem sterownik, osuszyłem suszarką. Następnie wypsikałem preparatem "kontakt". Samochód odpala w każdych warunkach. Dziekuję wszystkim za pomoc :)
REKLAMA