logo elektroda
logo elektroda
X
logo elektroda
REKLAMA
REKLAMA
Adblock/uBlockOrigin/AdGuard mogą powodować znikanie niektórych postów z powodu nowej reguły.

Daihatsu Rocky 2,8TD - Nie włączający się regulator napięcia

tomek10861 27 Sie 2015 18:07 6588 15
REKLAMA
  • #1 14951548
    tomek10861
    Poziom 27  
    Posty: 1371
    Pomógł: 13
    Ocena: 199
    Witam. Posiadam samochód Daihatsu Rocky z silnikiem 2,8 Turbo Diesel, rok 1991.
    W samochodzie wymieniłem alternator bo stary był spalony (uzwojenie na stojanie było aż czarne). Po wymianie alternatora na używany z allegro kontrolki ładowania dalej się świecą. Doszedłem do przyczyny problemu. W regulatorze napięcia są dwa styczniki (jeden uruchamia drugi gdy napięcie alternatora jest odpowiednio wysokie), przy czym jeden stycznik "nie ma siły" na załączenie zwory a zarazem ładowania. Gdy mu się pomoże palcem ładowanie jest. Co więcej alternator podczas pracy się grzeje (podczas pracy na luzie), prąd jaki wychodzi z alternatora na samochód to około 16 -19 A. Przy czym 10 - 15 A idzie na akumulator a 4A na samochód (robione pomiary ile pobiera samochód przy odłączonym alternatorze itp). Co ciekawe jeśli przewód + połączy się szeregowo przez jakiś rezystor do alternatora (lub w ogóle się go nie podłączy) to kontrolki ładowania gasną. Napięcie pokazywane na woltomierzu wewnątrz kabiny przy przy gazówce dochodzi nawet do 17V. Na luzie około 15V. Przy odłączonym akumulatorze drastycznie rośnie nawet ponad 20V i lepiej (tak wiem, że nie powinno się tak testować).

    Teraz parę pytań.
    1.Dlaczego nie włącza się stycznik w regulatorze napięcia.
    2.Czy prąd około 20A to normalny prąd pracy alternatora.
    3.Czy to normalne, że alternator podczas pracy się grzeje tak, że czasami ciężko utrzymać rękę.

    Pozdrawiam
  • REKLAMA
  • #2 14951565
    Stanisław Chwalisz
    Poziom 34  
    Posty: 2056
    Pomógł: 182
    Ocena: 799
    Wskazane odwiedziny w warsztacie od altków.
  • Pomocny post
    #4 14951770
    manta
    VIP Zasłużony dla elektroda
    Posty: 5875
    Pomógł: 463
    Ocena: 1529
    Stojan, lub diody do sprawdzenia.
  • #5 14951850
    tomek10861
    Poziom 27  
    Posty: 1371
    Pomógł: 13
    Ocena: 199
    To jak tak to chyba muszę się skontaktować ze sprzedającym bo dał mi 10 dniową gwarancję i polakierował śruby od alternatora, nie będę go rozkręcał jak tak. Myślałem że awaria bardziej dotyczy problemów z instalacją w aucie, bo dlaczego spalił się poprzedni alternator.
  • REKLAMA
  • Pomocny post
    #6 14952233
    żałosna udręka
    Poziom 34  
    Posty: 2362
    Pomógł: 191
    Ocena: 1019
    Uszkodzony regulator napięcia, skoro alternator daję radę uzyskać 17V na akumulatorze.
  • #7 14952278
    tomek10861
    Poziom 27  
    Posty: 1371
    Pomógł: 13
    Ocena: 199
    W tym Daihatsu mam dokładnie taki regulator: http://www.allegromat.pl/aukcja176215
    Po jego rozebraniu widzę dwa styczniki i jeden rezystor. No ile się orientuję jego działanie opiera się na takiej samiej zasadzie jak tego regulatora?
    Daihatsu Rocky 2,8TD - Nie włączający się regulator napięcia
    Czyli podczas pracy jeden stycznik powinien nieustanni klikać? Bo u mnie brzęczy, a przy pomocy palcem chwyta na stałe.
    Pozdrawiam
  • Pomocny post
    #8 14952394
    żałosna udręka
    Poziom 34  
    Posty: 2362
    Pomógł: 191
    Ocena: 1019
    Uzwojenie jednego jest wpięte szeregowo ze wzbudzeniem. Przynajmniej tak mi się coś przypomina regulator mechaniczny Denso. Ten powyżej jest inny. Jeden stycznik podaje plus na wzbudzenie i zbocznikowany jest rezystorem, drugi całkiem obniża napięcie wzbudzenia do masy. Proponuję regulator podpiąć do zasilacza laboratoryjnego i sprawdzić.
  • #9 14952487
    tomek10861
    Poziom 27  
    Posty: 1371
    Pomógł: 13
    Ocena: 199
    Powoli zaczynam to rozgryzać.
    Daihatsu Rocky 2,8TD - Nie włączający się regulator napięcia Daihatsu Rocky 2,8TD - Nie włączający się regulator napięcia Daihatsu Rocky 2,8TD - Nie włączający się regulator napięcia Daihatsu Rocky 2,8TD - Nie włączający się regulator napięcia Daihatsu Rocky 2,8TD - Nie włączający się regulator napięcia
    Może jakość schematu regulatora nie najlepsza ale rysowany na szybko. Oznaczenia w kółkach odpowiadają oznaczeniom z schematu samochodu. Już wiem dlaczego jak odłączę przewód + to cewka przekaźnika tego z prawej (jest to przekaźnik m.in. od lampki) chwyta. Po prostu obciążenie alternatora powoduje duży spadek napięcia przez co na pinie P mam zbyt niskie napięcie do wysterowania cewki. Dochodzi tutaj pytanie dlaczego nie działa regulacja napięcie i dla mnie działanie przekaźnika 2 jest bardziej 0/1 niż liniowe.

    Jutro posprawdzam jakość styków na przekaźnikach i jak przekaźniki zachowują się zasilane z zasilacza.
    Pozdrawiam

    Dodano po 42 [minuty]:

    Dobra przerysowałem schemat teraz trochę lepiej całość widać.
    Daihatsu Rocky 2,8TD - Nie włączający się regulator napięcia Daihatsu Rocky 2,8TD - Nie włączający się regulator napięcia


    Dodano po 9 [godzinach]:

    Okej więc jestem po testach. Cewka pierwsza która uruchamia lampkę startuje bezproblemowo z 12V. Cewka, która odcina wzbudzenie alternatora startuje dopiero po podaniu 24V. Napięcie 15 i 18 V nie uruchamia jej. Podejrzewam, że regulator jest sprawny sprawdzę masę samochodu.
  • REKLAMA
  • #10 14953350
    tomek10861
    Poziom 27  
    Posty: 1371
    Pomógł: 13
    Ocena: 199
    Okej więc wiem co jest grane. Na pinie P mam napięcie 4 - 5V (nie wiem czy nie jest zbyt niskie). Powyczyszczałem styki, przekaźnik od lampki chwyta po pewnym czasie (lub po przy gazówce). Przekaźnik do odłączania wzbudzenia nie załącza się nawet gdy obroty silnika mam na odcięciu. Maksymalne napięcie instalacji mierzone multimetrem to 16V (przy ful obrotach), miernik w kabinie pokazuje wtedy ponad 18V.

    Dodano po 50 [minuty]:

    Dodatkowo alternator się grzeje tak, że ciężko jest utrzymać rękę.
  • #11 14956528
    żałosna udręka
    Poziom 34  
    Posty: 2362
    Pomógł: 191
    Ocena: 1019
    Jeden stycznik wyłącza kontrolkę gdy prąd wzbudzenia jest wystarczający. Pracuje szeregowo ze wzbudzeniem. Drugi to klasyczny regulator napięcia, który u Ciebie nie działa prawidłowo. Przy 15V powinien być całkowicie zamknięty. Jest możliwość regulacji, przez wyginanie podparcia sprężyny, ale nie sądzę, że się rozregulował. Eksperymenty z za wysokim napięciem wykończą w pierwszej kolejności akumulator.
  • REKLAMA
  • #12 14957005
    tomek10861
    Poziom 27  
    Posty: 1371
    Pomógł: 13
    Ocena: 199
    Więc tak zbudowałem sobie osobny obwód na samym regulatorze, alternatorze, osobnym akumulatorze 66Ah i żarówce H4 która robiła za kontrolkę ładowania. Po odpaleniu samochodu żarówka bez problemu zgasła napięcie wynosiło ponad 14V ale nie więcej jak 16V (obroty maksymalne). Jednak gdy zamiast akumulatora 66Ah podłączyłem głęboko rozładowany około 100Ah (albo lepiej) objawy były takie same jak w samochodzie (chyba zbyt niskie napięcie wzbudzania), żarówka nie gasła . Gdy akumulator już się podładował z alternatora (przy nie niedziałającym regulatorze) stycznik załączył się, żarówka zgasła. Wygląda to tak jak gdyby alternator "nie wyrabiał" przy większym obciążeniu. Rozmawiałem też ze sprzedawcą, mówi że alternatora u niego bez problemu pracował i ładował samochód, wszystkie kontrolki gasły od razu. Co do samego grzania się alternatora rozmawiałem z paroma mechanikami, kilku twierdzi że grzanie się jest normalną sprawą.

    W poniedziałek spotykam się z elektrykiem bo sam już nie mam do tego siły, może on mi coś doradzi. Osobiście podejrzewam (o ile sprzedawca mówi prawdę) regulator napięcia oraz jakieś cyrki z instalacją auta.
  • #13 14957559
    żałosna udręka
    Poziom 34  
    Posty: 2362
    Pomógł: 191
    Ocena: 1019
    Wyrzuć ten regulator i podłącz taki. Albo jakikolwiek z regulowanym minusem. Dodatkowo plus po stacyjce podajesz na wzbudzenie przez żarówkę 10W równolegle z kontrolką w zegarach i po sprawie. Wszystko będzie lepiej. Wcześniej będzie ładował, bo nie będzie spadku napięcia na styczniku od kontrolki. Będzie lepsza regulacja napięcia itd. Przy odrobinie samozaparcia zmieści się w obudowę po starym regulatorze, więc będzie wyglądało jak oryginał.
  • Pomocny post
    #15 14959180
    żałosna udręka
    Poziom 34  
    Posty: 2362
    Pomógł: 191
    Ocena: 1019
    Ma być z regulowanym minusem, czyli jedna szczotka na stałe plus 12. Jedyna przeróbka to zwiększenie prądu wzbudzenia, bo żarówka w zegarach nie wystarczy. Ja dokładałem drugą, ale 10W czy 5W określisz empirycznie. Zaobserwujesz czy przy odpowiednio niskich obrotach gaśnie kontrolka ładowania.
  • #16 14964254
    tomek10861
    Poziom 27  
    Posty: 1371
    Pomógł: 13
    Ocena: 199
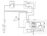
    Dzięki wielkie kolego za pomoc trefny okazał się regulator. Pojechałem do okolicznego sklepu motoryzacyjnego i kupiłem elektroniczny odpowiednik regulatora elektromechanicznego stosowanego w dużych fiatach i ciągnikach C330 za całe 19zł (regulator do mojego samochodu używany kosztuje 180zł). Regulator był stosowany w obwodach z 9 diodami w alternatorze, a ja mam 6 przez co był problem z kontrolką ładowania. Rozwiązałem problem poprzez wstawienie szeregowo za alternatorem diody prostowniczej (spawalniczej) coś około 100A. Całość działa poprawnie. Kontrolka po odpaleniu i zwiększeniu obrotów do około 1 tyś gaśnie. Napięcie nie wariuje widać, że oscyluje w granicach 14-15V. Problem uważam za rozwiązany, jeszcze sprawdzę w praktyce czy alternator się grzeje. Załączam dodatkowo schemat jak to mam podłączone. Schemat alternatora jest tu też bardziej poprawny bo ten co miałem miał cewkę wzbudzenia na stałe podłączoną do + (ja mam do -).
    Jeśli macie jakieś uwagi proszę pisać śmiało. Dziękuję również za pomoc w szczególności koledze żałosna udręka.
    Pozdrawiam

    Daihatsu Rocky 2,8TD - Nie włączający się regulator napięcia

Podsumowanie tematu

✨ Daihatsu Rocky z silnikiem 2,8 Turbo Diesel ma problem z regulatorem napięcia po wymianie alternatora. Użytkownik zauważył, że kontrolki ładowania pozostają włączone, a alternator grzeje się podczas pracy. Po analizie, stwierdzono, że regulator napięcia nie działa prawidłowo, co prowadzi do niewystarczającego wzbudzenia alternatora. Użytkownik rozważał różne przyczyny, w tym uszkodzenie regulatora oraz problemy z instalacją elektryczną. Po wymianie regulatora na elektroniczny odpowiednik, problem został rozwiązany, a napięcie ładowania stabilizowało się w granicach 14-15V.
Wygenerowane przez model językowy.
REKLAMA