logo elektroda
logo elektroda
X
logo elektroda
REKLAMA
REKLAMA
Adblock/uBlockOrigin/AdGuard mogą powodować znikanie niektórych postów z powodu nowej reguły.

Regulator obrotów silnika z U2008B

zasoby 13 Lip 2005 17:44 58634 23
REKLAMA
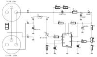
  • Jest to regulator obrotów silnika z łagodnym rozruchem i stabilizatorem obrotów bazujący na układzie U2008B. W tej malutkiej kostce znajduje się także stabilizator napięcia zasilającego, precyzyjny komparator oraz źródło napięcia odniesienia.
    Załączniki:
    • Regulator obrotów silnika z U2008B u2008b.gif (17.35 KB) Musisz być zalogowany, aby pobrać ten załącznik.
    • Regulator obrotów silnika z U2008B u2008b_elem.gif (18.39 KB) Musisz być zalogowany, aby pobrać ten załącznik.
    • Regulator obrotów silnika z U2008B u2008b_pcb.gif (7.43 KB) Musisz być zalogowany, aby pobrać ten załącznik.

    Fajne? Ranking DIY
    O autorze
    zasoby
    Poziom 23  
    Offline 
    zasoby napisał 784 postów o ocenie 445, pomógł 4 razy. Jest z nami od 2002 roku.
  • REKLAMA
  • #2 1651415
    badworm
    Poziom 18  
    Posty: 351
    Ocena: 36
    Wypadałoby napisać, że to regulator do silników szeregowych(uniwersalnych) bo jeszcze ktoś to wykorzysta do silnika indukcyjnego i się zdziwi.
  • REKLAMA
  • #3 1651951
    janek11389
    Poziom 42  
    Posty: 6695
    Pomógł: 780
    Ocena: 239
    Witam! Ja to wykorzystałem do odpal arki samochodowej 2kW na 24 i 12V, na pierwotne uzwojenie, tylko trzeba na wyjście dać maleńką żaróweczkę, taką, 15W, bo inaczej ma problemy z regulacją, pewnie chodzi tu o indukcyjność, ale działa już ładnych parę lat.
    Pozdrawiam
  • #4 1663558
    vili
    Poziom 15  
    Posty: 69
    Pomógł: 11
    Ocena: 16
    Witam
    Jesli chcecie ograniczyc "obroty silnika" przez ten regulator to mozna zastosować potencjometry zamiast R7 i R8.
    Ma się rozumieć, że można ograniczyć obroty z dołu i góry, czyli minimum i maximum tak aby nie doszło do obrotów max i minimalnych.
    To tak na marginesie.
  • REKLAMA
  • #5 3658784
    tomek625
    Poziom 14  
    Posty: 145
    Pomógł: 10
    Ocena: 83
    Jakie to są te 3 elementy schematu?
    Załączniki:
    • Regulator obrotów silnika z U2008B bez tytułu.JPG (11.41 KB) Musisz być zalogowany, aby pobrać ten załącznik.
  • #6 3659521
    daduszeryf
    Poziom 28  
    Posty: 1088
    Pomógł: 114
    Ocena: 212
    Cześć.Jeden jak ty nazywasz element to gniazdko(te do którego jest podpięty triak) drugi to wejście napięcia z sieci a ten mały element to bezpiecznik.
  • #7 3880912
    tomek625
    Poziom 14  
    Posty: 145
    Pomógł: 10
    Ocena: 83
    Poszukuje schematu regulatora do półautomatu spawalniczego Migmate turbo 130 typ MIG05-01.
  • #8 4824333
    pawel-foto
    Poziom 19  
    Posty: 396
    Pomógł: 12
    Ocena: 40
    Czy ktoś zrobił ten układ? Interesuje mnie jak wykonać dławik.
  • #9 4884140
    Marjian
    Poziom 12  
    Posty: 17
    Ocena: 3
    Kupiłem podobny układ z kitu jabela J220. układ działa ale regulacja jest za mała w porównaniu do oryginalnej regulacji obrotów w szlifierce BOSCH'a, a zwiekszenie wartości potencjometrów nie pomogło.
  • #10 5232895
    jegrus
    Poziom 12  
    Posty: 85
    Ocena: 9
    Witam.
    Jakiej wartości jest R1, 5 om czy 50 om? I jaka jest jego moc? Chciałbym regulować nim szlifierkę o mocy 900W.
  • #11 5233858
    vili
    Poziom 15  
    Posty: 69
    Pomógł: 11
    Ocena: 16
    Witam
    zmontowałem kiedyś podobny uklad z PE i działa bez problemu
    bo jest regulacja dolnych obrotów i górnych tzn ograniczenia stosujące się do głównego potencjometru od obrotow.
  • #12 5547093
    Agent0700
    Poziom 2  
    Posty: 3
    Ocena: 1
    Witam

    Dołączam się do pytania o opornik R1.

    Chciałbym się też zapytać o L1 - facet w sklepie elektronicznym nie wiedział co to jest :-/

    Zmienił mi triaka na większy - powiedział, że do spawarki trzeba większy.

    Pozdrawiam

    Jacek
  • #13 5703256
    Markos85
    Poziom 18  
    Posty: 301
    Pomógł: 9
    Ocena: 17
    R1 ma być taki, aby odłożyło się na nim nie więcej niż 300mV, tak więc musisz sobie przeliczyć jakie będziesz miał maksymalne obciążenie (np przy rozruchu)
    L1 (dławik) jest tylko elementem filtru tak samo jak C1, filtr powinien być, ale niekoniecznie, a wartość tych elementów też zależy od prądu obciążenia i od oczekiwanego poziomu filtracji
  • #14 5727287
    fasol86
    Poziom 11  
    Posty: 8
    Ocena: 4
    Witam czy w elektroniku zrobią mi taką płytke? Czy ktoś zbudował ten regulator, jestem ciekaw jaki jest koszt czy nie lepiej kupić z allegro kit?
  • REKLAMA
  • #15 5783977
    Marcin G.
    Poziom 18  
    Posty: 371
    Pomógł: 8
    Ocena: 35
    Witam. Czy mogę taki regulator zastosować do prostownika?
  • #16 5784627
    Markos85
    Poziom 18  
    Posty: 301
    Pomógł: 9
    Ocena: 17
    tak, jeżeli chodzi ci o zasilacz regulowany to bez problemów, lepiej po stronie wtórnej transformatora, ale jak użyjesz go po stronie pierwotnej to też nic nie wybuchnie (raczej :D) a jest prościej.
    a jeżeli to ma być do ładowania akumulatorów to chyba najlepszym pomysłem było by zbudowanie mostka greatza na dwóch triakach i dwóch diodach i też powinno działać, chociaż z u2008b to nigdy nic nie wiadomo ;p, podobno u2010 jest lepszy
  • #17 5789268
    Marcin G.
    Poziom 18  
    Posty: 371
    Pomógł: 8
    Ocena: 35
    Chce ten regulator dać przed transformatorem. Za transformatorem mam mostek gretza i automat Juzefa G. A mogę taki regulator zastosować do silnika bez komutatora? Che regulować pompkę od ogrzewania centralnego w domu.
  • #18 5790880
    Markos85
    Poziom 18  
    Posty: 301
    Pomógł: 9
    Ocena: 17
    z transformatorem jest tak, że rdzeń jest na 50hz tyle jest w sieci, ale za tyrystorem nie masz już czystego sinusa największą amplitudę ma składowa 50Hz ale poza nią masz również znaczne wartości innych raczej nieparzystych ale nie pamiętam dokładnie. tak czy inaczej energia niesiona przez pozostałe harmoniczne zmieni się w transformatorze w ciepło, i trafo może trochę buczeć. a co to jest automat Juzefa G ?
    a silnik będzie zachowywał się podobnie jak transformator, najlepiej sprawdzić doświadczalnie :D
  • #19 5791977
    zworys
    Poziom 39  
    Posty: 4114
    Pomógł: 519
    Ocena: 571
    Marcin G - nie można tego regulatora stosować do silników stosowanych w pompach CO. Ogólnie mówiąc tam mamy do czynienia z wirującym polem magnetycznym i jedyna sprawna regulacja w tym przypadku polega na zmianie prędkości wirowania pola czyli trzeba zastosować np. falownik. Efektem zastosowania tego regulatora będzie to że silnik nie ruszy lub przy obniżonym napięciu zatrzyma się i po prostu się spali.
  • #20 6002799
    Markos85
    Poziom 18  
    Posty: 301
    Pomógł: 9
    Ocena: 17
    można, sterować prędkością silnika indukcyjnego za pomocą napięcia, poślizg się zwiększa, a prędkość maleje, maleje również moment. Jest to najprostsza i najbardziej nieefektywna metoda regulacji, ale do pomp i wentylatorów podobno się jakośtam nadaje, z tym, że raczej w zamkniętym układzie kontroli. można sprawdzić doświadczalnie jak będzie działało, ale raczej kontrola będzie w bardzo małym zakresie. a przy za bardzo obniżonym napięciu silnik zatrzyma się a potem po prostu się spali.
  • #21 6543063
    Longin_S
    Poziom 14  
    Posty: 61
    Pomógł: 3
    Ocena: 8
    Mam pytanie jak w przedstawionym wyżej rozwiązaniu realizowany jest łgodny rozruch?
    Według noty katalogowej jest to raczej układ do kompensacji zmian prądu obciążenia.
  • #22 7911963
    slonio199016
    Poziom 2  
    Posty: 3
    Ocena: 6
    chcicałem zapytać co jest przyczyną przepalania sie rezystora R2 180 ohm połączonego z bramką triaka i nóżką nr 8 scalaka
  • #23 9490159
    e_miodek
    Poziom 2  
    Posty: 2
    Ocena: 1
    Czy można zastosować jako napięcie odniesienia przetwornik C/A?
  • #24 10987422
    Mateusz12bob
    Uczeń
    Posty: 57
    Ocena: 4
    Ja mam taki problem że mi trzeba regulator na 25A. Czy ktoś miałby taki schemat? I że by był też czujnik ciepła.

Podsumowanie tematu

✨ Dyskusja dotyczy regulatora obrotów silnika opartego na układzie U2008B, który zawiera stabilizator napięcia, precyzyjny komparator oraz źródło napięcia odniesienia. Regulator jest przeznaczony głównie do silników szeregowych (uniwersalnych) i nie nadaje się do silników indukcyjnych bez komutatora, takich jak pompy CO, gdzie regulacja wymaga falownika. Wskazano, że regulator umożliwia łagodny rozruch i stabilizację obrotów, a ograniczenie zakresu regulacji można uzyskać przez zastosowanie potencjometrów zamiast rezystorów R7 i R8. W praktyce stosowano go m.in. do rozruchu silnika prądu stałego 2kW na 12/24V, z koniecznością dołączenia małej żarówki (ok. 15W) na wyjściu w celu poprawy stabilności regulacji. Omówiono także elementy schematu, takie jak triak, bezpiecznik, dławik (L1) i rezystor R1, którego wartość i moc należy dobrać tak, aby na nim spadło maksymalnie 300mV przy obciążeniu. Dławik i kondensator pełnią funkcję filtru, a ich parametry zależą od prądu obciążenia i wymaganego poziomu filtracji. Poruszono kwestie stosowania regulatora przed lub za transformatorem oraz wpływu harmonicznych na transformator i silnik. Wskazano, że regulator może być używany do prostowników i zasilaczy regulowanych, ale nie jest optymalny do ładowania akumulatorów. Pojawiły się pytania o przyczynę przepalania rezystora R2 180Ω połączonego z bramką triaka i nóżką układu U2008B oraz o możliwość zastosowania przetwornika C/A jako źródła napięcia odniesienia. Zgłoszono też zapotrzebowanie na schemat regulatora o prądzie 25A z czujnikiem ciepła. W dyskusji pojawiły się porównania do układu U2010, który jest uważany za lepszy w niektórych zastosowaniach.
Wygenerowane przez model językowy.
REKLAMA