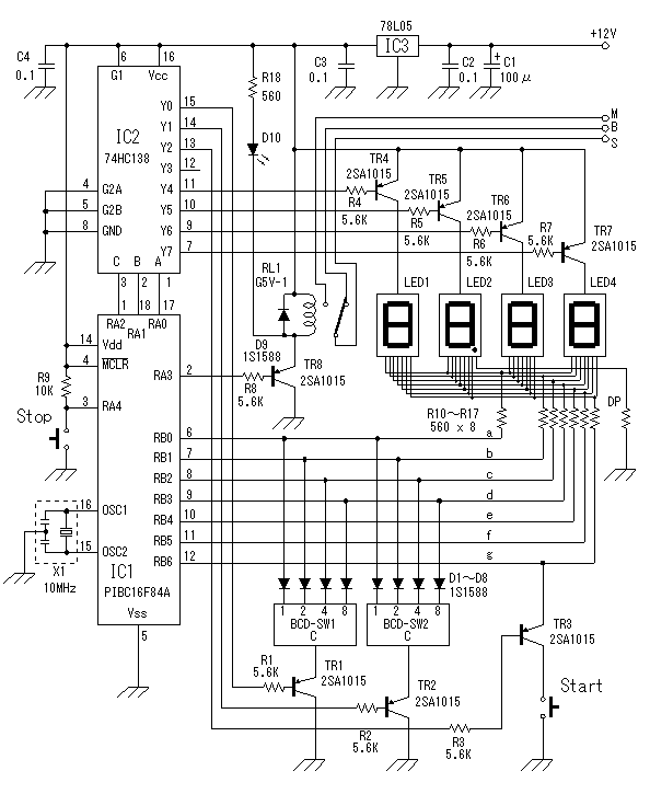
Projekt ma za zadanie odliczać czas w dół. Pracuje na mikrokontrolerze PIC16F84A. Przyda się wszędzie tam, gdzie potrzebne jest odliczanie czasu. Zakres można ustawić od 1 minuty do 99 minut. Czas pozostały wyświetlany jest na czerwonych siedmio-segmentowych wyświetlaczach. Gdy czas ostanie odliczony, urządzenie wysyła sygnał kontrolny.
Całość wykonana jest na połączeniach przewodowych, więc nie jest dostępny żaden wzór płytki PCB. Projekt jest jednak bardzo dokładnie opisany na stronie źródłowej, dzięki czemu może przydać się początkującym elektronikom. Cała dokumentacja jak i kod źródłowy dostępne na stronie źródłowej


Źródło http://www.hobby-elec.org/e_pic6_3.htm
Fajne? Ranking DIY
