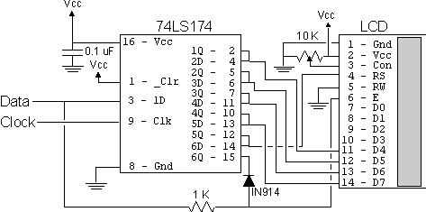
Wyświetlacz LCD ze sterownikiem HD44780 potrzebuje conajmniej 6 linii I/O z mikrokontrolera do wyświetlacza dla przesyłanych danych. Dlatego takie rozwiązanie nie jest zbyt komfortowe, jeśli taki wyświetlacz chcielibyśmy podłączyć do jakiegoś małego mikrokontrolera, gdzie niska liczba wyprowadzeń na to nie pozwala, np jak pisze autor jeżeli chodzi o mikrokontroler PIC12F. Autor zaprojektował szeregowy interfejs, który używa trzech przewodów do przesyłania danych z mikrokontrolera do wyświetlacza LCD. Do demonstracji poprawności działania układu autor postanowił użyć mikrokontroler PIC 12F683. Działa to na zasadzie rejestru przesuwnego. To znaczy dane z mikrokontrolera są przetwarzane szeregowo i podawane pokolei do układu 74HC595, z którego, poprzez równoległe wyjście dane kierowane są do wyświetlacza LCD. Układ 74HC595 to wysokiej szybkości, 8-bitowy, szeregowy rejestr przesuwny, którego wyjście może być szeregowe lub równoległe, 3-stanowe.
Jeżeli chodzi o schemat projektu szeregowego interfejsu 3-Wire LCD to jest dość prosty. Jak pisze autor, gorzej było z napisaniem oprogramowania dla mikrokontrolera. Mikrokontroler musi poprawnie przekazywać dane do rejestru przesuwnego 74HC595, ponieważ od tego zależy czy na wyświetlaczu pojawi się dokładnie to co zaplanowano. Do wyświetlacza podłączone są 4 linie danych, sygnał RS, a także sygnał Enable pochodzący z mikrokontrolera. Natomiast do rejestru przesuwnego 74HC595 dochodzą 2 linie: linia danych oraz linia potrzebna do taktowania rejestru przesuwnego Clock.
Link do strony źródłowej projektu:
Strona źródłowa
Fajne? Ranking DIY
