Witam.
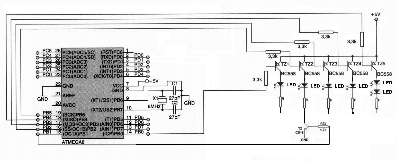
Chciałbym zrobić sterowanie 25 ledami. Powiedzmy, ze ma to być linijka ledow podświetlająca podjazd do garażu. Będzie ona załączana dwoma czujnikami. W momencie wykrycia obiektu, ma się ona zaświecać z tej strony co obiekt, powoli rozjaśniając kolejna diodę. Po upływie określonego czasu powoli ma wygaszać kolejne ledy. Będzie to coś podobnego jak w moim innym temacie klik, z tym ze nie chce mieć zajętych wszystkich nor uC, bo będę ich jeszcze potrzebował.
Dużo czytałem i szukałem rozwiązań. Mógłbym zastosować parę TDA8444 (10 x ADC) ale nie mam pojęcia jak nim sterować przez I2C. Nie znalazłem żadnych przykładów. No i czy da się na tej kości lub na innej (jakiej?) zrobić tak, by każda dioda po kolei się rozjaśniała i pozostawała zaświecona i na odwrót? Np. wysyłam sygnał PWM (0-max świecenia) na led1, po osiągnięciu max świeci led1 i procedura powtarza się dla led2 - led25.
Moze jakiś ekspander portów (tylko jak przekazywać PWM na poszczególne linie)?
Chce jak najmniej lini uC zając, przekazując wykonanie "efektu" układom podrzędnym.
Jak to rozwiązać? Jak tym sterować?
I proszę nie krytykować, ze brak schematów, jakiegokolwiek kodu.... Kod stworze gdy będę wiedział jak i czym sterować ledy.
Chciałbym zrobić sterowanie 25 ledami. Powiedzmy, ze ma to być linijka ledow podświetlająca podjazd do garażu. Będzie ona załączana dwoma czujnikami. W momencie wykrycia obiektu, ma się ona zaświecać z tej strony co obiekt, powoli rozjaśniając kolejna diodę. Po upływie określonego czasu powoli ma wygaszać kolejne ledy. Będzie to coś podobnego jak w moim innym temacie klik, z tym ze nie chce mieć zajętych wszystkich nor uC, bo będę ich jeszcze potrzebował.
Dużo czytałem i szukałem rozwiązań. Mógłbym zastosować parę TDA8444 (10 x ADC) ale nie mam pojęcia jak nim sterować przez I2C. Nie znalazłem żadnych przykładów. No i czy da się na tej kości lub na innej (jakiej?) zrobić tak, by każda dioda po kolei się rozjaśniała i pozostawała zaświecona i na odwrót? Np. wysyłam sygnał PWM (0-max świecenia) na led1, po osiągnięciu max świeci led1 i procedura powtarza się dla led2 - led25.
Moze jakiś ekspander portów (tylko jak przekazywać PWM na poszczególne linie)?
Chce jak najmniej lini uC zając, przekazując wykonanie "efektu" układom podrzędnym.
Jak to rozwiązać? Jak tym sterować?
I proszę nie krytykować, ze brak schematów, jakiegokolwiek kodu.... Kod stworze gdy będę wiedział jak i czym sterować ledy.
