logo elektroda
logo elektroda
X
logo elektroda
Adblock/uBlockOrigin/AdGuard mogą powodować znikanie niektórych postów z powodu nowej reguły.

Tranzystorowo- tyrystorowy regulator oświetlenia

Popak 29 Mar 2005 19:38 113016 117
  • O autorze
    Popak
    Moderator na urlopie...
    Offline 
    Popak napisał 2762 postów o ocenie 266, pomógł 97 razy. Jest z nami od 2003 roku.
  • #2 1361570
    koval_s
    Poziom 18  
    Bez obrazy, ale teraz to już w sklepach są dostępne dla każdego triaki, diaki i nie trzeba już kombinować z układami zastępczymi, przez to trochę skomplilowany ten układ i można prościej, ale schemat i płytka bardzo fajnie wykonane.
  • #3 1361650
    oj
    Poziom 42  
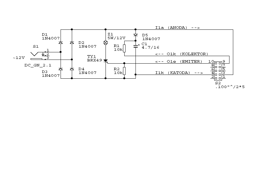
    Dowolny tyrystor 2-5A/400 ... 600V (BT136-600B)
    Diody dowolne prostownicze 1A/400V ... 600V (1N4004 ...5 ...6)
    Kondensator 47nF na 100V
    Tranzystory to BC547/BC557 lub BC237/BC307 lub BC107/BC177

    Przed regulatorem powinien zostać dodany filtr przeciwzakłóceniowy LC
  • #4 1361708
    Popak
    Moderator na urlopie...
    koval_s Masz racje ze w sklepach sa już gotowe i estetyczne ale zabawy czy też dla satysfakcji zrobienia takiego układu przez początkujacego elektronika to frajda :) jak tak miałem jak pierwszy taz zrobiłem własna układ (przerywacz z dioda LED plus płytke) to sie cieszyłem :) Ehh te dziecinne czasy hehe :)

    Pozdrawiam
  • #6 1363174
    koval_s
    Poziom 18  
    Panie: popak20, nie w ten sposób chciałem wyrazić niechęć do tego układu, chodziło mi o temat że kiedyś za czasów komuny to też chciałem za wszelką cenę kupić chodźby KT205 czy KT207, ale to ustrojstwo było dla wybrańców, osobiście też kombinowałem z tyrystorami, a nawet układem zastępczym tyrystora na dwóch mocnych tranzystorach, powiem więcej dalej czasami sobie jakiś tam układzik na triaku i diaku zmontuję, bo teraz to idę do sklepu i mam, np. taki jak przedstaiwił: oj, i to nawet w pająku czy na tekturce, rzeczywiście frajda, jak kuzyn mój to widzi to od razu mówi że by to zrobił na jednym scalaczku, ale to nie to samo, popieram to co pan wyraził, pójdę do sklepu i 50pln nie moje, a tutaj za prawie ten sam efekt 5pln w porywach euforii, w gruncie rzeczy to ten schemacik piętro wyżej to to czego pragnę...
  • #7 1364133
    Popak
    Moderator na urlopie...
    koval_s Rozumiem jak pan woli coś innego to porosze robić coś innego i prostrzego ja tylko przedstawiałem kolejny schemacik na elektrodzie jak można zrobic sciemniacz.
  • #9 1373739
    Piko
    Poziom 22  
    Ja chyba nie muszę o nim czytać ....ha ha ha. W 1982 roku taki schemat był mojej Pracy Dyplomowej i wtedy miałem to obryte w jednym palcu. To trzeba lubieć i już . Co do ściemniaczy : można jeszcze prościej bez półprzewodników przecież...autotransformatory regulowane, potencjometry a szczytem chyba był wzmacniacz magnetyczny i co Wy na to ?Jest zdecydowanie prostrze ... Pozdrawiam z uśmiechem.
  • #10 1386613
    gretzky
    Poziom 21  
    witam potzrebuje takie sciemniacza ale żeby był sterowany pzrez sygnał analogowy 0-10V. co byscie proponoali, zamiast potencjometru zastosowac jakiś optorezystor. Tylko czy takie sa dostepne w spzredarzy ????
    co byście proponowali zrobić
  • #11 1388155
    oj
    Poziom 42  
    Dimmer 0-10V jest tak samo prosty jak podłączenie żarówki halogenowej do transformatora.
  • #12 3036483
    marat82
    Poziom 11  
    Mam pytanie. potrzebuje taki układ zrobić na pilota oraz musi być użyty 8051. Jak zastąpić ten potencjometr np czyms w stylu potencjometra cyfrowego. Jest tylko problem że nie znalazłem potencjometrów cyfrowych więkzych niż 200k a po zatym są bardzo drogie.
  • #14 3493596
    Shajen
    Poziom 12  
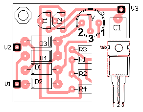
    Czy może ktoś dokładniej opisać te wyprowadzenia na płytce V1 v2 v3 v4?? I jeszcze jedna rzecz: co to jest r5? I czy da się regulować czas gaśnięcia?
  • #15 3493823
    pawem1
    Poziom 25  
    V1 i V2 tu podłączasz szeregowo żarówkę i napięcie sieciowe, a V3 i V4 potencjometr, jest to napisane po czesku na samym dole strony do której podałem linka.
    Skoda że autor tematu nie podał od razu skąd pochodzi ten schemat i nie dodał opisu.
  • #16 3495267
    Quarz
    Poziom 43  
    Witam,
    DJpopak;) napisał:
    Witam

    Przedstawiam prosty ściemniacz swiateł. Na schemacie widac że jest tyrystor KT505 którego cieżko zdobyc, ale można go zastąpic innym

    chciałem tylko zauważyć, iż taki sposób połączenia dwóch tranzystorów z dzielnikiem rezystancyjnym to "ersatz" tranzystora jednozłączowego, znanego mi od początku lat siedemdziesiątych.
    Poza tym, to ten układ należy uzupełnić o drugi człon R-C, który zapobiegnie "przeciąganiu" przewodzenia prądu przy obciążeniu czynno- indukcyjnym.
    Mają rację tu wcześniej piszący, iż to jest układ drogi, ponieważ tyrystor dwukierunkowy - triak, jest tańszy w konkurecji z konwencjalnym tyrystorem i czterema diodami z mostka, a dynistor (dioda czterowarstwowa) konkuruje cenowo z dwoma zastosowanymi przez Ciebie tranzystorami i dwoma rezystorami.

    Reasumując, ten układ może mieć tylko znaczenie dydaktyczne, natomiast praktycznego, moim zdaniem, żadnego.

    Pozdrawiam





    Pozdrawiam [/quote]
  • #17 3496296
    Shajen
    Poziom 12  
    pawem1 napisał:
    V1 i V2 tu podłączasz szeregowo żarówkę i napięcie sieciowe, a V3 i V4 potencjometr, jest to napisane po czesku na samym dole strony do której podałem linka.
    Skoda że autor tematu nie podał od razu skąd pochodzi ten schemat i nie dodał opisu.


    No a włącznik to gdzie?? Też szeregowo do żarówki??

    P.S. Już chyba wiem jak to działa. Tylko teraz pytanie: czy może być potencjometr 470Kohm? Bo suwakowy (takie efektowny) jest tylko taki akurat do nabycia...:|
  • #18 3497046
    żarówka rtęciowa
    Poziom 37  
    Shajen napisał:
    pawem1 napisał:
    V1 i V2 tu podłączasz szeregowo żarówkę i napięcie sieciowe, a V3 i V4 potencjometr, jest to napisane po czesku na samym dole strony do której podałem linka.
    Skoda że autor tematu nie podał od razu skąd pochodzi ten schemat i nie dodał opisu.


    1. No a włącznik to gdzie?? Też szeregowo do żarówki??

    2. Tylko teraz pytanie: czy może być potencjometr 470kΩ ? Bo suwakowy (takie efektowny) jest tylko taki akurat do nabycia...:|


    Ad. 1 Wyłącznik należy połączyć szeregowo z żarówką.

    Ad. 2 Można zastosować potencjometr o oporności 470kΩ.

    Mam takie pytanie:

    Czy ten ściemniacz z pierwszego postu nadaje się po wymianie diod mostka i tyrystora do ściemniania rtęciówek, bo chciałbym taki ściemniacz zbudować, ale na większe obciążenie.
  • #19 3500612
    Quarz
    Poziom 43  
    żarówka rtęciowa napisał:

    [ ... ] Mam takie pytanie:

    Czy ten ściemniacz z pierwszego postu nadaje się po wymianie diod mostka i tyrystora do ściemniania rtęciówek, bo chciałbym taki ściemniacz zbudować, ale na większe obciążenie.

    niestety, ale z powodu występowania przesunięcia fazowego pomiędzy napięciem a prądem w obwodzie lampy rtęciowej, ten prosty układ nie nadaje się.
    Napisałem o tym tam:
    https://www.elektroda.pl/rtvforum/topic273451.html#3495267
    "Poza tym, to ten układ należy uzupełnić o drugi człon R-C, który zapobiegnie "przeciąganiu" przewodzenia prądu przy obciążeniu czynno- indukcyjnym."
    W pewnym zakresie regulacja kąta zapłonu w tym prostym układzie nie będzie działać z powodu przeciągania przewodzenia prądu od momentu przejścia przez zero sinusoidy napięcia i włączenie przez całą następną połówkę okresu.
    Zapłon będzie następował wtedy nie w każdej połówce okresu, ale tylko na raz na okres, lub co półtora okresu, co objawia się modulacją jasności świecenia lampy.
    Do tego celu nadaje się np. ten ściemniacz z dedykowanym układem Siemensa typu SLB0586A:
    http://www.elektroda.net/dla_domu/sciemniacz_cmos.html, również układ z STM, a zmodyfikowany przeze mnie i zaprezentowany tam:
    https://www.elektroda.pl/rtvforum/topic203193-30.html#3327080
    Zauważ, iż zasilanie regulatora fazowego jest tam dwuprzewodowe (równoległe, również synchronizacja) i synchronizacja kąta zapłonu jest od sinusoidy napięcia, a więc kąt zapłonu nie zależy od kąta fazowego obciążenia, również układ z SLB0586A można w łatwy sposób przystosować do zasilania dwuprzewodowego (równoległego) poprzez przełączenie prawych końcówek rezystorów R1 i R2 przed obciążenie, czyli do zacisku "0".
    Natomiast proste układy R-C regulacji fazowej w taki sposób przystosować nie można (z triakiem, ponieważ te z mostkiem prostowniczym i tyrystorem wcale).

    Pozdrawiam
  • #20 3509084
    Shajen
    Poziom 12  
    Powie ktoś czemu to cudo nie działa?? Dałem częsci teo co kolega pisał wcześniej a jak podłączam to tylko cały czas świeci jak zawsze.sprawdziłem wszystie luty przejścia itp i nic. Co jest nie tak?>
  • #21 3517371
    oj
    Poziom 42  
    W spisie elementów wkradł się błąd, BT136 to triak a nie tyrystor

    Pomimo tego układ będzie działał prawidłowo jak się wlutuje prawidłowo ten triak. Można usunąć mostek prostowniczy.

    Jak masz wlutowany ten triak?, wyprowadzenia

    Dodano po 18 [minuty]:

    Tak trzeba wlutować
    Tranzystorowo- tyrystorowy regulator oświetlenia
  • #22 3518603
    Shajen
    Poziom 12  
    wlutowałem tak jak pokazałeś, ale dalej układ świeci tak samo, czyli ciągłym światłem. Dodam, że jak mierze miernikiem na tym wejściu potencjometra to bez względu na obrót potencjometrem cały czas jest ok 11k ohm. Sprawdzałem odłączony potencjometr i działa dobrze. Co jest w takim razie nie tak?
  • #23 3518716
    Quarz
    Poziom 43  
    Witam,
    przecież tam potencjometr (R5) reguluje czas opóźnienia włączenia, więc jak byś chciał zauważać zmianę napięcia miernikiem prądu stałego?
    Wymień oba tranzystory T1 i T2, które robią wraz R1 i R2 za sybstytut tranzystora jednozłączowego (o których tu już wyżej napisałem).
    Moim zdaniem, wartość R4 jest zbyt duża w odniesieniu do sumy rezystancji R1 + R2, powinna być najwyżej ok. 10 razy większa od 11,2, czyli ok. 100.
    Poza tym, to bazom T1 i T2 impulsowy prąd rozładowania kondensatora C1 na dobre nie wychodzi i dlatego też powinien być włączony rezystor o wartości ok. 51Ω w szereg z bramką łącznika sterowanego by ten impuls prądu zmniejszał.
    Z powyższych też powodów, ja trzydzieści parę lat wstecz, stosowałem tam parę tranzystorów; BC211, BC313, ponieważ BC107, BC177 (odpowiedniki KC237, KC307) nie podziałały w tamtym układze długo.

    Sprawdź też, czy zastosowany tam triak (tyrystor, bo oba w przekątnej mostka Graetza powinny działać dobrze) jest jeszcze tym, czym ma być.
    W tym celu zewrzyj jego bramkę (ale wcześniej odłącz od emitera T2) z katodą (tyrystor), lub właściwą anodą (w przypadku triaka) i włącz do sieci z szeregowo połączoną żarówką (obciążeniem), jak żarówka nie zaświeci , to znak, iż jest to jeszcze łącznik sterowany, a jak ... chyba nie muszę kończyć...

    Pozdrawiam
  • #24 3869812
    pitt300
    Poziom 1  
    Proszę o namiary na jakiś prosty schemat ściemniacza do lampki nocnej.
  • #25 3870176
    oj
    Poziom 42  
    Namiary to schemat "sciemniacz_1.gif" w tym poście
  • #26 3887095
    Prezes_13
    Poziom 11  
    Witam mam taki problem: Tyrystorowe sterowanie oswietleniem za pomoca qP 8051 Czy ktos mialby moze schemat takiego ukladu?? Bylbym wdzieczny za kazda wskazowke..Pozdr

    Znalazlem w necie schemat ukladu tyrystorowego i jest na nim gniazdo do qP 8051 ale dokladnie nie wiem jak go tam podpiac:/
    Czy ktos moglby na szybkiego zmaistrowac jakis schemacik polaczenia tego ukladu z qP:)
    Tranzystorowo- tyrystorowy regulator oświetlenia
  • #27 3894846
    Prezes_13
    Poziom 11  
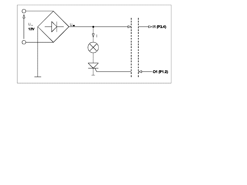
    Udostępniam jeszcze schemat blokowy tego tyrystorowego sciemniacza..
    Tranzystorowo- tyrystorowy regulator oświetlenia
  • #29 3943551
    traper-Lucek
    Poziom 10  
    Wielkie dzieki:D
  • #30 4122927
    xromekx
    Poziom 1  
    Witam, potrzebuje sciemniaczy do lamp halogenowych 500W - 1000W na 230V.

    pozdrawiam serdecznie.
REKLAMA