Kolorofon to po krótce urządzenie przetwarzające różne częstotliwości dźwięku w różne efekty świetlne.
W tym projekcie wykorzystano mocne diody LED (3000 - 5000 mcd) oraz prosty tranzystorowy układzik.
Założeniami projektu był mały rozmiar, wysoka mobilność (np. możliwość przypięcia do marynarki czy koszuli podczas imprezy) oraz niskie zużycie baterii.
Do zbudowania tego urządzenie wykorzystano 49 3mm LED-ów o różnych kolorach, parędziesiąt tranzystorów i rezystorów, mikrofon, trymery ze starego monitora CRT, obudowę na 4 baterie AA z wyłącznikiem i kilka kondensatorów oraz oporników.
Obwód został tak zaprojektowany, aby można w nim było użyć komponentów o najczęściej spotykanych wartościach i odpowiednich rozmiarach. Z racji małej przestrzeni (6x6 cm - cała elektronika musi się zmieścić na pojemniku na baterie) nie wykorzystano układów scalonych.
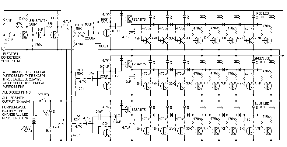
Sam obwód składa się z mikrofonu elektretowego podłączonego do przedwzmacniacza z regulacją czułości. Sygnał jest potem rozdzielany na trzy kanały z indywidualną regulacją poziomu. Każdy kanał posiada oddzielny układ filtrujący, więc reagować będzie na różne częstotliwości. Stamtąd sygnał trafia na linijkę LED-ów.
W projekcie dokonano pewnych zmian względem schematu, tj. na każdą diodę LED na schemacie przypadają dwie, a rezystancja oporników zwiększona została do 1kΩ aby zwiększyć żywotność baterii. Nawet po takiej zmianie diody wysokiej jasności dostarczają satysfakcjonującą ilość światła. Dodano również diodę fioletową, która pali się zawsze gdy podłączone jest zasilanie.
Diody zlutowano ze sobą, fioletowa na środku i trzy pary w różnych kolorach naprzeciw siebie.
Tak wygląda piękny pajączek z przylutowanymi już tranzystorami i opornikami. Trzeba jeszcze dodać moduł przedwzmacniacza mikrofonowego (pomiędzy ramiona 'gwiazdy') oraz potencjometry, które zdecydowano umieścić się na osobnej płytce.
Całość po zamontowaniu na obudowie i zalaniu żywicą epoksydową wygląda tak:
Natomiast tak prezentuje się w działaniu:
(niestety filmiku brak)
Autor twierdzi, że zestaw świeżych baterii pozwolił kolorofonowi na działanie przez trzy długie noce.
Źródło: www.electronicpeasant.com
Fajne? Ranking DIY
