logo elektroda
logo elektroda
X
logo elektroda
REKLAMA
REKLAMA
Adblock/uBlockOrigin/AdGuard mogą powodować znikanie niektórych postów z powodu nowej reguły.

zdalne sterowanie radiowe 433MHz

zasoby 30 Sty 2006 22:43 21369 22
REKLAMA
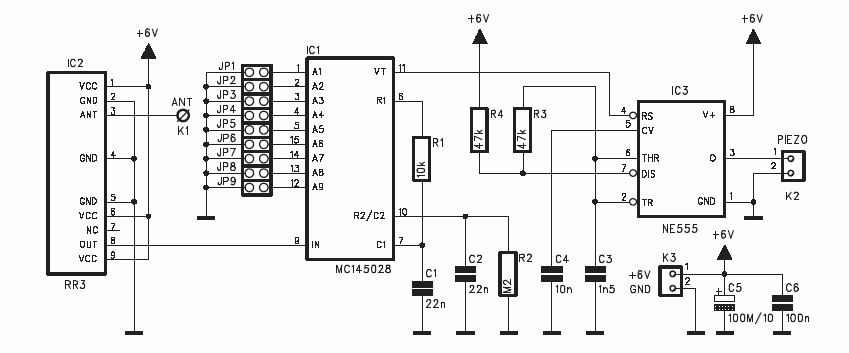
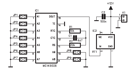
  • Jest to przykład często pojawiającej się konstrukcji radiowego sterowania na częstotliwości 433MHz. Dzięki wykorzystaniu gotowych modułów nadajnika i odbiornika 433MHz cała konstrukcja jest trywialnie prosta i składa się z kilku elementów. Wroli nadajnika wciela się moduł RT1 wraz z koderem MC145026. W roli odbiornika mamy RR3 oraz MC145028P
    jako dekoder. Kod ochronny ustawiamy za pomocą jumperków JP1-JP9 zarówno po stronie nadajnika jak i odbiornika.

    Fajne? Ranking DIY
    O autorze
    zasoby
    Poziom 23  
    Offline 
    zasoby napisał 784 postów o ocenie 432, pomógł 4 razy. Jest z nami od 2002 roku.
  • REKLAMA
  • #2 2239410
    wowo72
    Poziom 14  
    Witam.

    A mozna tym przesylac 8 bitow rownolegle.??

    Bo jak tak to zaraz to se zrobie zeby nie miec tego kabla do pralki.:D
  • #3 2239724
    jareks91
    Poziom 21  
    Macie moze to w formacie Protelowskim??
    Pozdro
  • #5 2241087
    rasty
    Poziom 27  
    Temat ten był poruszany parę dni temu:
    https://www.elektroda.pl/rtvforum/topic428295.html

    Układ 145026 ma możliwośc kodowania trojstanowego tzn. "0", "1" i stan pośredni czyli wejścia wiszące. Na schemacie jest tylko "0" i stan pośredni. Ogranicza to ilośc kombinacji do troszkę ponad 500. Po wykorzystaniu wszystkich możliwości mamy kombinacji ponad 19500.

    Cytat:
    A mozna tym przesylac 8 bitow rownolegle.??

    Układ powyżej służy do przesłania tylko 2 stanów, załacz - wyłacz.
    Do przesyłania większej ilości danych trzeba wykorzystać w roli odbiornika układ MC145027. Ma on możliwośc odbioru 4 bitowego słowa binarnego zakodowanego w nadajniku.

    Cytat:
    jumperkami ustawia się kod ochronny a jak w ogóle nadawać? pozostałymi jumperkami?

    Nadawać można albo przez podanie zasilania albo , przy stałym zasilaniu, przez zwarcie nóżki 14 ( TE ) do masy.

    pozdr.
  • REKLAMA
  • #6 2241641
    jasiud
    Poziom 11  
    witam. w schemacie odbiornika jest drobny błąd elementy C1 i R1 wiszą od masy w powietrze . domyślam sie że powinny bć połączone z 10 końcówką układu IC1 czy tak ? pozdrawiam wsystkich.
  • #7 2243929
    majster_15
    Poziom 23  
    jasiud napisał:
    witam. w schemacie odbiornika jest drobny błąd elementy C1 i R1 wiszą od masy w powietrze . domyślam sie że powinny bć połączone z 10 końcówką układu IC1 czy tak ? pozdrawiam wsystkich.


    Co tam wisi w powietrzu?? Przecież się trzyma :p

    GND -- C1 -- 7pin -- R1 --- 6pin
    tak to mnie więcej wygląda ...

    Pozdrawiam
  • #8 2249550
    Pimej
    Poziom 12  
    Co to za układy IC2 (RT1) i IC2 (RR3). Nie mogę znaleźć tych części w Nikompie.

    Czy w płytce odbiornika nie występuje błąd ? Na schemacie uklad RR3 wykorzystuje aż 8 nóżek, podczas gdy na płytce ściezki prowadzą jedynie do dwóch
  • #9 2249994
    denis2k1

    Poziom 14  
    Te uklady RT i RR to moduły nadajnika i odbiornika 433MHz. Wystepuje kilka odmian odbiornika, moze byc superheterodyna lub z przemiana czestotliwosci, od tego rowniez zalezy czułość czyli uogólniając zasieg.
  • REKLAMA
  • #10 2250355
    Pimej
    Poziom 12  
    Wszystko się zgadza, tylko gdzie kupić te moduły np w Katowicach? :(
  • REKLAMA
  • #12 2258886
    skzg
    Poziom 12  
    można też na- www.nowyelektronik.pl
    Pozdrawiam
  • #13 2263102
    jasiud
    Poziom 11  
    sorki "majster_15" chodziło mi o R2 i C2.
    pozdro. i dzięki!
  • #14 2266557
    krooooolik
    Poziom 12  
    szczerze powiedziawszy szukałem, szukałem i na www.nowyelektronik.pl tych modułów nie znalazłem. A że jestem na kupnie właśnie modułów radiowych - miło by było porównać ceny. Mógłbyś mi skzg powiedzieć dokładnie w której kategorii mam ich szukać ??
  • #15 2266808
    denis2k1

    Poziom 14  
    Ja kupilem te moduły w sklepie elektronicznym kilka lat temu, kosztwały wtedy ponizej 20zl za sztuke. Powinny byc w wiekszym skepie z elektroniką.
    Pozdrawiam.
  • #17 2274648
    zume
    Poziom 11  
    Zmontowałem ten układ i ruszyl od pierwszego razu, ale mam problem z zasięgiem. Anteny w postaci drutu 16,5 cm pozwalają osiagnać zasięg kilkanaście metrów w pomieszczeniu po przekroczeniu którego piezo zamiast ciągłego dzwięku wydaje przerywany, czyli coś odbiera, ale nie 100%.
    Jak to usprawnić?
    Czy ktoś testował taką antene?
  • #18 2274832
    krooooolik
    Poziom 12  
    Ja jeszcze nie testowałem, ale w najbliższym czasie też mnie kwestia zasięgu radiówek będzie interesowała. Załączam pdf-a anten 433mhz firmy STE, może sprobuj czegoś takiego ??
  • #19 5333040
    piotrek700
    Poziom 13  
    czy ten układ mozna zastosowac jako 8 kanałowe zdalne sterowanie?
  • #20 5679665
    Tremolo
    Poziom 43  
    zależy do czego w profesjonalnym przypadku najlepiej kupić gotowy układ zbudowany z elementów firmowych np. Hetronic. Masz tam głowice na częst. 434MHz (podzieloną na kanały) lub 868MHz. gdyż pasmo 434 wymaga profesjonalnego kodowania (za pomoca klucza adresowego z 1000 000 kombinacji) i dekodowania inaczej mogą być przekłamania.
    Pomogłem? Kup mi kawę.
  • #21 5743458
    Maryush
    Poziom 22  
    Od kilku dni poszukuję informacji na temat nadajników i odbiorników pracujących na 433MHz. Samych modułów jest sporo, ale nie wiadomo jakie pary wybrać, żeby osiągnąć zamierzony cel. Może tutaj mi ktoś doradzi jakie moduły wybrać, aby połączenie między odbiornikiem a nadajnikiem było stabilne z budynku dwupiętrowym:?:
  • #23 6968975
    Karol966
    Poziom 31  
    Witam.
    Chciał bym odświeżyć temat ponieważ szukam informacji na temat zdalnego sterowania 433 MHz od długiego czasu bez większych rezultatów.
    Generalnie zamierzam zbudować centralkę do bramy uchylnej (wiem, ze istnieją gotowce typu bramster, którego posiadam ale wolę zbudować własną). Chciał bym zestroić gotowy odbiornik z kupnym pilotem (najchętniej z posiadanym już pilotem 2-przyciskowym od garażu firmy Nice (aczkolwiek nie wiem, czy nie ma to zmiennych kodów)

    Do niedawna myślałem, ze robi to się w ten sposób:
    - kupuje odbiornik np : http://sklep.avt.pl/p/pl/481370/modul+odbiornika+433mhz.html
    lub coś z tej strony: http://www.cyfronika.com.pl/hybrydy.htm
    - kupuje pilot (nadajnik) np coś z tej strony: http://sklep.amt-alarmy.pl/index.php?g=14
    - wyjście odbiornika podłączam do mikro kontrolera np ATtiny2313, w którym interpretuje (dekoduje) sygnał pochodzący z odbiornika.
REKLAMA