logo elektroda
logo elektroda
X
logo elektroda
REKLAMA
REKLAMA
Adblock/uBlockOrigin/AdGuard mogą powodować znikanie niektórych postów z powodu nowej reguły.

Prosty termometr analogowy na LM i LED .

zasoby 28 Cze 2006 19:50 17231 15
REKLAMA
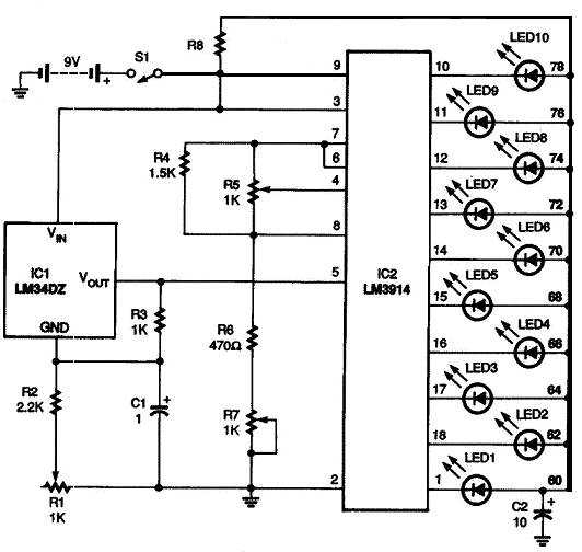
  • Ten termometr wskazuje temperaturę w pomieszczeniu za pomocą 10 LEDów, każda reprezentuje 2 stopnie. LM3914 to układ umożliwiający wysterowanie 10 LEDów po doprowadzeniu do jego wejścia dowolnego napięcia. To napięcie jest "wytwarzane" przez LM34DZ i zależy od aktualnie panującej temperatury - 10mV na stopień - w tym konkretnym przypadku 40mV na stopień.

    Kalibracja
    Najpierw napięcie względem masy na pin6 LM3914 ustawiamy za pomocą R7 do wartości 3.345V
    Następnie napięcie na pin4 ustawiamy za pomocą R5 na wartość 2.545V
    Teraz wystarczy już tylko wykalibrować za pomocą R1 w jakim przedziale chcemy mierzyć temperaturę. Do tego celu najlepiej zastosować zwykły termometr.

    Źródło:
    http://www.electronics-project-design.com/TemperatureThermometer.html

    Fajne? Ranking DIY
    O autorze
    zasoby
    Poziom 23  
    Offline 
    zasoby napisał 784 postów o ocenie 432, pomógł 4 razy. Jest z nami od 2002 roku.
  • REKLAMA
  • #2 2775122
    jani95
    Poziom 12  
    Witam
    mam pytanie czym zastąpić LM34DZ? Szukałem po sklepach ale nigdzie nie ma, nawet w necie.
    Pozdrawiam Janusz
  • REKLAMA
  • REKLAMA
  • #5 4369058
    PrzemasBB
    Użytkownik obserwowany
    bardzo fajny ukladzik, polecam
  • #6 4593544
    lulu.inko
    Poziom 12  
    Witam.Jak jest z dostępnością układów ??
  • #8 5434674
    fiskusmati
    Użytkownik obserwowany
    ja bym chciał sporo wiecej ledów co 1 stopien od - 10 do
    +50

    jak zrobic
  • #9 5441328
    zonem
    Poziom 11  
    A czy umiałby ktoś zrobić podobny termometr tylko żeby było np 5 led i zapalały się kolejno co 5 stopni od temp. np 35 stopni?
  • #10 5565035
    Fallen88
    Poziom 1  
    ma ktoś do tego schemat płytki?
    bardzo proszę jak macie:)
  • #11 5583349
    mati-fiolek
    Poziom 14  
    No, schemat płytki by sie przydał, ma ktoś??
  • #12 5586701
    Maciek S.
    Poziom 12  
    A gdzie znaleźliście tego LM'a (IC1)?
  • #13 7689398
    mcgyver26
    Poziom 16  
    fiskusmati napisał:
    ja bym chciał sporo wiecej ledów

    czujnik np.LM35 wystawia napięcie wprostproporcjonalne co do temperatury więc wystarczy podłączyć do niego jakikolwiek miliwoltomierz z zakresem do 200mV.Na tym układzie LM3914 jest właśnie zrobiony taki prosty miliwoltomierz tyle że na 10-ęć ledów,ale jak chcesz na więcej ledów to se zastosój inny układzik do miliwoltomierza np.UAA170-można podłączyć do niego 16-cie ledów
  • #14 8683070
    mateuszrjzr
    Poziom 17  
    może kolega mcgyver26 podrzuciłby schemat na tym układzie
  • REKLAMA
  • #15 8709513
    drocan
    Poziom 10  
    Witam, ile mogą kosztować elementy do takiego termometru?
  • #16 8760416
    drocan
    Poziom 10  
    Pomożę ktoś znaleźć substytut do LM34DZ! pilne
REKLAMA