logo elektroda
logo elektroda
X
logo elektroda
REKLAMA
REKLAMA
Adblock/uBlockOrigin/AdGuard mogą powodować znikanie niektórych postów z powodu nowej reguły.

Przedwzmacniacz audio z cyfrowym sterowaniem głośnością

marek_34 14 Maj 2011 19:32 7057 3
REKLAMA
  • Przedwzmacniacz audio z cyfrowym sterowaniem głośnością

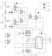
    Układ jest przedwzmacniaczem z cyfrową regulacją głośności. Składa się z trzech podukładów. Schemat 1 przedstawia elektroniczny potencjometr. Kontrola odbywa się za pomocą dwóch przycisków. S1 zwiększa głośność, natomiast S2 ją zmniejsza.

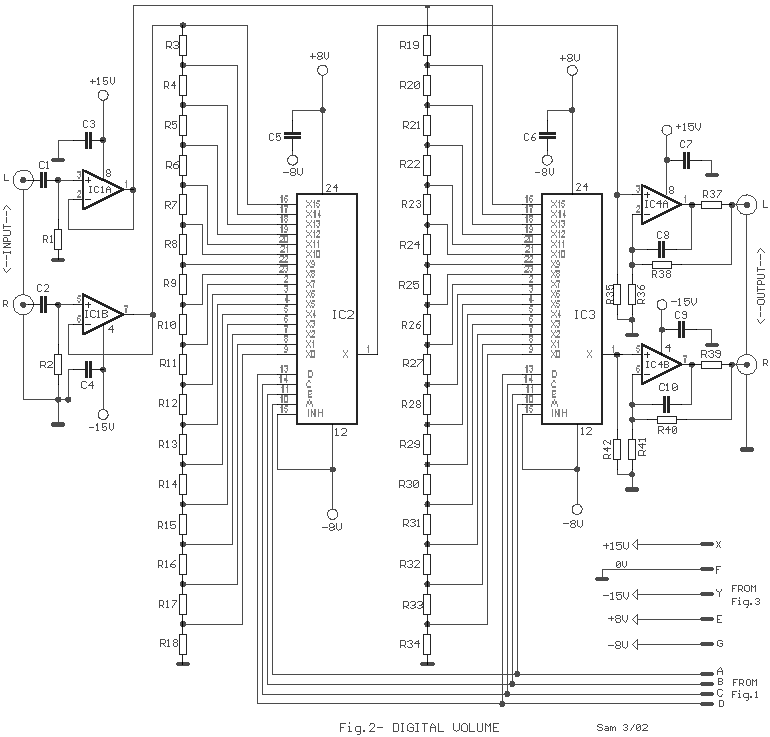
    Schemat nr 2 to dzielniki rezystorowe podłączone do 16 wejść analogowego multiplexera. Są to układy ic2, ic3 po jednym dla każdego kanału. W układzie występują również dwa analogowe wzmacniacze operacyjne - jeden na wyjściu i jeden na wyjściu. Wzmocnienie IC4A-B możemy zmieniać w zależności od potrzeb poprzez rezystory R38-40.

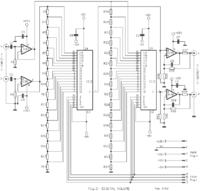
    Trzeci schemat przedstawia standardowy zasilacz z podziałem na zasilanie części analogowej i cyfrowej.

    Przedwzmacniacz audio z cyfrowym sterowaniem głośnością

    Przedwzmacniacz audio z cyfrowym sterowaniem głośnością

    Źródło: http://users.otenet.gr/~athsam/audio_preamplifier_with_digital_volume.htm

    Fajne? Ranking DIY
    O autorze
    marek_34
    Poziom 18  
    Offline 
    marek_34 napisał 332 postów o ocenie 276, pomógł 6 razy. Mieszka w mieście Katowice. Jest z nami od 2006 roku.
  • REKLAMA
  • #2 9508071
    paluszasty
    Poziom 25  
    Posty: 1112
    Pomógł: 56
    Ocena: 267
    Wg mnie projekt w stylu sztuka dla sztuki albo nawet nie. Istnieje bardzo dużo dobrych gotowych potencjometrów cyfrowych dedykowanych do zastosowań audio- np PGA2310,PGA2311 (wymagają sterowania przez uC), DS1802 (nie wymaga stosowania uC, tylko przyciski). Ostatni układ nie jest drogi, nie wymaga właściwie żadnych dodatkowych elementów i ma dobre parametry. Wg mnie projekt taki jak ten nie ma specjalnie sensu, użyte układy multipleksera nie są dedykowane do zastosowań audio. Składanie samemu potenciometru sterowanego cyfrowo ma wg mnie jedynie sens w przypadku bezkompromisowego rozwiązania -> przekaźniki +drabinka rezystorowa. .
  • REKLAMA
  • #3 9514698
    Konto nie istnieje
    Konto nie istnieje  
  • #4 9515088
    Karol966
    Poziom 31  
    Posty: 2035
    Pomógł: 83
    Ocena: 645
    Rozwiązanie wg mnie jak każde inne - dobre o ile działa :) Nie mam nic do niego a nawet mi się podoba ;) Mam jedną uwagę. Na schemacie 2 wejście audio oznaczone R wchodzi do multipleksera a wychodząc trafia na OP, z którego wychodzi oznaczone jako L i analogiczne dla wejścia L.
REKLAMA