Projekt dedykowany wszystkim tym, którzy lubią w swoim pokoju kontrolować światło dla odpowiedniego nastroju. Urządzenie to nic innego jak lampka mieszająca kolory RGB pozwalająca generować różne odcienie kolorów. Co więcej urządzenie jest samodzielne, a co za tym idzie, nie trzeba kontrolować go za pomocą domowego komputera.
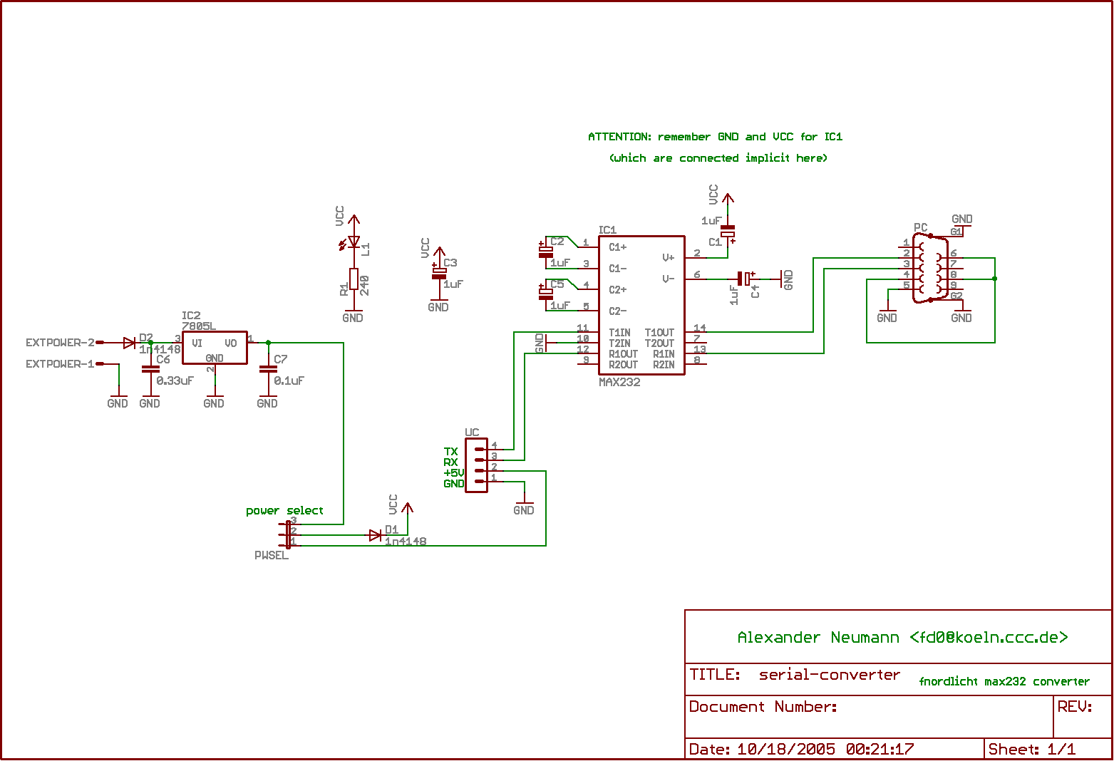
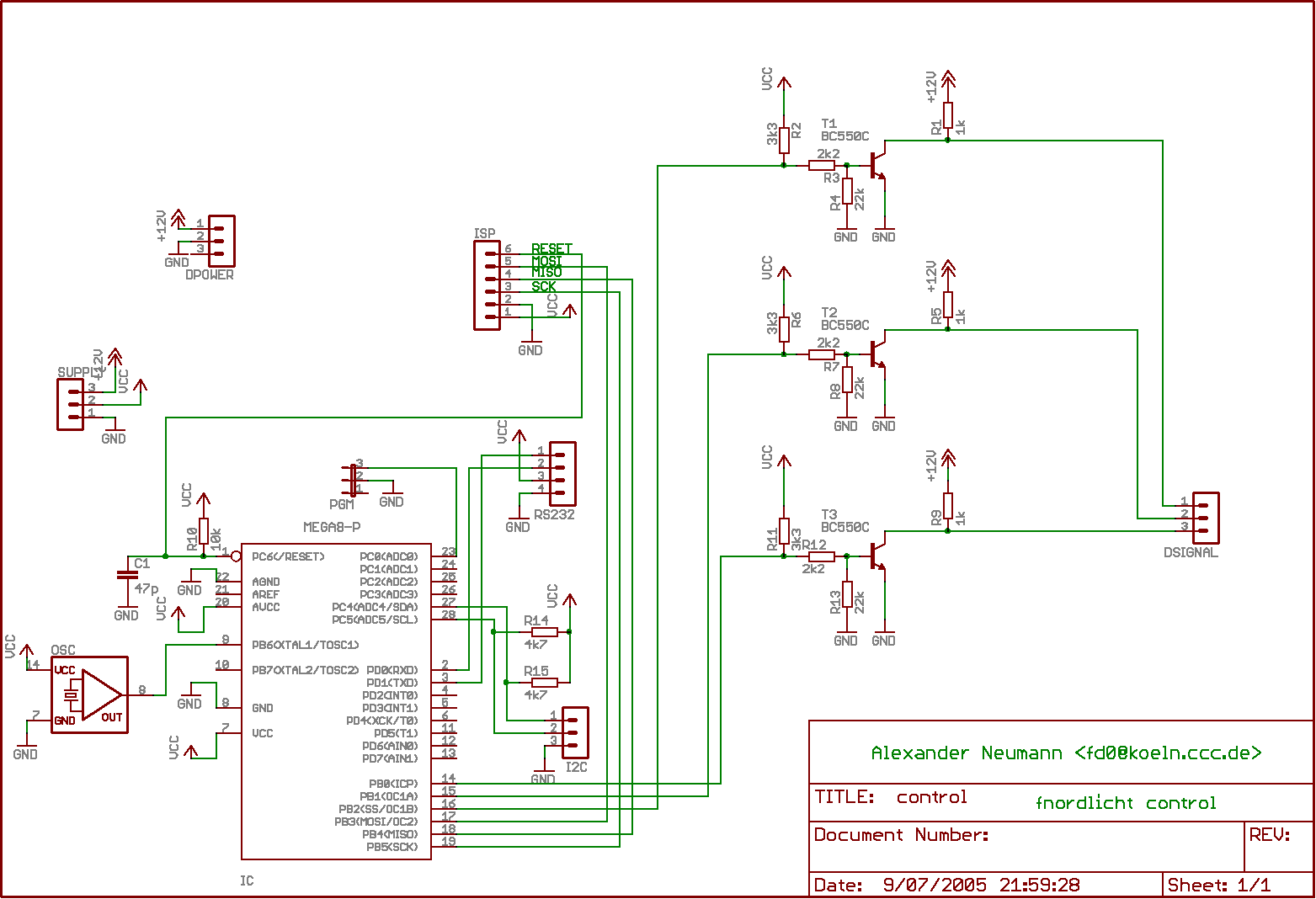
Oczywiście istnieje możliwość zdalnego sterowania za pomocą magistrali RS485. Lampki RGB jest projektem wielomodułowym. Jeżeli chcemy zbudować lampkę, należy przygotować się na budowę jej czterech elementów. Należy zbudować jeden układ źródła zasilającego, Płytkę z mikrokontrolerem Atmega8 do sterowania całością, Płytkę z diodami LED oraz moduł łączności szeregowej. Na stronie źródłowej można znaleźć dwie wersje oprogramowania. Jedna napisana w języku C, a druga w języku ASEMBLER.
Źródła http://www.lochraster.org/fnordlicht/
Fajne? Ranking DIY
