Wiele nowoczesnych urządzeń i systemów potrzebuje redundantnych źródeł zasilania, bądź po prostu kilku źródeł zasilania – w celu pracy z wieloma napięciami bądź z uwagi na wysoki pobór mocy. W poniższym artykule przedstawimy metodę sumowania źródeł zasilaczy, tzw. ORowania zasilaczy, od funkcji logicznej OR, którą układy te de facto wykonują. Tego rodzaju systemy znaleźć możemy w serwerach, urządzeniach telekomunikacyjnych, ale także w konsumenckich urządzeniach mobilnych, takich jak laptopy czy smartfony.
Kwestie związane z ORowaniem zasilania, przełączaniem zasilaczy na gorąco czy ochroną linii zasilania pojawiają się zawsze w momencie, gdy projektowany przez nas układ wymaga więcej niż jednego zasilacza. Jeśli po prostu połączymy ze sobą równolegle dwa zasilacze bez zabezpieczeń czy jakiejkolwiek ochrony, to nasze urządzenie nie będzie pracowało poprawnie – pracę będą przerywały nam awarie, zwarcia czy odłączanie jednego z zasilaczy.
ORowanie zasilaczy realizuje podobne funkcje jak systemy hot-swapu, jednakże układy takie konstruowane są zupełnie inaczej. Początkowo takie systemy budowane były w oparciu o diody półprzewodnikowe. W wielu aplikacjach takie rozwiązanie nadal jest najlepszym, ale w większości układów podstawowym rozwiązaniem jest wykorzystanie tranzystorów MOSFET, co przekłada się na lepsze parametry układu.
Systemy ORowania zasilania stosuje się wszędzie tam, gdzie konieczne jest łączenie zasilania z wielu źródeł. Sytuacja taka ma miejsce w serwerach i urządzeniach telekomunikacyjnych, gdzie konieczne jest dostarczenie do układu dużej mocy; w systemach bezpieczeństwa, gdzie konieczna jest redundancja zasilaczy, dla zapewnienia nieprzerwanego działania układu i w urządzeniach przenośnych, które zasilane mogą być z zasilacza wtyczkowego, USB lub wbudowanej baterii i muszą bezszwowo przełączać się pomiędzy tymi trybami.
Architektura ORowania
Na rysunku 1 pokazano typową architekturę ORowania zasilaczy w celu uzyskania wyższego prądu do zasilania urządzenia. Symbol diody na schemacie reprezentuje fizyczną diodę półprzewodnikową lub też bardziej zaawansowany blok funkcjonalny.
Fizycznie układ ORujący zasilanie ulokowany może być w różnych miejscach w systemie. Może być zintegrowany z zasilaczami, jeśli są one umieszczone na lewo od linii opisanej B. Układy ORowania zasilania mogą także być ulokowane po stronie obciążenia – odbiornika prądu – wtedy umieszczone są po prawej stronie od linii oznaczonej A.
ORowanie zabezpiecza układ przed konsekwencjami wystąpienia zwarcia w jednym zasilaczu – automatycznie odcina uszkodzony zasilacz od reszty układu, izolując jego kondensatory wyjściowe (po ich rozładowaniu) od szyny zasilania w systemie.
W tego rodzaju układach często stosuje się układy balansowania obciążenia. Systemy ORowania pomagają w takim balansowaniu z powodu niezerowej rezystancji tego bloku.
Z kolei w aplikacjach, gdzie konieczne jest po prostu połączenie kilku źródeł zasilania, bez konieczności balansowania obciążeniem, systemy ORowania łączą z obciążeniem źródło o największym napięciu, jednocześnie zabezpieczając system przed przepięciami i zwarciami w momencie przełączania układu na pracę z innym zasilaczem.
Na rysunku 2 zaprezentowano topologię ORowania dedykowaną wykorzystania w systemach redundantnego zasilania. Architektura ta różni się od tej pokazanej na rysunku 1 tym, że linie zasilania mogą być współdzielone przez wiele odbiorników. Układ ORowania zabezpiecza linie zasilania, a jednocześnie pozwala przełączać zasilacze w momencie uszkodzenia jakiegokolwiek z nich. W takim systemie układ ORujący zabezpiecza każdą linię przed zwarciem, a jednocześnie pozwala na zasilanie systemu z dowolnego (lub dowolnych) zasilaczy. Jednocześnie warto, by zasilacze wyposażone były w jakąś formę hot-swapu oraz zabezpieczenie nadprądowe. Takie rozwiązanie spotyka się najczęściej w serwerach lub sprzęcie telekomunikacyjnym. Układy ORowania komutują zazwyczaj linie -48 V, 12 V, ale także czasami 5 V; stosowane mogą być także w urządzeniach z wieloma źródłami zasilania, jak na przykład systemy mobilne, które mogą być zasilane z baterii l/lub zasilacza wtyczkowego, złącza USB etc.
ORowanie z pomocą tranzystora MOSFET
Na rysunku 3 zaprezentowano graficzne porównanie zakresu stosowania tranzystora MOSFET i diody do ORowania. Na zaprezentowanym wykresie I/V widać, że dla pewnego zakresu parametrów dioda i MOSFET zapewnią porównywalnie wydajne działanie. Jednakże dla zakresu gdzie $$I_{FL} \times R_{DS.(on)} < V_{drop}$$, gdzie IFL to pełny prąd projektowy, RDS(on) to opór kanału MOSFETa w stanie pełnego otwarcia a Vdrop to spadek napięcia na diodzie.
Dla obciążenia pobierającego na przykład 20 A na diodzie Schottkiego o spadku napięcia równym 0,5 V spowoduje straty na poziomie 10 W, które wydzielą się w postaci ciepła. Dla porównania na tranzystorze polowym o RDS(on) równej 2,5 mΩ straty wyniosą zaledwie 1 W.
Jednakże, by MOSFET funkcjonował jak dioda, potrzebuje on system sterowania, tak jak pokazano na rysunku 4. Tranzystor polowy z kanałem typu N wykorzystywany jest, gdy system musi mieć możliwie najlepsze parametry i niską cenę. Z kolei elementy z kanałem typu P stosuje się, gdy konieczny jest niski pobór prądu przez system, np. w układach zasilanych z baterii.
Tranzystor umieszczony jest w systemie w taki sposób, że naturalna dioda w MOSFETcie spolaryzowana jest w kierunku przewodzenia. Układ kontrolujący NMOS musi spolaryzować bramkę napięciem wyższym niż źródło, co powoduje wzbogacenie kanału tranzystora w momencie, gdy napięcie VAC (pomiędzy anodą a katodą „diody”) jest dodatnie. Powoduje to zmniejszenie rezystancji kanału w tranzystorze i umożliwia płynięcie prądu od zasilacza do obciążenia. Z drugiej strony, aby wyłączyć tranzystor i zablokować przepływ prądu, konieczne jest podanie na jego bramkę napięcia niższego niż napięcie na źródle, gdy VAC jest ujemne – dzięki temu kontroler dba, by prąd płynął przez MOSFET tylko w jednym kierunku – od zasilacza do odbiornika.
W momencie, w którym w układ wbudowujemy aktywny system kontroli, liczba możliwych do realizacji funkcji bardzo szybko wzrasta. Oprócz standardowej kontroli stanu linii zasilania, można realizować funkcje, takie jak:
* Selektywną zmianę poziomów załączania i wyłączania tranzystora MOSFET.
* Kontrola prędkości włączania i wyłączania zasilania.
* Wymuszanie zamknięcia bramki np. w celu testowania systemu.
* Raportowanie stanu układu zasilania.
* Raportowanie zwartej bramki tranzystora.
W nowoczesnych układach monitorowanie, raportowanie i wymuszanie konkretnych stanów w układzie jest niezwykle istotne w nowoczesnych układach zasilania, więc projektanci chętnie korzystają z nowoczesnych kontrolerów zasilania w systemach, szczególnie w urządzeniach, gdzie ważna jest wysoka niezawodność układu.
Często używane układy kontroli tranzystora MOSFET
W systemach ORowania zasilania kontrolę MOSFETów rozwiązuje się na jeden z dwóch sposobów. Pierwszy i prostszy z nich polega na wykorzystaniu komparatora, monitorującego napięcie VAC. Drugą metodą jest stabilizacja napięcia VAC.
Podejście wykorzystujące komparator jest zobrazowane na schemacie na rysunku 5; jest ono zdecydowanie prostsze do implementacji w układzie, jednakże ma jedną poważną wadę – przy najprostszej implementacji tranzystor załącza się, gdy VAC > 0 V, a wyłącza się, gdy VAC < 0 V. W momencie, gdy prąd płynący przez tranzystor zbliża się do 0 A, to VAC także zbliża się do 0 V, czyli jest na progu przełączania się komparatora. Jeśli dorzucimy do tego szum w układzie (i brak histerezy komparatora), to taka sytuacja powodować może niepotrzebne cykle załączania i wyłączania MOSFETa.
Aby przeciwdziałać takiej sytuacji, komparator wyposaża się w pętlę histerezy i pewien ujemny próg (VRT). Wadą takiego rozwiązania jest fakt, że układ dopuszcza pewien ujemny prąd płynący w systemie do wartości VRT/RDS(on). W takim układzie istotne jest precyzyjne kontrolowanie tego progu.
Implementacja takiego układu pokazana jest na rysunku 5 na przykładzie kontrolera TPS2411. W układzie tym zaimplementowano dwa komparatory, działające z różną prędkością i wymaganiami sterowania. Układ przy niewielkim, dodatnim napięciu VAC załącza się powoli, ale wyłącza szybko, do czego służy specjalny komparator. Próg wyłączenia układu jest programowalny, podobnie jak filtr wejściowy. Dzięki temu układ ten nie wpada w oscylacje, ani nie występuje ryzyko niecałkowitego wyłączania się układu.
Na rysunku 6 zaprezentowano schemat uproszczonego podejścia z stabilizacją napięcia VAC. W tej metodzie wykorzystuje się liniową kontrolę bramki tranzystora MOSFET do utrzymywania napięcia VAC na zadanym poziomie VP. Napięcie to dobiera się tak, by było niższe niż $$I_{FL} \times R_{DS.(on)}$$, gdzie IFL to prąd płynący przez tranzystor przy maksymalnym obciążeniu.
Napięcie VP skonfigurowane jest tak, aby MOSFET pracował zdecydowanie w swoim preferowanym zakresie (zielony zakres na rysunku 3). Napięcie na wyjściu wzmacniacza w układzie rośnie, wraz ze wzrostem VAC. Dopóki $$I_A \times R_{DS.(on)} \leq V_P$$ dopóty układ aktywnie steruje bramką tranzystora poprzez napięcie VG. W momencie gdy VAC przekroczy VP zostanie osiągnięte maksymalne napięcie VG i układ wyzeruje VG, wyłączając MOSFET zanim prąd zmieni kierunek.
Technika ta ma oczywiście swoje wady – kiepsko na przykład radzi sobie z szybkimi, skokowymi zmianami obciążenia z małego na duże. W takiej sytuacji napięcie wyjściowe może nawet spaść tymczasowo, aż do momentu gdy układ ‘nadgoni’ i nastąpi stabilizacja napięcia VAC. Wynika to m.in. z faktu, że układ ten jest swojego rodzaju źródłem prądowy z aktywnym sterowaniem, które dosyć słabo odpowiada na dynamiczne zmiany obciążenia.
Jednym z układów, które implementują opisaną powyżej metodę ORowania zasilania jest kontroler TPS2410, który pokazano na rysunku 6. Układ ten ma w sobie skompensowany wzmacniacz liniowy do regulacji VAC oraz szybki komparator, który odpowiada za rozłączanie tranzystora w momencie, gdy prąd zaczyna płynąć w odwrotnym kierunku. Taka kombinacja elementów jest konieczna, ponieważ sam wzmacniacz nie jest w stanie odpowiednio szybko zareagować – musi on być dosyć wolny, by stabilnie regulować VAC, nie reagować na szumy etc.
Szybki komparator pozwala na bardzo szybką reakcję układu na wszelkie awarie linii zasilania. Jego próg zadziałania może być konfigurowalny, fabrycznie ustawiono go na niewielką dodatnią wartość, co pozwala zachować zalety tej metody kontroli ORującego MOSFETa, ale możliwe jest zmniejszenie progu nawet poniżej zera tak, aby układ nie wyłączał zasilaczy w podczas niewielkich przepięć. Prąd wsteczny układu nadal ograniczany jest przez wzmacniacz.
Jak pokazano na rysunku 6, wejście szybkiego komparatora także może być filtrowane tak, aby ograniczyć czułość układu na występujący normalnie w liniach zasilania szum czy inne zjawiska. Dodatkowo, dzięki kontroli minimalnego impulsu wyłączającego tranzystor układ zabezpieczony jest przed niecałkowitym wyłączaniem MOSFETa czy innymi niepożądanymi zjawiskami mogącymi doprowadzić do oscylacji w układzie.
Na co zwrócić uwagę
Opisywane powyżej systemy wymagają niewielkich progów zadziałania układu oraz stabilizacji napięć głównie dla aplikacji z dużym prądem i niewielkim napięciem. Jeśli tolerancja układu będzie zbyt duża, to w danym momencie pracować będzie tylko jeden z redundantnych zasilaczy, tak jak pokazano na rysunku 1 oraz 2; w momencie, kiedy jeden z zasilaczy ulegnie uszkodzeniu, a system będzie chciał przełączyć się na drugi, to duży prąd płynący przez układ może doprowadzić do powstania zauważalnego spadku napięcia na przełączającym tranzystorze.
Przy dużej tolerancji napięcia VP dojść może do sytuacji, w której $$V_P > I_{FL} \times R_{DS(on)}$$, co przełoży się na nadmierny spadek napięcia na tranzystorze. Analogicznie, jeśli próg wyłączenia będzie zbyt niski, to przez tranzystor płynąć będzie nadmierny prąd w kierunku od obciążenia do zasilacza.
Równie ważne, co statyczne parametry układu ważne są parametry dynamiczne. Rozważmy sytuację, w której układ pokazany na rysunku 2 działa jako system ORowania zasilania i oba zasilacze w danym momencie są aktywne. Następnie linia A zwierana jest do masy, co spowoduje, że prąd może zacząć płynąć z linii B do A, tak długo, aż układ ORowania odłączy linię A od obciążenia. Po odłączeniu napięcia, gdy system działać będzie na zasilaniu z linii B tymczasowo nastąpić może przepięcie na zasilaniu. Dlatego też, komparator odłączający od obciążenia uszkodzony zasilacz, musi być szybki, by sytuacja w której prąd płynie w odwrotnym kierunku trwała możliwie krótko. Sytuacja taka jest szczególnie istotna , gdy układ ORowania zasilania znajduje się w środku sekcji zasilania lub przy samym odbiorniku, gdyż indukcyjność odłączanych linii zasilania jest wtedy większa.
Z drugiej strony, odmiennie niż komparator, wzmacniacz stabilizujący napięcie na tranzystorze nie może być nadmiernie szybki tak, by był on odporny na przepięcia i szum w zasilaniu, wszak nie chcemy, by tego rodzaju zjawiska powodowały odłączanie zasilaczy i potencjalne awarie urządzenia.
Układy ORowania zasilania umieszczone w redundantnych zasilaczach mają troche mniejsze wymagania co do prędkości, głównie dzięki faktowi, że kondensatory wyjściowe zasilaczy same z siebie spowalniają spadek napięcia na wyjściu w momencie gdy na linii zasilani nastąpi na przykład zwarcie.
Na rynku dostępne są różne rozwiązania ORowania zasilania – każde z nich zoptymalizowane jest pod kątem innej aplikacji, więc bez problemu dobrać można kontroler do każdego z zastosowań.
Podsumowanie
ORowanie zasilania jest istotnym narzędziem podczas tworzenia redundsntnych i elastycznych systemów zasilania. Aplikacje tego typu układów rozciągają się na wiele różnych sektorów, od telekomunikacji po same telefony komórkowe.
Każda aplikacja ma swoje wymagania i dla każdej istnieją stosowne rozwiązania. Dobierając je musimy pamiętać o ich wadach i zaletach. Wybieramy spośród szerokiej gamy architektur ORowania zasilania, kontroli MOSFETów, ich RDS(on) etc.
Nie zapominajmy, że każde zaprojektowane rozwiązanie i tak finalnie musi zostać przetestowane.
Źródło: https://www.eetimes.com/document.asp?doc_id=1273175
Kwestie związane z ORowaniem zasilania, przełączaniem zasilaczy na gorąco czy ochroną linii zasilania pojawiają się zawsze w momencie, gdy projektowany przez nas układ wymaga więcej niż jednego zasilacza. Jeśli po prostu połączymy ze sobą równolegle dwa zasilacze bez zabezpieczeń czy jakiejkolwiek ochrony, to nasze urządzenie nie będzie pracowało poprawnie – pracę będą przerywały nam awarie, zwarcia czy odłączanie jednego z zasilaczy.
ORowanie zasilaczy realizuje podobne funkcje jak systemy hot-swapu, jednakże układy takie konstruowane są zupełnie inaczej. Początkowo takie systemy budowane były w oparciu o diody półprzewodnikowe. W wielu aplikacjach takie rozwiązanie nadal jest najlepszym, ale w większości układów podstawowym rozwiązaniem jest wykorzystanie tranzystorów MOSFET, co przekłada się na lepsze parametry układu.
Systemy ORowania zasilania stosuje się wszędzie tam, gdzie konieczne jest łączenie zasilania z wielu źródeł. Sytuacja taka ma miejsce w serwerach i urządzeniach telekomunikacyjnych, gdzie konieczne jest dostarczenie do układu dużej mocy; w systemach bezpieczeństwa, gdzie konieczna jest redundancja zasilaczy, dla zapewnienia nieprzerwanego działania układu i w urządzeniach przenośnych, które zasilane mogą być z zasilacza wtyczkowego, USB lub wbudowanej baterii i muszą bezszwowo przełączać się pomiędzy tymi trybami.
Architektura ORowania
Na rysunku 1 pokazano typową architekturę ORowania zasilaczy w celu uzyskania wyższego prądu do zasilania urządzenia. Symbol diody na schemacie reprezentuje fizyczną diodę półprzewodnikową lub też bardziej zaawansowany blok funkcjonalny.
Fizycznie układ ORujący zasilanie ulokowany może być w różnych miejscach w systemie. Może być zintegrowany z zasilaczami, jeśli są one umieszczone na lewo od linii opisanej B. Układy ORowania zasilania mogą także być ulokowane po stronie obciążenia – odbiornika prądu – wtedy umieszczone są po prawej stronie od linii oznaczonej A.
ORowanie zabezpiecza układ przed konsekwencjami wystąpienia zwarcia w jednym zasilaczu – automatycznie odcina uszkodzony zasilacz od reszty układu, izolując jego kondensatory wyjściowe (po ich rozładowaniu) od szyny zasilania w systemie.
W tego rodzaju układach często stosuje się układy balansowania obciążenia. Systemy ORowania pomagają w takim balansowaniu z powodu niezerowej rezystancji tego bloku.
Z kolei w aplikacjach, gdzie konieczne jest po prostu połączenie kilku źródeł zasilania, bez konieczności balansowania obciążeniem, systemy ORowania łączą z obciążeniem źródło o największym napięciu, jednocześnie zabezpieczając system przed przepięciami i zwarciami w momencie przełączania układu na pracę z innym zasilaczem.
Na rysunku 2 zaprezentowano topologię ORowania dedykowaną wykorzystania w systemach redundantnego zasilania. Architektura ta różni się od tej pokazanej na rysunku 1 tym, że linie zasilania mogą być współdzielone przez wiele odbiorników. Układ ORowania zabezpiecza linie zasilania, a jednocześnie pozwala przełączać zasilacze w momencie uszkodzenia jakiegokolwiek z nich. W takim systemie układ ORujący zabezpiecza każdą linię przed zwarciem, a jednocześnie pozwala na zasilanie systemu z dowolnego (lub dowolnych) zasilaczy. Jednocześnie warto, by zasilacze wyposażone były w jakąś formę hot-swapu oraz zabezpieczenie nadprądowe. Takie rozwiązanie spotyka się najczęściej w serwerach lub sprzęcie telekomunikacyjnym. Układy ORowania komutują zazwyczaj linie -48 V, 12 V, ale także czasami 5 V; stosowane mogą być także w urządzeniach z wieloma źródłami zasilania, jak na przykład systemy mobilne, które mogą być zasilane z baterii l/lub zasilacza wtyczkowego, złącza USB etc.
ORowanie z pomocą tranzystora MOSFET
Na rysunku 3 zaprezentowano graficzne porównanie zakresu stosowania tranzystora MOSFET i diody do ORowania. Na zaprezentowanym wykresie I/V widać, że dla pewnego zakresu parametrów dioda i MOSFET zapewnią porównywalnie wydajne działanie. Jednakże dla zakresu gdzie $$I_{FL} \times R_{DS.(on)} < V_{drop}$$, gdzie IFL to pełny prąd projektowy, RDS(on) to opór kanału MOSFETa w stanie pełnego otwarcia a Vdrop to spadek napięcia na diodzie.
Dla obciążenia pobierającego na przykład 20 A na diodzie Schottkiego o spadku napięcia równym 0,5 V spowoduje straty na poziomie 10 W, które wydzielą się w postaci ciepła. Dla porównania na tranzystorze polowym o RDS(on) równej 2,5 mΩ straty wyniosą zaledwie 1 W.
Jednakże, by MOSFET funkcjonował jak dioda, potrzebuje on system sterowania, tak jak pokazano na rysunku 4. Tranzystor polowy z kanałem typu N wykorzystywany jest, gdy system musi mieć możliwie najlepsze parametry i niską cenę. Z kolei elementy z kanałem typu P stosuje się, gdy konieczny jest niski pobór prądu przez system, np. w układach zasilanych z baterii.
Tranzystor umieszczony jest w systemie w taki sposób, że naturalna dioda w MOSFETcie spolaryzowana jest w kierunku przewodzenia. Układ kontrolujący NMOS musi spolaryzować bramkę napięciem wyższym niż źródło, co powoduje wzbogacenie kanału tranzystora w momencie, gdy napięcie VAC (pomiędzy anodą a katodą „diody”) jest dodatnie. Powoduje to zmniejszenie rezystancji kanału w tranzystorze i umożliwia płynięcie prądu od zasilacza do obciążenia. Z drugiej strony, aby wyłączyć tranzystor i zablokować przepływ prądu, konieczne jest podanie na jego bramkę napięcia niższego niż napięcie na źródle, gdy VAC jest ujemne – dzięki temu kontroler dba, by prąd płynął przez MOSFET tylko w jednym kierunku – od zasilacza do odbiornika.
W momencie, w którym w układ wbudowujemy aktywny system kontroli, liczba możliwych do realizacji funkcji bardzo szybko wzrasta. Oprócz standardowej kontroli stanu linii zasilania, można realizować funkcje, takie jak:
* Selektywną zmianę poziomów załączania i wyłączania tranzystora MOSFET.
* Kontrola prędkości włączania i wyłączania zasilania.
* Wymuszanie zamknięcia bramki np. w celu testowania systemu.
* Raportowanie stanu układu zasilania.
* Raportowanie zwartej bramki tranzystora.
W nowoczesnych układach monitorowanie, raportowanie i wymuszanie konkretnych stanów w układzie jest niezwykle istotne w nowoczesnych układach zasilania, więc projektanci chętnie korzystają z nowoczesnych kontrolerów zasilania w systemach, szczególnie w urządzeniach, gdzie ważna jest wysoka niezawodność układu.
Często używane układy kontroli tranzystora MOSFET
W systemach ORowania zasilania kontrolę MOSFETów rozwiązuje się na jeden z dwóch sposobów. Pierwszy i prostszy z nich polega na wykorzystaniu komparatora, monitorującego napięcie VAC. Drugą metodą jest stabilizacja napięcia VAC.
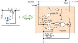
Podejście wykorzystujące komparator jest zobrazowane na schemacie na rysunku 5; jest ono zdecydowanie prostsze do implementacji w układzie, jednakże ma jedną poważną wadę – przy najprostszej implementacji tranzystor załącza się, gdy VAC > 0 V, a wyłącza się, gdy VAC < 0 V. W momencie, gdy prąd płynący przez tranzystor zbliża się do 0 A, to VAC także zbliża się do 0 V, czyli jest na progu przełączania się komparatora. Jeśli dorzucimy do tego szum w układzie (i brak histerezy komparatora), to taka sytuacja powodować może niepotrzebne cykle załączania i wyłączania MOSFETa.
Aby przeciwdziałać takiej sytuacji, komparator wyposaża się w pętlę histerezy i pewien ujemny próg (VRT). Wadą takiego rozwiązania jest fakt, że układ dopuszcza pewien ujemny prąd płynący w systemie do wartości VRT/RDS(on). W takim układzie istotne jest precyzyjne kontrolowanie tego progu.
Implementacja takiego układu pokazana jest na rysunku 5 na przykładzie kontrolera TPS2411. W układzie tym zaimplementowano dwa komparatory, działające z różną prędkością i wymaganiami sterowania. Układ przy niewielkim, dodatnim napięciu VAC załącza się powoli, ale wyłącza szybko, do czego służy specjalny komparator. Próg wyłączenia układu jest programowalny, podobnie jak filtr wejściowy. Dzięki temu układ ten nie wpada w oscylacje, ani nie występuje ryzyko niecałkowitego wyłączania się układu.
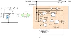
Na rysunku 6 zaprezentowano schemat uproszczonego podejścia z stabilizacją napięcia VAC. W tej metodzie wykorzystuje się liniową kontrolę bramki tranzystora MOSFET do utrzymywania napięcia VAC na zadanym poziomie VP. Napięcie to dobiera się tak, by było niższe niż $$I_{FL} \times R_{DS.(on)}$$, gdzie IFL to prąd płynący przez tranzystor przy maksymalnym obciążeniu.
Napięcie VP skonfigurowane jest tak, aby MOSFET pracował zdecydowanie w swoim preferowanym zakresie (zielony zakres na rysunku 3). Napięcie na wyjściu wzmacniacza w układzie rośnie, wraz ze wzrostem VAC. Dopóki $$I_A \times R_{DS.(on)} \leq V_P$$ dopóty układ aktywnie steruje bramką tranzystora poprzez napięcie VG. W momencie gdy VAC przekroczy VP zostanie osiągnięte maksymalne napięcie VG i układ wyzeruje VG, wyłączając MOSFET zanim prąd zmieni kierunek.
Technika ta ma oczywiście swoje wady – kiepsko na przykład radzi sobie z szybkimi, skokowymi zmianami obciążenia z małego na duże. W takiej sytuacji napięcie wyjściowe może nawet spaść tymczasowo, aż do momentu gdy układ ‘nadgoni’ i nastąpi stabilizacja napięcia VAC. Wynika to m.in. z faktu, że układ ten jest swojego rodzaju źródłem prądowy z aktywnym sterowaniem, które dosyć słabo odpowiada na dynamiczne zmiany obciążenia.
Jednym z układów, które implementują opisaną powyżej metodę ORowania zasilania jest kontroler TPS2410, który pokazano na rysunku 6. Układ ten ma w sobie skompensowany wzmacniacz liniowy do regulacji VAC oraz szybki komparator, który odpowiada za rozłączanie tranzystora w momencie, gdy prąd zaczyna płynąć w odwrotnym kierunku. Taka kombinacja elementów jest konieczna, ponieważ sam wzmacniacz nie jest w stanie odpowiednio szybko zareagować – musi on być dosyć wolny, by stabilnie regulować VAC, nie reagować na szumy etc.
Szybki komparator pozwala na bardzo szybką reakcję układu na wszelkie awarie linii zasilania. Jego próg zadziałania może być konfigurowalny, fabrycznie ustawiono go na niewielką dodatnią wartość, co pozwala zachować zalety tej metody kontroli ORującego MOSFETa, ale możliwe jest zmniejszenie progu nawet poniżej zera tak, aby układ nie wyłączał zasilaczy w podczas niewielkich przepięć. Prąd wsteczny układu nadal ograniczany jest przez wzmacniacz.
Jak pokazano na rysunku 6, wejście szybkiego komparatora także może być filtrowane tak, aby ograniczyć czułość układu na występujący normalnie w liniach zasilania szum czy inne zjawiska. Dodatkowo, dzięki kontroli minimalnego impulsu wyłączającego tranzystor układ zabezpieczony jest przed niecałkowitym wyłączaniem MOSFETa czy innymi niepożądanymi zjawiskami mogącymi doprowadzić do oscylacji w układzie.
Na co zwrócić uwagę
Opisywane powyżej systemy wymagają niewielkich progów zadziałania układu oraz stabilizacji napięć głównie dla aplikacji z dużym prądem i niewielkim napięciem. Jeśli tolerancja układu będzie zbyt duża, to w danym momencie pracować będzie tylko jeden z redundantnych zasilaczy, tak jak pokazano na rysunku 1 oraz 2; w momencie, kiedy jeden z zasilaczy ulegnie uszkodzeniu, a system będzie chciał przełączyć się na drugi, to duży prąd płynący przez układ może doprowadzić do powstania zauważalnego spadku napięcia na przełączającym tranzystorze.
Przy dużej tolerancji napięcia VP dojść może do sytuacji, w której $$V_P > I_{FL} \times R_{DS(on)}$$, co przełoży się na nadmierny spadek napięcia na tranzystorze. Analogicznie, jeśli próg wyłączenia będzie zbyt niski, to przez tranzystor płynąć będzie nadmierny prąd w kierunku od obciążenia do zasilacza.
Równie ważne, co statyczne parametry układu ważne są parametry dynamiczne. Rozważmy sytuację, w której układ pokazany na rysunku 2 działa jako system ORowania zasilania i oba zasilacze w danym momencie są aktywne. Następnie linia A zwierana jest do masy, co spowoduje, że prąd może zacząć płynąć z linii B do A, tak długo, aż układ ORowania odłączy linię A od obciążenia. Po odłączeniu napięcia, gdy system działać będzie na zasilaniu z linii B tymczasowo nastąpić może przepięcie na zasilaniu. Dlatego też, komparator odłączający od obciążenia uszkodzony zasilacz, musi być szybki, by sytuacja w której prąd płynie w odwrotnym kierunku trwała możliwie krótko. Sytuacja taka jest szczególnie istotna , gdy układ ORowania zasilania znajduje się w środku sekcji zasilania lub przy samym odbiorniku, gdyż indukcyjność odłączanych linii zasilania jest wtedy większa.
Z drugiej strony, odmiennie niż komparator, wzmacniacz stabilizujący napięcie na tranzystorze nie może być nadmiernie szybki tak, by był on odporny na przepięcia i szum w zasilaniu, wszak nie chcemy, by tego rodzaju zjawiska powodowały odłączanie zasilaczy i potencjalne awarie urządzenia.
Układy ORowania zasilania umieszczone w redundantnych zasilaczach mają troche mniejsze wymagania co do prędkości, głównie dzięki faktowi, że kondensatory wyjściowe zasilaczy same z siebie spowalniają spadek napięcia na wyjściu w momencie gdy na linii zasilani nastąpi na przykład zwarcie.
Na rynku dostępne są różne rozwiązania ORowania zasilania – każde z nich zoptymalizowane jest pod kątem innej aplikacji, więc bez problemu dobrać można kontroler do każdego z zastosowań.
Podsumowanie
ORowanie zasilania jest istotnym narzędziem podczas tworzenia redundsntnych i elastycznych systemów zasilania. Aplikacje tego typu układów rozciągają się na wiele różnych sektorów, od telekomunikacji po same telefony komórkowe.
Każda aplikacja ma swoje wymagania i dla każdej istnieją stosowne rozwiązania. Dobierając je musimy pamiętać o ich wadach i zaletach. Wybieramy spośród szerokiej gamy architektur ORowania zasilania, kontroli MOSFETów, ich RDS(on) etc.
Nie zapominajmy, że każde zaprojektowane rozwiązanie i tak finalnie musi zostać przetestowane.
Źródło: https://www.eetimes.com/document.asp?doc_id=1273175
Fajne? Ranking DIY
