Układ rejestruje proces rozładowywania ogniw/akumulatorów stałym prądem i na podstawie uzyskanego wykresu, pozwala ustalić ich pojemność oraz ewentualnie napięcie odcięcia, jeśli dane ogniwo/akumulator posiada zabezpieczenie przed nadmiernym rozładowaniem. W skład układu wchodzą: komputer PC z zainstalowanym programem rejestrującym "TsDMMViewer" (używam wersji 10.0), multimetr/woltomierz podłączony do komputera (używam UNI-T UT70B z komunikacją na podczerwień IR przez port szeregowy COM) oraz elektroniczne/sztuczne obciążenie stałoprądowe.
1. Program "TsDMMViewer"
Używam starszej wersji 10.0 programu, który można ściągnąć ze strony: Link. Działa w systemie od starego Windows 98 do najnowszego Windows 11. Obsługuje bardzo wiele multimetrów z różnymi interfejsami komunikacyjnymi (RS-232C, USB, Bluetooth, GPIB/IEEE-488, RS-485, LAN). Umożliwia ustawienie parametrów takich, jak: zakres wartości mierzonej przez miernik, zakres wartości i czasu wyświetlanego na wykresie, interwał czasowy wykonywania pomiaru (maksymalnie 32700 próbek), nazwa miernika i wykresu, minimalna i maksymalna wartość (zielona linia na wykresie) po przekroczeniu której, będą generowane ostrzegawcze sygnały dźwiękowe z częstotliwością wykonywania pomiarów. Zarejestrowane wartości można zapisać do lub odczytać z pliku tekstowego w formacie CSV. Wersja 10.0 programu nie odczytuje swoich własnych plików CSV oraz tych, wygenerowanych w nowszych wersjach. Problem można rozwiązać zmieniając frazę "Ver.1x.0.0" w pierwszej linii pliku CSV, np. na "Ver.7.1.0" (chodzi o liczbę cyfr w zapisie wersji programu).
2. Obciążenie stałoprądowe
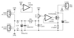
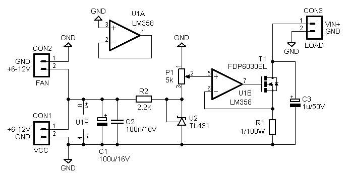
Jest to proste obciążenie z dodaną regulowaną diodą Zenera U2 (TL431), która zapewnia stabilny prąd obciążenia, niezależnie od zmian napięcia zasilania Vcc=6-12V. Prąd obciążenia ustawia się wieloobrotowym potencjometrem P1 (5k) w zakresie ok. 0.5mA - 2.4A (górna wartość zależy od napięcia referencyjnego U2, które może wynosić Vref=2.44-2.55V). Ustawiony prąd obciążenia Iin jest stały, niezależnie od zmian napięcia źródła Vin. Prąd obciążenia można ustawić na dwa sposoby. Pierwszy mniej dokładny, polega na pomiarze spadku napięcia Vr występującego na wyprowadzeniach rezystora R1 (1/100W), gdy obciążenie jest podłączone do źródła. Napięcie to ustawia się potencjometrem P1 i jest ono wprost proporcjonalne do prądu obciążenia (1V=1A). Niedokładność ustawionej w ten sposób wartości prądu obciążenia, wynika z tolerancji rezystora R1 (zwykle 5%) i błędu pomiarowego woltomierza. Drugi dokładniejszy sposób, polega na wpięciu między źródło i obciążenie (na plusie zasilania) amperomierza (z możliwie krótkimi przewodami pomiarowymi) oraz ustawienie potencjometrem P1 potrzebnego prądu obciążenia. Niedokładność ustawionej w ten sposób wartości prądu obciążenia, wynika z błędu pomiarowego samego amperomierza.
Stabilność ustawionej wartości prądu obciążenia, zależy od stabilności temperaturowej potencjometru P1 (zwykle 100ppm/C), regulowanej diody Zenera U2 (zwykle 50ppm/C) oraz rezystora R1 (zwykle 100ppm/C). Moc obciążenia jest tracona głównie w tranzystorze T1 (MOSFET-N) oraz częściowo w rezystorze R1, które są przykręcone do wspólnego radiatora z wentylatorem 12V (chłodzenie procesora ze starej płyty głównej). Moc traconą w tranzystorze T1 można obliczyć ze wzoru: Pt = (Vin-Vr)*Iin [W], a moc traconą w rezystorze R1 ze wzoru: Pr = Vr*Iin [W], gdzie: Vin - napięcie źródła, Iin - prąd płynący ze źródła, Vr - spadek napięcia na rezystorze R1 (Vr = Iin*R1 [V]).
Rezystor R1 jest połączony z płytką grubszymi kablami miedzianymi, aby zmniejszyć wprowadzany przez nie spadek napięcia. Napięcie na wyjściu wzmacniacza operacyjnego U1 (LM358), które steruje pracą tranzystora T1 wynosi maksymalnie ok. Vcc-1.5V. Dlatego przy niskim napięciu zasilania (np. Vcc=9V), użyty tranzystor powinien załączać się już przy napięciu bramki Vgs=4.5V (logic level), co zmniejszy powstające w nim straty mocy podczas jego ciągłego włączania i wyłączania. Kondensator C3 (1u/50V) zapobiega powstawaniu nieporządanych oscylacji napięcia na rezystorze R1. Zasilanie obciążenia powinno być włączane dopiero po podłączeniu do źródła, aby uniknąć udarów prądowych i ewentualnego uszkodzenia tranzystora T1 (przy włączonym zasilaniu T1 przewodzi, a więc podłączane źródło jest na krótki czas zwierane do masy przez rezystor R1).
W modelowym obciążeniu użyłem tranzystora FDP6030BL w obudowie TO-220, z napięciem Vds=30V, ciągłym prądem drenu Id=40A oraz maksymalną mocą rozpraszaną Pd=60W (przy temperaturze Tc=25C). Teoretycznie z aktywnym chłodzeniem, pozwala on na podłączenie obciążenia do źródła o napięciu 30V i prądzie 2A. W praktyce lepiej nie zbliżać się do parametrów granicznych.
Modelowe obciążenie przy napięciu Vcc=9V w stanie spoczynku pobiera prąd 3.7mA (108mA z działającym wentylatorem). Zmontowałem je na płytce jednostronnej o wymiarach 60x30mm, wykonanej bez trawienia (mini wiertarką z małym frezem). Poniżej zdjęcia modelowego obciążenia:
3. Pomiary praktyczne
Zrobiłem kilka pomiarów baterii/akumulatorów naładowanych do pełna (elektroniczny prostownik Bass BP-6702, prąd ładowania 1A) i obciążonych prądem 1A (woltomierz podłączony bezpośrednio do ich wyprowadzeń, obciążenie podłączone 1-2s po włączeniu rejestrowania w programie). Przy pomiarach, należy stosować możliwie krótkie połączenia przewodami o dużym przekroju.
3.1 Akumulator AGM 12V/7Ah (firmy Xtreme).
3.2 Akumulator AGM 12V/7.2Ah (model SBL7.2-12L firmy SSB).
Moment odcięcia Voff nastąpił po ręcznym odłączeniu woltomierza od wyprowadzeń akumulatora (zalecane napięcie Voff=10.5V = 1.75V/ogniwo jest zaznaczone na wykresie zieloną linią). Zmierzone parametry rozładowywania danym prądem w czasie, są zgodne z informacjami podawanymi przez producentów. Porównując obydwa akumulatory można zauważyć różnicę w ich jakości na korzyść SSB, który ma wyższe napięcie po naładowaniu i wytrzymuje znacznie dłużej. Na wykresie akumulatora SSB przez pewien czas widać wzrost napięcia pod obciążeniem, który prawdopodobnie jest spowodowany niewielkim zasiarczeniem jego elektrod (akumulator ciągle pracuje buforowo i długo nie był rozładowywany).
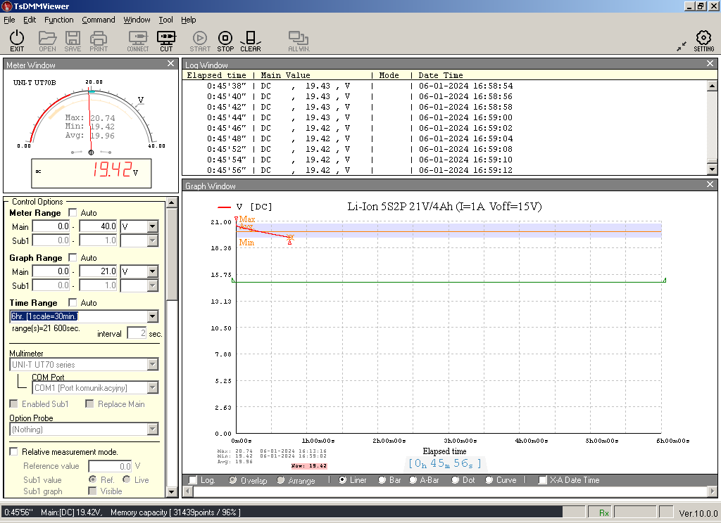
3.3 Bateria Li-Ion 5S2P 21V/4Ah (od wkrętarki A-BH-20-A firmy Lux Tools).
3.4 Bateria Li-Ion 5S2P 21V/4Ah (od wkrętarki A-BH-20-A firmy Lux Tools) z dołączoną przetwornicą Step-Down (XL4015 z wyłączonym wyświetlaczem LED) o napięciu wyjściowym 12V.
Na wykresie można zobaczyć momenty odcięcia Voff przy napięciu 14.52V i 14.44V po automatycznym zadziałaniu zabezpieczenia przed nadmiernym rozładowaniem (zalecane napięcie Voff=15V = 3V/ogniwo jest zaznaczone na wykresie zieloną linią).
Dołączone archiwum zawiera: schemat obciążenia w Eagle oraz pliki CSV programu TsDMMViewer z zapisem pomiarów.
1. Program "TsDMMViewer"
Używam starszej wersji 10.0 programu, który można ściągnąć ze strony: Link. Działa w systemie od starego Windows 98 do najnowszego Windows 11. Obsługuje bardzo wiele multimetrów z różnymi interfejsami komunikacyjnymi (RS-232C, USB, Bluetooth, GPIB/IEEE-488, RS-485, LAN). Umożliwia ustawienie parametrów takich, jak: zakres wartości mierzonej przez miernik, zakres wartości i czasu wyświetlanego na wykresie, interwał czasowy wykonywania pomiaru (maksymalnie 32700 próbek), nazwa miernika i wykresu, minimalna i maksymalna wartość (zielona linia na wykresie) po przekroczeniu której, będą generowane ostrzegawcze sygnały dźwiękowe z częstotliwością wykonywania pomiarów. Zarejestrowane wartości można zapisać do lub odczytać z pliku tekstowego w formacie CSV. Wersja 10.0 programu nie odczytuje swoich własnych plików CSV oraz tych, wygenerowanych w nowszych wersjach. Problem można rozwiązać zmieniając frazę "Ver.1x.0.0" w pierwszej linii pliku CSV, np. na "Ver.7.1.0" (chodzi o liczbę cyfr w zapisie wersji programu).
2. Obciążenie stałoprądowe
Jest to proste obciążenie z dodaną regulowaną diodą Zenera U2 (TL431), która zapewnia stabilny prąd obciążenia, niezależnie od zmian napięcia zasilania Vcc=6-12V. Prąd obciążenia ustawia się wieloobrotowym potencjometrem P1 (5k) w zakresie ok. 0.5mA - 2.4A (górna wartość zależy od napięcia referencyjnego U2, które może wynosić Vref=2.44-2.55V). Ustawiony prąd obciążenia Iin jest stały, niezależnie od zmian napięcia źródła Vin. Prąd obciążenia można ustawić na dwa sposoby. Pierwszy mniej dokładny, polega na pomiarze spadku napięcia Vr występującego na wyprowadzeniach rezystora R1 (1/100W), gdy obciążenie jest podłączone do źródła. Napięcie to ustawia się potencjometrem P1 i jest ono wprost proporcjonalne do prądu obciążenia (1V=1A). Niedokładność ustawionej w ten sposób wartości prądu obciążenia, wynika z tolerancji rezystora R1 (zwykle 5%) i błędu pomiarowego woltomierza. Drugi dokładniejszy sposób, polega na wpięciu między źródło i obciążenie (na plusie zasilania) amperomierza (z możliwie krótkimi przewodami pomiarowymi) oraz ustawienie potencjometrem P1 potrzebnego prądu obciążenia. Niedokładność ustawionej w ten sposób wartości prądu obciążenia, wynika z błędu pomiarowego samego amperomierza.
Stabilność ustawionej wartości prądu obciążenia, zależy od stabilności temperaturowej potencjometru P1 (zwykle 100ppm/C), regulowanej diody Zenera U2 (zwykle 50ppm/C) oraz rezystora R1 (zwykle 100ppm/C). Moc obciążenia jest tracona głównie w tranzystorze T1 (MOSFET-N) oraz częściowo w rezystorze R1, które są przykręcone do wspólnego radiatora z wentylatorem 12V (chłodzenie procesora ze starej płyty głównej). Moc traconą w tranzystorze T1 można obliczyć ze wzoru: Pt = (Vin-Vr)*Iin [W], a moc traconą w rezystorze R1 ze wzoru: Pr = Vr*Iin [W], gdzie: Vin - napięcie źródła, Iin - prąd płynący ze źródła, Vr - spadek napięcia na rezystorze R1 (Vr = Iin*R1 [V]).
Rezystor R1 jest połączony z płytką grubszymi kablami miedzianymi, aby zmniejszyć wprowadzany przez nie spadek napięcia. Napięcie na wyjściu wzmacniacza operacyjnego U1 (LM358), które steruje pracą tranzystora T1 wynosi maksymalnie ok. Vcc-1.5V. Dlatego przy niskim napięciu zasilania (np. Vcc=9V), użyty tranzystor powinien załączać się już przy napięciu bramki Vgs=4.5V (logic level), co zmniejszy powstające w nim straty mocy podczas jego ciągłego włączania i wyłączania. Kondensator C3 (1u/50V) zapobiega powstawaniu nieporządanych oscylacji napięcia na rezystorze R1. Zasilanie obciążenia powinno być włączane dopiero po podłączeniu do źródła, aby uniknąć udarów prądowych i ewentualnego uszkodzenia tranzystora T1 (przy włączonym zasilaniu T1 przewodzi, a więc podłączane źródło jest na krótki czas zwierane do masy przez rezystor R1).
W modelowym obciążeniu użyłem tranzystora FDP6030BL w obudowie TO-220, z napięciem Vds=30V, ciągłym prądem drenu Id=40A oraz maksymalną mocą rozpraszaną Pd=60W (przy temperaturze Tc=25C). Teoretycznie z aktywnym chłodzeniem, pozwala on na podłączenie obciążenia do źródła o napięciu 30V i prądzie 2A. W praktyce lepiej nie zbliżać się do parametrów granicznych.
Modelowe obciążenie przy napięciu Vcc=9V w stanie spoczynku pobiera prąd 3.7mA (108mA z działającym wentylatorem). Zmontowałem je na płytce jednostronnej o wymiarach 60x30mm, wykonanej bez trawienia (mini wiertarką z małym frezem). Poniżej zdjęcia modelowego obciążenia:
3. Pomiary praktyczne
Zrobiłem kilka pomiarów baterii/akumulatorów naładowanych do pełna (elektroniczny prostownik Bass BP-6702, prąd ładowania 1A) i obciążonych prądem 1A (woltomierz podłączony bezpośrednio do ich wyprowadzeń, obciążenie podłączone 1-2s po włączeniu rejestrowania w programie). Przy pomiarach, należy stosować możliwie krótkie połączenia przewodami o dużym przekroju.
3.1 Akumulator AGM 12V/7Ah (firmy Xtreme).
3.2 Akumulator AGM 12V/7.2Ah (model SBL7.2-12L firmy SSB).
Moment odcięcia Voff nastąpił po ręcznym odłączeniu woltomierza od wyprowadzeń akumulatora (zalecane napięcie Voff=10.5V = 1.75V/ogniwo jest zaznaczone na wykresie zieloną linią). Zmierzone parametry rozładowywania danym prądem w czasie, są zgodne z informacjami podawanymi przez producentów. Porównując obydwa akumulatory można zauważyć różnicę w ich jakości na korzyść SSB, który ma wyższe napięcie po naładowaniu i wytrzymuje znacznie dłużej. Na wykresie akumulatora SSB przez pewien czas widać wzrost napięcia pod obciążeniem, który prawdopodobnie jest spowodowany niewielkim zasiarczeniem jego elektrod (akumulator ciągle pracuje buforowo i długo nie był rozładowywany).
3.3 Bateria Li-Ion 5S2P 21V/4Ah (od wkrętarki A-BH-20-A firmy Lux Tools).
3.4 Bateria Li-Ion 5S2P 21V/4Ah (od wkrętarki A-BH-20-A firmy Lux Tools) z dołączoną przetwornicą Step-Down (XL4015 z wyłączonym wyświetlaczem LED) o napięciu wyjściowym 12V.
Na wykresie można zobaczyć momenty odcięcia Voff przy napięciu 14.52V i 14.44V po automatycznym zadziałaniu zabezpieczenia przed nadmiernym rozładowaniem (zalecane napięcie Voff=15V = 3V/ogniwo jest zaznaczone na wykresie zieloną linią).
Dołączone archiwum zawiera: schemat obciążenia w Eagle oraz pliki CSV programu TsDMMViewer z zapisem pomiarów.
Fajne? Ranking DIY
