Ładowarek dla akumulatorów samochodowych istnieje mnóstwo, ale w większości są to zwykłe prostowniki z nieskomplikowaną automatyką i wyświetlaczem. Nie każdy pozwala ocenić pojemność akumulatora i zaplanować jego ewentualną wymianę na nowy. Opisana poniżej konstrukcja daje taką szansę oraz ma inne przydatne funkcje. Teraz możliwe jest dokładne określenie jakości różnych ładowarek i systemu ładowania w samochodzie, od razu staje się jasne, jak niezawodny jest Twój akumulator. Pojemność wyliczana jest z dokładnością do 0,01 Ah, ale na wskaźniku wyświetlane są tylko całe jednostki.
Układ opracowano na PIC, program napisano na MikroC PRO dla PIC.
Zasada działania opiera się na obliczaniu napięć ładowania, podtrzymania i rozładowania w zależności od temperatury akumulatora. W warunkach zimowych jest to ważną zaletą. Gdyż, jak wiadomo, niskie temperatury elektrolitu wymagają większego napięcia. Alternator i układ ładowania nie pozwala na to i w rezultacie często po długim postoju samochodu w zimowej nocy silnik nie daje się odpalić.
Uruchomienie: podłącz akumulator, dociśnij czujnik temperatury do korpusu, włóż wtyczkę do sieci, włącz wyłącznik.
Wszystko. Możesz wyjechać na wakacje lub zamknąć garaż na zimę.
Jeśli masz czas i chęć, możesz zobaczyć, co zrobi ładowarka:
Wyświetlacz naprzemiennie pokazuje napięcie akumulatora i jego temperaturę, w ciągu pierwszej minuty przeprowadzana jest auto diagnostyka.
Jeżeli akumulator będzie wymagał ładowania, urządzenie podłączy się do sieci 220 V, włączy CHARGE i wykona tę operację do napięcia ładowania.
Jeśli ładowanie nie jest wymagane, urządzenie przejdzie w tryb STANDBY i poczeka, aż napięcie spadnie do napięcia pomocniczego. Następnie ładowanie się włączy.
Jeśli zdecydujesz się przeprowadzić cykl treningowy lub sprawdzić pojemność akumulatora, użyj przycisku: „menu”, aby włączyć ROZŁADOWANIE: uruchomi się i oprócz napięcia oraz temperatury na wyświetlaczu pojawi się pojemność w amperogodzinach.
Rozładowanie potrwa do momentu osiągnięcia napięcia rozładowania, po czym nastąpi włączenie ładowania. Obliczona pojemność to taka, jaką akumulator może rozładować podczas 10-godzinnej operacji.
Wartość pojemności będzie widoczna na wskaźniku do momentu: wyłączenia urządzenia; odłączania akumulatora; ponownego włączenia trybu rozładowania.
Zabezpieczenia:
* Programowo zapobiega zawieszaniu się mikroprocesora — Watchdog Timer (na wszelki wypadek, nie było żadnych awarii na poprzednich urządzeniach);
* Ładowarka jest podłączana do sieci 220 V samodzielnie tylko na czas ładowania, przez pozostały okres nie zużywa prądu i nie jest podpięta;
* Ładowarka nie boi się przypadkowych zwarć zacisków (typu: „krokodyl”);
* Jeśli napięcie akumulatora jest mniejsze niż 8 woltów, ładowarka się nie włączy;
* W przypadku nieprawidłowego podłączenia akumulatora — ciągły sygnał świetlny i dźwiękowy;
* Gdy prąd ładowania jest mniejszy niż 0,05 A, proces zostaje zawieszony. A okresowo sprawdzane jest przywrócenie podłączenia do akumulatora;
* Nagrzanie wnętrza obudowy powyżej 70°C — powoduje wyłączenie wszystkich procesów na 5 minut, wyświetlacz pokazuje litery A-A-;
* Przerwa (awaria) czujnika temperatury DS18B20 — przyjmuje się, że temperatura wynosi 50°C dla ładowania i podtrzymania, 0 dla rozładowania;
* Zanik sieci 220 V podczas rozładowywania i kontroli nie ma żadnego wpływu, podczas ładowania zaś wyłącza się wszystko oprócz sygnalizacji. Co 5 minut sprawdzane jest pojawienie się napięcia i przywracany jest przerwany proces.
Ładowanie odbywa się okresowym prądem asynchronicznym aż do napięcia ładowania. Następnie napięcie to utrzymuje się przez około 2 godziny. Gdy wyświetlacz pokazuje tylko napięcie i temperaturę — 2 godziny, a gdy jest też pojemność — więcej.
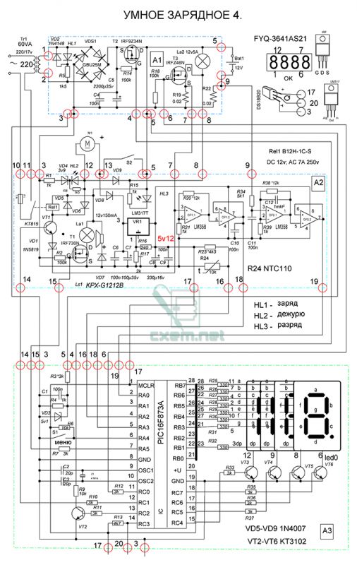
Schemat:
Inteligentny obwód ładowarki
Projekt wykonany jest na trzech płytkach drukowanych zrobionych z laminatu.
Wyglądają następująco:
Termistor na elastycznych przewodach (czarny) znajduje się w pobliżu lampy na uzwojeniu transformatora.
Moim zdaniem w tym miejscu będzie maksymalna temperatura w razie wypadku: jeśli zepsuje się wentylator lub nastąpi zwarcie w którymś z obwodów.
Ustawienie:
1. Za pomocą rezystora trymera ustaw napięcie na 5,12 V.
2. Załaduj kod zar4test do mikroprocesora.
3. Podłącz woltomierz do akumulatora i włącz ładowarkę. Wskaźnik pokaże 1,00 i napięcie. Kręcąc rezystor R3, doprowadzamy napięcie do odpowiedniego.
4. Podłącz amperomierz szeregowo z akumulatorem. Włączamy ładowarkę i przyciskiem przechodzimy do drugiego etapu, wskaźnik pokaże 2,00 i prąd ładowania. Dopasowujemy go do rezystora R38.
5. W 3 etapie prąd rozładowania jest ustawiany przez rezystor R20.
6. Na etapie 4 wybiera się rezystor R23 do zabezpieczenia termicznego. Połączyłem termistor z czujnikiem i podgrzałem go suszarką do włosów. Po odczycie 72,1° na wskaźniku pojawiło się A-A-.
Zmień firmware na zar41, zmontuj i używaj. Jednak program jest shareware — darmowy.
Wyjaśniam:
Bezpłatnie dla radioamatorów, którzy opracują to urządzenie dla swojego pojazdu. Wystarczy ponownie sflashować mikroprocesor po 10-12 treningach.
Polecam wzmocnić T2 zamiennikiem, np. IRF4905.
Źródło:
https://cxem.net/avto/electronics/4-163.php
Układ opracowano na PIC, program napisano na MikroC PRO dla PIC.
Zasada działania opiera się na obliczaniu napięć ładowania, podtrzymania i rozładowania w zależności od temperatury akumulatora. W warunkach zimowych jest to ważną zaletą. Gdyż, jak wiadomo, niskie temperatury elektrolitu wymagają większego napięcia. Alternator i układ ładowania nie pozwala na to i w rezultacie często po długim postoju samochodu w zimowej nocy silnik nie daje się odpalić.
Uruchomienie: podłącz akumulator, dociśnij czujnik temperatury do korpusu, włóż wtyczkę do sieci, włącz wyłącznik.
Wszystko. Możesz wyjechać na wakacje lub zamknąć garaż na zimę.
Jeśli masz czas i chęć, możesz zobaczyć, co zrobi ładowarka:
Wyświetlacz naprzemiennie pokazuje napięcie akumulatora i jego temperaturę, w ciągu pierwszej minuty przeprowadzana jest auto diagnostyka.
Jeżeli akumulator będzie wymagał ładowania, urządzenie podłączy się do sieci 220 V, włączy CHARGE i wykona tę operację do napięcia ładowania.
Jeśli ładowanie nie jest wymagane, urządzenie przejdzie w tryb STANDBY i poczeka, aż napięcie spadnie do napięcia pomocniczego. Następnie ładowanie się włączy.
Jeśli zdecydujesz się przeprowadzić cykl treningowy lub sprawdzić pojemność akumulatora, użyj przycisku: „menu”, aby włączyć ROZŁADOWANIE: uruchomi się i oprócz napięcia oraz temperatury na wyświetlaczu pojawi się pojemność w amperogodzinach.
Rozładowanie potrwa do momentu osiągnięcia napięcia rozładowania, po czym nastąpi włączenie ładowania. Obliczona pojemność to taka, jaką akumulator może rozładować podczas 10-godzinnej operacji.
Wartość pojemności będzie widoczna na wskaźniku do momentu: wyłączenia urządzenia; odłączania akumulatora; ponownego włączenia trybu rozładowania.
Zabezpieczenia:
* Programowo zapobiega zawieszaniu się mikroprocesora — Watchdog Timer (na wszelki wypadek, nie było żadnych awarii na poprzednich urządzeniach);
* Ładowarka jest podłączana do sieci 220 V samodzielnie tylko na czas ładowania, przez pozostały okres nie zużywa prądu i nie jest podpięta;
* Ładowarka nie boi się przypadkowych zwarć zacisków (typu: „krokodyl”);
* Jeśli napięcie akumulatora jest mniejsze niż 8 woltów, ładowarka się nie włączy;
* W przypadku nieprawidłowego podłączenia akumulatora — ciągły sygnał świetlny i dźwiękowy;
* Gdy prąd ładowania jest mniejszy niż 0,05 A, proces zostaje zawieszony. A okresowo sprawdzane jest przywrócenie podłączenia do akumulatora;
* Nagrzanie wnętrza obudowy powyżej 70°C — powoduje wyłączenie wszystkich procesów na 5 minut, wyświetlacz pokazuje litery A-A-;
* Przerwa (awaria) czujnika temperatury DS18B20 — przyjmuje się, że temperatura wynosi 50°C dla ładowania i podtrzymania, 0 dla rozładowania;
* Zanik sieci 220 V podczas rozładowywania i kontroli nie ma żadnego wpływu, podczas ładowania zaś wyłącza się wszystko oprócz sygnalizacji. Co 5 minut sprawdzane jest pojawienie się napięcia i przywracany jest przerwany proces.
Ładowanie odbywa się okresowym prądem asynchronicznym aż do napięcia ładowania. Następnie napięcie to utrzymuje się przez około 2 godziny. Gdy wyświetlacz pokazuje tylko napięcie i temperaturę — 2 godziny, a gdy jest też pojemność — więcej.
Schemat:
Inteligentny obwód ładowarki
Projekt wykonany jest na trzech płytkach drukowanych zrobionych z laminatu.
Wyglądają następująco:
Termistor na elastycznych przewodach (czarny) znajduje się w pobliżu lampy na uzwojeniu transformatora.
Moim zdaniem w tym miejscu będzie maksymalna temperatura w razie wypadku: jeśli zepsuje się wentylator lub nastąpi zwarcie w którymś z obwodów.
Ustawienie:
1. Za pomocą rezystora trymera ustaw napięcie na 5,12 V.
2. Załaduj kod zar4test do mikroprocesora.
3. Podłącz woltomierz do akumulatora i włącz ładowarkę. Wskaźnik pokaże 1,00 i napięcie. Kręcąc rezystor R3, doprowadzamy napięcie do odpowiedniego.
4. Podłącz amperomierz szeregowo z akumulatorem. Włączamy ładowarkę i przyciskiem przechodzimy do drugiego etapu, wskaźnik pokaże 2,00 i prąd ładowania. Dopasowujemy go do rezystora R38.
5. W 3 etapie prąd rozładowania jest ustawiany przez rezystor R20.
6. Na etapie 4 wybiera się rezystor R23 do zabezpieczenia termicznego. Połączyłem termistor z czujnikiem i podgrzałem go suszarką do włosów. Po odczycie 72,1° na wskaźniku pojawiło się A-A-.
Zmień firmware na zar41, zmontuj i używaj. Jednak program jest shareware — darmowy.
Wyjaśniam:
Bezpłatnie dla radioamatorów, którzy opracują to urządzenie dla swojego pojazdu. Wystarczy ponownie sflashować mikroprocesor po 10-12 treningach.
Polecam wzmocnić T2 zamiennikiem, np. IRF4905.
Źródło:
https://cxem.net/avto/electronics/4-163.php
Fajne? Ranking DIY
