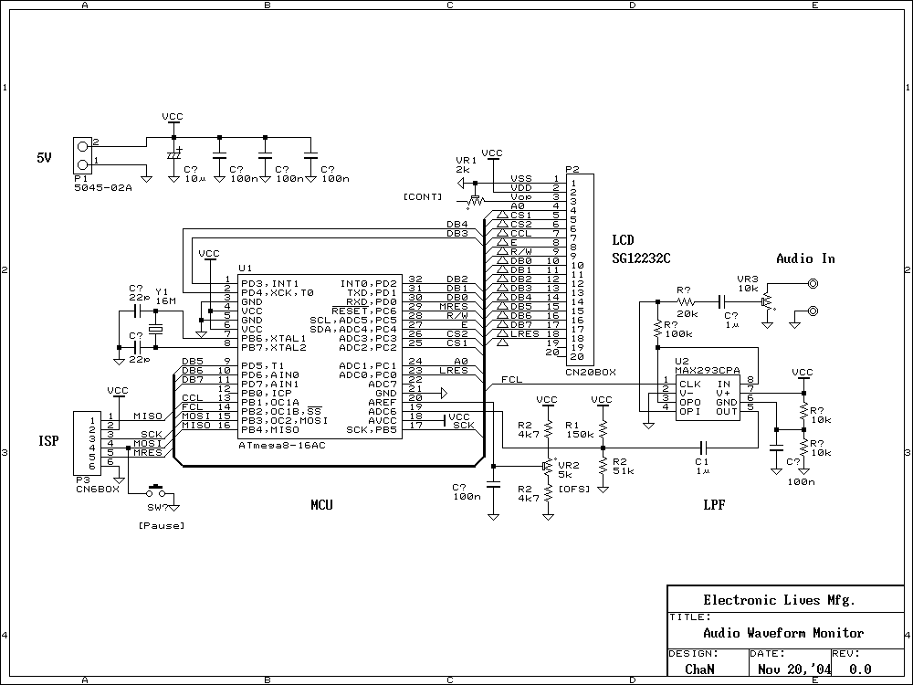
Układ służy do analizy źródła sygnału audio w czasie rzeczywistym. Całą prace wykonują Atmega8 oraz układ MAX293CPA, a wynik prezentowany jest na wyświetlaczu graficznym SG12232C.
Schemat układu znajduje się pod tym linkiem:
= = = = = = = = = = = = = = = = = = = = = =
A tak prezentuje się zmontowany układ:
W źródle znajdziemy schemat, wsad do uP, oraz filmiki prezentujące prace analizatora.
źródło:
http://elm-chan.org/works/akilcd/report_e.html
Przeniosłem z Konstrukcje DIY. [c_p]
Fajne? Ranking DIY
